Ниссан Альмера Горит Абс Что Делать – Ремонт гидроблока авs
Загорелась лампа ABS, где искать причину?
starik7771 Задержался
Всего сообщений: 31 Зарегистрирован: 05.01.2011 Детей: 1 Откуда: Чукотский АО, Чаунский район, г.Певек Авто: NISSAN Largo, 1997, VNW30, CD20Eti, 4WD, АКПП. Возраст: 45
Всем привет! Вот такая проблема: Машина колматила возле гаража, вдруг загорелась ABS, заглушил, завёл, не помогло, день отмучился на гололёде без ABS, вечером загнал в гараж, нагнал темпер в гараже чтоб всё оттаяло, скинул клемы с АКБ, утром завожу, всё нормально, лампа не горит, но через 5 минут опять загорелась. Подскажите где искать причину, а то без ABSки жопа.
Iron Felix Чип-мастер!
Всего сообщений: 580 Зарегистрирован: 03.05.2010 Детей: 1 Откуда: Зеленоград Авто: Nissan Largo W30, 1999, KA24DE, 2WD Возраст: 45
starik7771 Задержался
Всего сообщений: 31 Зарегистрирован: 05.01.2011 Детей: 1 Откуда: Чукотский АО, Чаунский район, г.Певек Авто: NISSAN Largo, 1997, VNW30, CD20Eti, 4WD, АКПП. Возраст: 45
Iron Felix Чип-мастер!
Всего сообщений: 580 Зарегистрирован: 03.05.2010 Детей: 1 Откуда: Зеленоград Авто: Nissan Largo W30, 1999, KA24DE, 2WD Возраст: 45
starik7771 Задержался
Всего сообщений: 31 Зарегистрирован: 05.01.2011 Детей: 1 Откуда: Чукотский АО, Чаунский район, г.Певек Авто: NISSAN Largo, 1997, VNW30, CD20Eti, 4WD, АКПП. Возраст: 45
Благодарю! Полезная ссылочка, осталось выбрать время для проверки, а там как говорится вскрытие покажет, главное чёбы не умер при вскрытии. Ггг!
сметанина Привык
Всего сообщений: 200 Зарегистрирован: 07.01.2012 Детей: 1 Профессия: водитель специализированного автомобиля Откуда: краснодар Авто: NISSAN LARGO, 1995, NW-30, КА-24de. Mitsubishi Don 2003, вариатор 4G94 Возраст: 36
Skit Врос
Всего сообщений: 710 Зарегистрирован: 06.08.2007 Детей: 2 Откуда: Владивосток Авто: Nissan Largo. 1997. VNW30. CD20ETi. 4WD Возраст: 36
starik7771 Задержался
Всего сообщений: 31 Зарегистрирован: 05.01.2011 Детей: 1 Откуда: Чукотский АО, Чаунский район, г.Певек Авто: NISSAN Largo, 1997, VNW30, CD20Eti, 4WD, АКПП. Возраст: 45
Skit Врос
Всего сообщений: 710 Зарегистрирован: 06.08.2007 Детей: 2 Откуда: Владивосток Авто: Nissan Largo. 1997. VNW30. CD20ETi. 4WD Возраст: 36

Загорелась лампа ABS, где искать причину? Клуб любителей микроавтобусов и минивэнов
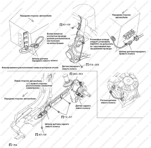
Снятие и установка

Nissan Almera Classic с 2006, ремонт системы ABS инструкция онлайн
Горит знак АБС (ABS) на панели автомобиля. Получается, что ежели горит лампочка ABS, это не всегда неисправность собственно ABS. Иной раз стОит расширить и углУбить.
Оплата через PayPal
После выбора оплаты через PayPal запустится платежная система PayPal, где требуется выбрать способ оплаты банковская карта или аккаунт PayPal.
Если у Вас уже есть аккаунт PayPal, то Вам необходимо зайти в него и осуществить платеж.
Если у Вас нет аккаунта в PayPal, и Вы хотите оплатить с помощью банковской карты через PayPal, Вам необходимо нажать на кнопку «Create an Account (Создать аккаунт)» — на рисунке показано стрелочкой.
После чего PayPal предложит вам выбрать Вашу страну и указать данные кредитной карты.
После указания данных, необходимых для осуществления платежа, надо нажать на кнопку «Pay Now (Оплатить)».
Официальный сайт платежной системы PayPal https://www.paypal.com

Горит лампа АБС: причины и способы ремонта
- Яндекс (оплата с любых банковских карт, аккаунта Яндекс Деньги, QIWI Wallet, терминалы и т.д.);
- Portmone (оплата с любых банковских карт, аккаунта Portmone);
- PayPal (оплата с любых банковских карт, аккаунта PayPal);
- WebMoney (оплата с любых банковских карт, оплата с кошельков WebMoney).
Загорелась лампа ABS на LADA, как устранить неисправность
Практически все современные транспортные средства сейчас оснащены передним и задним ABS, которые серьезно влияют на управляемость машины. Так почему загорелся знак АБС, какова причина и как ее устранить?
Ремонт датчиков ABS
В общем, вы поняли: отремонтировать датчик АВS в теории можно, но нужны ли такие заморочки – решайте сами.

На фото гидроблок ABS BMW 3-Series 1995
У гидроблока есть две основные неисправности – электромотор и общая загрязненность. У электромотора либо щетки «кончаются», либо обмотка рвется. Если вам удалось до него добраться и снять мотор с гидроблока (обычно это задача не для слабых духом людей), то ремонт самого мотора трудностей не вызывает, не сложнее, чем генератор перебрать.
Очистка гидроблока (если вам удалось его разобрать) тоже не самая трудная задача. Агрегат может сильно заржаветь и забиться грязью (особенно актуально для автомобилей, где он расположен очень низко и на него летит грязь с дороги), так что WD-40, щетки, тряпки и в путь. Задача кропотливая, но простая – труднее будет собрать потом все обратно.
В отличие от датчиков, экономический смысл ремонтировать гидроблоки есть – новые стоят примерно от 20 000 рублей и до бесконечности, а поломка может быть в дешевых щетках мотора. Правда, есть еще третий вариант – поискать блок на разборке, зачастую там можно купить деталь относительно недорого, но при этом самому не заниматься не самым простым ремонтом.
Договор купли – продажи и акт приема-передачи автотранспорта
Действия при моргании индикатора Для этого необходимо осуществить ряд действий:
