Когда Горит Лампочка Топлива Ваз 2107. Датчик детонации
Почему загорается чек на ваз 2107 инжектор. Почему горит лампочка инжектора
Здравствуйте, уважаемые автолюбители! Наверно многим из вас, во время вождения своего авто, немало портила настроение: то загорающаяся, то гаснущая, а то и горящая (без какой либо явной причины) «вечным огнем» лампочка Check Engine.
Что же не так? Ответ на вопрос — почему горит лампочка инжектора, сходу точно дать не смогут даже многие автогуру. Попробуем копнуть в структурном принципе неисправности.
Электронный блок управления (ЭБУ) вашего авто осуществляет контроль над двигателем посредством системы датчиков.Если загорелась лампочка , то это значит, что один или несколько параметров датчиков дали сбой, на что и соответственно реагирует ЭБУ.
Рассмотрим функции, возложенные на датчики инжектора. Зная о том, за что отвечают датчики, несколько проще судить о поведении своего автомобиля и делать выводы: либо самому устранить неисправность, либо обратиться на автосервис для .
Горит лампочка инжектора: что говорят датчики
Датчик коленвала — определяет скорость его вращения, положения, и, следовательно, расположения поршней в цилиндре. Работает датчик на основе электромагнитной индукции.
Если горит инжектор по причине срабатывания датчика коленвала, последствия при игнорировании могут стать следующими: работа мотора на холостых оборотах будет неустойчивой, а при выходе датчика из строя — двигатель может заглохнуть и не заводится вовсе.
Горит лампочка инжектора по причине , который отвечает за контроль регулирования газораспределения в каждом цилиндре двигателя. В этом случае ЭБУ переходит от фазового впрыска на резервный – так называемый попарно-параллельный режим.
Принцип работы датчика основан на эффекте Холла, датчик расположен на передней части блока со стороны входного коллектора. Характерными признаками неисправности являются повышение расхода топлива и неуверенный запуск двигателя.
Горит индикатор инжектора по причине показателей датчика температуры, предназначение которого: оценивать тепловое состояние двигателя. В этом случае ЭБУ выберет резервный режим, который подразумевает включение вентилятора охлаждения и приведение в действие высоких холостых оборотов. С отказом датчика, наблюдается затрудненный запуск двигателя и увеличение расхода топлива.
Датчик скорости — предназначается для оценки скорости движения. При его некорректной работе наблюдаются неустойчивая работа мотора, а при резком сбрасывании нагрузки мотор глохнет. Также наблюдается ухудшенная динамика, а маршрутный компьютер и электронный спидометр выдают ложные показания.
Датчиком кислорода — оценивается количество кислорода в выхлопных газах. Характерными факторами при его неисправности являются появление периодических колебаний при режиме холостого хода и увеличенное потребление топлива.
Помимо всего перечисленного причинами могут являться механические повреждения цепи (обрыв, замыкание), обрыв или проскок газораспределительного механизма, влага, перегрев и т.д.

Настройка датчика уровня топлива ваз 2107 инжектор
Почему горит лампа аккумулятора на ваз 2107 — АвтоТоп Таким образом, когда горит «чек энджин», понятно лишь то, что ЭБУ зафиксировал неисправность в одной из систем автомобиля. Полную же картину может дать только диагностика. Далее разберем основные причины, по которым светится лампочка «чек энджин», и что с этим нужно делать.
Можно ли ехать, когда горит Check Engine?
Если вам не удается самостоятельно найти причину, по которой возникает эта ошибка, обратитесь на СТО, там специалисты, используя специальное оборудование, без труда установят причину ошибки и помогут ее устранить.
Здравствуйте, уважаемые автолюбители! Наверно многим из вас, во время вождения своего авто, немало портила настроение: то загорающаяся, то гаснущая, а то и горящая (без какой либо явной причины) «вечным огнем» лампочка Check Engine.
Что же не так? Ответ на вопрос — почему горит лампочка инжектора, сходу точно дать не смогут даже многие автогуру. Попробуем копнуть в структурном принципе неисправности.
Электронный блок управления (ЭБУ) вашего авто осуществляет контроль над двигателем посредством системы датчиков.Если загорелась лампочка , то это значит, что один или несколько параметров датчиков дали сбой, на что и соответственно реагирует ЭБУ.
Рассмотрим функции, возложенные на датчики инжектора. Зная о том, за что отвечают датчики, несколько проще судить о поведении своего автомобиля и делать выводы: либо самому устранить неисправность, либо обратиться на автосервис для .
Горит лампочка инжектора: что говорят датчики
Датчик коленвала — определяет скорость его вращения, положения, и, следовательно, расположения поршней в цилиндре. Работает датчик на основе электромагнитной индукции.
Если горит инжектор по причине срабатывания датчика коленвала, последствия при игнорировании могут стать следующими: работа мотора на холостых оборотах будет неустойчивой, а при выходе датчика из строя — двигатель может заглохнуть и не заводится вовсе.
Горит лампочка инжектора по причине , который отвечает за контроль регулирования газораспределения в каждом цилиндре двигателя. В этом случае ЭБУ переходит от фазового впрыска на резервный – так называемый попарно-параллельный режим.
Принцип работы датчика основан на эффекте Холла, датчик расположен на передней части блока со стороны входного коллектора. Характерными признаками неисправности являются повышение расхода топлива и неуверенный запуск двигателя.

Указатель уровня топлива: проверка и замена датчика топлива
- Если катализатор вышел из строя, то заметить это можно не только при появлении значка двигателя, но и задолго до этого. Например, если мощность силового агрегата Ваз 2110 падает в 2 раза, то это может свидетельствовать о неисправности. Кроме того, поврежденный катализатор не даст автомобилю хорошо разогнаться.
Ваз 21074 инжектор горит лампа check engine Контрольная лампа резерва топлива при этом может как гореть так не гореть.
Замена датчика топлива
Снимаем пластмассовую накладку бензобака.
1) Отсоединяем два провода от выводов датчика, предварительно пометив их расположение.

Замена датчика топлива ВАЗ 2101-2107
2) Крестообразной отверткой ослабляем винт крепления хомута топливного шланга и снимаем шланг со штуцера топливозаборника.
3) Ключом на «7» отворачиваем шесть гаек и 4) аккуратно вынимаем датчик из бензобака.
Устанавливаем новый датчик в обратной последовательности.
5) Под одну из гаек датчика устанавливаем «массовый» провод.
Почему загорается чек на ваз 2107 инжектор. Почему горит лампочка инжектора
- Отсоединить минусовую клемму аккумулятора.
- Демонтировать обшивку багажника.
- Отсоединить провода и шланги от ДУТ.
- Открутить гайки крепления ДУТ.
- Извлечь датчик с поплавком из бензобака.
- Установить новую деталь в обратном порядке.
Указатель уровня топлива показывает пустой бак, что делать? Рассмотрим функции, возложенные на датчики инжектора. Зная о том, за что отвечают датчики, несколько проще судить о поведении своего автомобиля и делать выводы: либо самому устранить неисправность, либо обратиться на автосервис для .
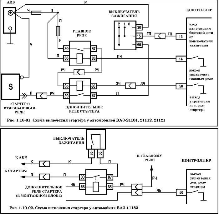
Несколько слов о том, как работает тандем аккумулятор-генератор
Каждому, даже начинающему водителю, известно о том, что аккумулятор взаимодействует с генератором. После запуска двигателя АКБ переходит в режим постоянной подзарядки. После того как обороты двигателя повышаются, возрастает и напряжение на выходе генератора, что не есть «гуд».
С целью предотвращения вышеописанного в цепи возбуждения ротора устанавливается небольшое реле-регулятор, задача которого – понижать ток до оптимального уровня независимо от числа оборотов двигателя. В результате напряжение поддерживается на необходимом уровне. Лампочка аккумулятора загорается в том случае, когда отсутствует зарядка от генератора.
Итак, смоделируем ситуацию. Вы завели мотор, но лампа аккумулятора не погасла. В чем дело?
- Неисправно реле-регулятор, диодный мост;
- Плохое натяжение ремня генератора, критический износ или проскальзывание ремня. Износ (люфт) подшипника генератора;
- Перегорел предохранитель или плохой контакт;
- Плохой контакт на клеммах АКБ, на выводе генератора или на проводе массы;
- Обрыв цепи возбуждения генератора, серьезный износ щеток генератора или щеткодержателей;
- Износ выключателя зажигания, как вариант, однако в данном случае гореть будет сразу несколько лампочек.

![]() |
| Фотография приборной панели автомобиля ВАЗ 2107. Цифрами обозначены: 1 — вольтметр; 2 — спидометр; 3 — одометр; 4 — тахометр; 5 — указатель температуры охлаждающей жидкости; 6 — эконометр; 7 — блок контрольных ламп. Лампа индикатора зарядки аккумулятора находиться в блоке контрольных ламп, третьей сверху. |
Загорелся чек двигателя на ваз 2107
Примечание. Нормальной считается изоляция (со значением сопротивления больше мегома) в 500 кОм или больше. Если значение ниже – провода нужно обязательно заменить, так как они пропускают ток.
Катализатор

Как заменить Датчик уровня топливо, это FLS на ВАЗ 2101-ВАЗ 2107?
- Ослабло натяжение ремня привода генератора или же ремень имеет предельный износ или порван
- Перегорел предохранитель или он имеет плохой контакт в гнездах монтажного блока
- Изношены щетки или наблюдается их заедание или зависание в направляющих щеткодержателя
- Неисправен реле-регулятор
- Обрыв в цепи возбуждения ротора генератора
- Обрыв, межвитковое замыкание или пробой обмотки статора
- Неисправность диодного моста (подковы)
- Неисправность дополнительных диодов
- Плохой контакт на клеммах батареи
- Плохой контакт на выводе «30» генератора
- Неисправен провод от аккумуляторной батареи до клеммы «30» генератора
- Отсутствует «масса» корпуса генератора или же плохой контакт с «массой»
Диагностика неисправности Рассмотрим функции, возложенные на датчики инжектора. Зная о том, за что отвечают датчики, несколько проще судить о поведении своего автомобиля и делать выводы: либо самому устранить неисправность, либо обратиться на автосервис для .
Указатель уровня топлива показывает пустой бак, что делать?
1. Проверяем исправность датчика указателя уровня топлива (ДУТ) в бензобаке.
Поднимаем заднее сиденье автомобиля. Снимаем лючок доступа к заборнику топлива в бензобаке. Включаем зажигание.
Причиной того, что указатель уровня топлива постоянно показывает пустой бак может быть заклинивание поплавка датчика в опущенном вниз положении, повреждение обмотки реостата или контактов внутри него. При возникновении таких проблем ДУТ лучше всего заменить на новый.

Положение деталей датчика уровня топлива (ДУТ) при пустом бензобаке
2. Проверка указателя уровня топлива в комбинации приборов.
Для проверки отсоединяем комбинацию приборов и не вынимая из нее колодок проводов включаем зажигание. После чего соединяем отрезком провода вывод указателя, связанный с выводом «13» в белой колодке с «массой» (вывод «11» для ВАЗ 2108, 2109, 21099 с «высокой» панелью).
Вывод указателя уровня топлива, соединенный с выводом «13» белой колодки проводов (розово-красный провод на ДУТ)
Если стрелка отклонилась в сторону полного бака, неисправна цепь от указателя до датчика («обрыв»).
Если стрелка не отклонилась, неисправен сам указатель или на него не поступает напряжение.
Выводы указателя уровня топлива в белой колодке комбинации приборов («низкая» панель)
Проверяем подачу напряжения на прибор. Для этого отсоединяем от комбинации белую колодку проводов и проверяем на ее выводе «12» наличие напряжения. «Масса» указателя — вывод «5». Для проверки можно использовать вольтметр или контрольную лампу. В комбинации автомобиля ВАЗ 2108, 2109, 21099 с «высокой» панелью вывод красной колодки «7» — «масса» указателя, а вывод «2» — «плюс».
Проверка подачи напряжения на указатель уровня топлива при помощи контрольной лампы. Горит — напряжение есть, не горит — напряжения нет.
Если с напряжением все нормально, заменяем прибор. Если его нет, ищем причину исчезновения по схеме. См. «Схема подключения датчика уровня топлива на ВАЗ 2108, 2109, 21099».
— На автомобилях ВАЗ 2108, 2109, 21099 и их модификациях применяется датчик уровня топлива 24.3827 и его разновидности. Характеристики его следующие: напряжение -12 В, полное сопротивление реостата-350 Ом, длина рычага поплавка-115 мм, угол наклона рычага при пустом баке-27,5 градусов.
Горит лампочка инжектора: что говорят датчики
Некачественное топливо Если вам не удается самостоятельно найти причину, по которой возникает эта ошибка, обратитесь на СТО, там специалисты, используя специальное оборудование, без труда установят причину ошибки и помогут ее устранить.
Как производится замена датчика уровня топлива ваз 2107
После диагностики, когда нам уже ясно, что причина именно в измерителе уровня бензина, расположенном в баке, приступаем к замене. Итак:
- Поэтому если важно произвести работу, связанную с разгерметизацией топливной системы (замена форсунок, топливного фильтра, и т.п.), и она производится на остановленном только что инжекторном двигателе, нам необходимо сбросить давление топлива в системе питания, чтобы не ждать 2-3 часа
- Замена датчика топлива на ваз 2107 начинается с отсоединения провода «минус» от клеммы аккумуляторной батареи
- Затем вынимаем предохранитель F3 (это предохранитель цепи бензонасоса) из блока предохранителей
- Потом реле из системы управления инжекторного двигателя автомобиля ваз 2107.
- Подключаем провод к выводу аккумулятора и запускаем инжекторный двигатель, даем ему поработать, пока не выработает топливо в системе питания.
- Выключаем зажигание автомобиля.
- Возвращаем предохранитель на место.
- Снимаем колодку с проводами и отсоединяем шланги от трубок электрического бензонасоса
- Отсоединяем хомут крепления, и отводим верхнюю часть бака влево
- Воспользовавшись ключом на 7, откручиваем восемь гаек крепления по периметру фланца топливного модуля, которыми он крепится к топливному баку
- Приподнимаем топливный модуль и, наклоняя его, выводим поплавок датчика, указывающего уровень топлива, из отверстия

#3 Eugen[kgn]
- Скользящий контакт реостата передвигается рычагом поплавка.
- Когда понижается уровень топлива, поплавок в датчике опускается.
- При этом увеличивается сопротивление реостата за счет подвижного контакта на поплавке.
- Напряжение на указателе при этом падает, и его стрелка перемещается в направлении «0»(Пусто).
- На конце рычажка расположен дополнительный контакт, который замыкает цепь лампочки сигнализатора, если в баке машины остается 4-6 литров топлива.
- На определенных моделях в таком положении замыкается специальный сигнальный контакт, на приборной панели загорается сигнальная лампочка об использовании резервного запаса топлива.
Подводим итоги Уровень в баке низкий, поплавок опущен – сопротивление большое 285-335 Ом (стрелка указателя уровня топлива на нуле), стрелка указателя показывает пол бака – сопротивление 100-135 Ом, полный бак (стрелка до отказа вправо, поплавок поднят)– 7-25 Ом.

