Не Горит Лампочка в Салоне Ваз 2107 © Повреждение проводки
Автомобиль ВАЗ 2123, носящий название Шевроле Нива, получил широкое распространение в последнее десятилетие. Основными характеристиками модели ВАЗ 2123 являются полный привод на все колеса автомобиля, двухступенчатая раздаточная коробка и управляемый дифференциал, который можно блокировать, в зависимости от потребности.
Бензиновый двигатель автомобиля состоит из 4 цилиндров объемом 1.7 л. Модели, выпущенные после 2010 года, более стильные и современные, однако главная суть автомобиля не поменялась – ВАЗ 2123 очень практичен для нынешнего состояния дорог. Широкое применение автомобиль получил в основном в сельской местности, однако и в городах его также можно часто встретить.
Рекомендуем Вам специальный солнцезащитный козырек для автомобилей.

ВАЗ 2114: не горит свет в салоне – ТОП 3 причины
Не работает свет в салоне ВАЗ-2115 возможные причины Основными причинами отсутствия освещения внутри автомобиля являются:
Габаритные огни
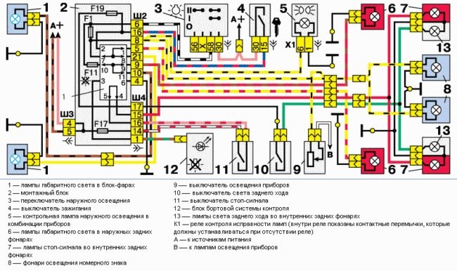
Габариты на ВАЗ-2107 включаются крайним левым из четырёх клавишных переключателей, расположенных под рычагом управления коробкой передач. Этот выключатель — трёхпозиционный: габаритный свет вместе с освещением номерного знака и подсветкой приборов включается во втором положении.

Габаритные огни включаются трёхпозиционным переключателем, расположенным под рычагом переключения скоростей
На блоке предохранителей, который расположен под капотом автомобиля возле лобового стекла ближе к пассажирскому сиденью, предохранители задних габаритов установлены под номерами F14 (8А/10А) и F15 (8А/10А). При этом предохранитель F14 отвечает за работу габаритных огней левой передней фары и правого заднего фонаря, а также:
Предохранитель F15 установлен в цепи габаритных огней правой передней фары и левого заднего фонаря, а также:
Если не работает одна из этих ламп, следует убедиться в целостности предохранителей F14 и F15.
Задние фонари ВАЗ 2107: схема подключения, неисправности, замена и ремонт, инструкции с видео и фото
- стоп-сигнала (красный);
- габаритных огней (коричневый);
- противотуманных ламп (оранжево-чёрный);
- лампы заднего хода (зелёный);
- указателя поворотов (чёрно-голубой).
Установка плафона освещения от Калины в ВАЗ-2107. Тюнинг салона ВАЗ 21074 2006 Плафон заводской,но внутри плата диодная стоит,и ещё не горит так же маленькая крутяшка освещения. Двери все открываешь в салоне пиликает что двери открыты и показывает тоже что дверь открыта.Сигналка норм.работает,а все началось после мойки
Починка света в ВАЗ-2115

Иногда автолюбители сталкиваются с такой проблемой, что освещение салона ваз 2114 перестает работать исправно. Такая неприятность, безусловно, может вызывать большие трудности при поездке в ночное время, и поэтому она должна быть как можно быстрее устранена. О том, как это сделать, мы и поговорим в сегодняшней статье.
Не горит плафон освещения салона ваз 2114 | Хитрости Жизни
- экономичность;
- наличие трех настраиваемых режимов освещения с функцией памяти;
- задержка перед выключением (на 7 секунд) с последующим плавным выключением подсветки;
- функция автоматизированного выключения освещения при незакрытой либо неплотно закрытой двери после получаса с момента включения (что очень удобно, если вы оставили дверь открытой и не выключили освещение).
Схема освещения салона ВАЗ 2123 – устраняем неисправности Видео » АвтоНоватор По возвращению обратил внимание на то, что свет в салоне остался включённым. В голове прокрутилось сразу несколько вариантов развития событий: недозакрыл дверь (хотя вряд ли), какой то из концевиков заглючил, либо кто то пытался влезть, и опять таки дверь открыта (всё это одновременно). Сердце начинает биться сильнее.
Почему не горит свет в салоне (основные причины)

Схема электрооборудования автомобиля, которую необходимо изучить прежде, чем приступать к работе
Освещение салона автомобиля – это часть электрики, а поэтому, в любом случае, стоит проблему искать именно в этой части машины. Конечно, рекомендуется изучить, хотя бы поверхностно, технические схемы электрики, чтобы быть хоть немного в теме.
Итак, что же понадобиться? Подробная схема электроузлов автомобиля, немного смекалки и минимальный набор инструментов. Рассмотрим места, где может скрываться проблема:
Чиним свет и знакомимся с электрикой
Поскольку определены основные места неисправности, можно смело перейти непосредственно к методам решения проблемы. Стоит отметить, что с автомобильной электрикой — не все так просто, но поскольку это ВАЗ-2114, то здесь можно сказать всё предельно ясно. Перейдём к методам решения проблемы.
Лампочка
Первое, что необходимо проверить – это лампа освещения, поскольку именно её перегорание могу стать причинно того, что пропал свет в салоне автомобиля.
Для того чтобы её достать придётся снять крышку плафона. После этого необходимо проверить есть ли нить раскаливания, и вставить лампу в контрольно-измерительный прибор или просто подключить к АКБ. Если лампа загорелась, то причина неисправности не в ней.
Плафон
Неоднократно, причиной неисправности становился сам плафон, где просто поплавилась контактная группа и замкнула, что вызвало перегорание или сгоревший предохранитель.
Для его диагностики потребуется демонтировать с автомобиля и визуально осмотреть. А также рекомендуется прозвонить контакты, идущие от лампы к проводке.
ВАЗ 2114: не горит свет в салоне – ТОП 3 причины
Перегорела лампа

Основной блок с предохранителями и реле
- подсветка приборной панели (о ней, а также о ее неисправностях, мы уже говорили ранее, поэтому сегодня на ней подробно останавливаться не будем);
- главный плафон освещения салона ваз 2114;
- лампы для индивидуальной подсветки;
- подсветка бардачков и прикуривателя.
Тюнинг освещения скорей всего концевики, согласен с AIex.запасись сразу на всякий случай клипсами
Не работает свет в салоне
Рано или поздно большинство владельцев автомобилей сталкивается с тем, что перестает работать освещение салона. Рассмотрим причины этой неисправности и разберемся, что делать в том или ином случае.
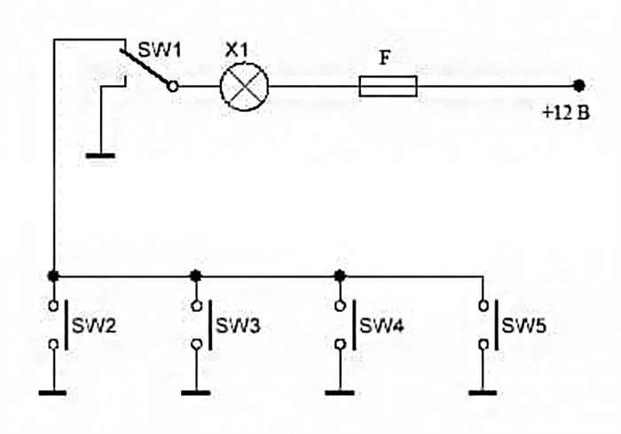
Чтобы понимать, где искать причину поломки, нужно понимать, как вообще работает система освещения салона. Перед вами типичная упрощенная схема. В нее может быть включено еще много различных устройств, но автомобили разные и нарисовать схему под каждый конкретный экземпляр нельзя. В большинстве случаев свет в салоне подключен так:
А теперь пройдемся по причинам, которые могут вызвать отказ салонного освещения.
Причина №1: Перегоревшая лампочка
Очень просто и элементарно, однако некоторые автовладельцы начинают поиск «неисправности» в глубинах электрики. Не надо – просто проверьте лампу. Можно просто посмотреть на нить, а можно и прозвонить тестером. Последний вариант гораздо точнее поможет определить перегоревшую лампочку – иногда сгорает не спираль, а контакт внутри цоколя и с виду все выглядит вполне исправно.
Причина №2: Перегоревший предохранитель
Вторая причина, по которой может не работать свет в салоне – сгоревший предохранитель. Практически всегда салонное освещение «делит» предохранитель с другими устройствами. Поэтому если вместе со светом перестали работать, например, часы или магнитола, то вероятность сгоревшего предохранителя крайне велика.
Найдите нужный предохранитель в соответствующем блоке и убедитесь в его целости. Если предохранитель все же сгорел, вероятно, для этого есть причина – короткое замыкание. Поэтому, не факт, что после вставки нового предохранителя все заработает. Вполне возможно, что он тут же сгорит. Если это произошло – замыкание точно есть. Нужно узнать, как найти короткое замыкание в автомобиле
В то же время не всегда перегорание предохранителя происходит по причине «коротыша». Его перемычка может быть просто старой (уставшей) или сделанной из некачественного материала.
Причина №3: Окислившийся контакт
Контактов в цепях освещения салона предостаточно. Но больше всего окислению подвержены контакты внутри плафона и концевики дверей. Концевики очень часто окисляются во многих российских автомобилях, так как не имеют резинового кожуха.
Причина №4: Перебитый провод
Чтобы найти место перебоя провода, потребуется тестер. С его помощью проверьте нужно прозвонить каждый участок электрической цепи, начиная от плафона к блоку предохранителей.
«Вычислить» некий электронный блок, который мешает свету работать можно тем же тестером. Грубо говоря, если напряжение по проводу салонного освещения входит в этот блок, но не выходит, значит, внутри присутствует электрический обрыв. Диагностику сложных электронных устройств лучше доверить специалистам.

Устройство и характерные неисправности задних фонарей ВАЗ-2107
Ремонт и обслуживание своими руками. Советы новичкам и профессионалам. Замена топливного фильтра на Ниве Шевроле….
Нет массы

Стоп-сигнал
- центральная точка на потолке или точки на боковых центральных стойках – свет распространяется по всему салону и является основным внутренним источником для пассажиров или водителя;
- область для ног – присутствует в автомобилях для переднего пассажира и водителя;
- бардачок – освещение помогает быстро обнаружить небольшие вещи или документы;
- зеркало под козырьком от солнца – актуально для макияжа или для проверки осмотра лица;
- зона дверной кучки или кнопки – подсветка помогает быстро закрыть/открыть дверь;
- багажный отсек – иллюминация здесь помогает найти нужные вещи или инструменты, которые здесь должны находиться;
- боковые дверные фонари – располагаются в дверях, загораются после открытия и горят до плотного закрытия дверей.
Причины неисправности Это не концевики. Пять из строя одновременно не выйдут.
Бортовой журнал ВАЗ 21074 (2006 г.)
Давно уже лежал без дела купленный на разборке плафон от «Калины», и прошлой осенью руки, таки, дошли до его установки.
Решил его ставить так как бокового света не хватало, ничего толком не видно вечером, да, и плафоны эти постоянно отказывали, сколько их не зачищай и не поджимай контакты. Поэтому, решил установить данный плафон в накладку потолка, как многие делают, а боковые просто отключить.

Для этого снял накладку, в основе она имеет металлический лист, а поверх него что-то вроде плотной монтажной пены под пластиком.
Снял крышку плафона, обвел по контуру, затем нарисовал еще один на 8 мм меньше и вырезал до металла.
Пластиковое покрытие стало уже достаточно хрупким, поэтому без косяков и трещинок не обошлось, но плафон их потом закроет.
Так как ножки упирались в пластины, то обрезал и их.
Вычистил пену под различные выступы плафона, да, и его кое-где пришлось подрезать немного. Затем, в металл стала упираться защитная крышка контактной пластины плафона, под нее вырезал отверстие, металл довольно мягкий, хорошо режется обычной пилкой.
Все хорошо подогнал заподлицо, отрезанные ножки перевернул и вставил с другой стороны, обрезал — они как раз послужат шайбочками под саморезы, еще одно отверстие под саморез просверлил сверху в выступе плафона. Прикрутил предварительно саморезами, а торчащие концы с другой стороны обрезал с запасом в 1-2 мм.
Так как в плафоне много голых контактов, то решил, на всякий случай, заизолировать пластину армированным скотчем, обклеил ее с обеих сторон. Также, смотал провода в жгут и припаял к ним клеммы, подключил к контактам фишки, оставил достаточный запас по длине, чтобы можно было снять плафон и отцепить при необходимости.
Подключение достаточно простое — всего 3 контакта.
Подключать решил к контактам бокового плафона, чтобы не искать жгут в торпеде и не резать там провода. Для этого понадобятся 2 провода по 2 м и один короткий «массы» длиной 20-30 см, провода взял сечением на 1.5 мм, хотя, достаточно и на 0,5-0,75 мм. Длинные протянутся к боковому плафону под обивкой потолка, а короткий «массы» прикрутим тут же к болту крепления зеркала заднего вида.
Повреждение проводки
Тюнинг задних фонарей ВАЗ-2107 Помимо основного плафона, за освещение салона «четырки» отвечают следующие источники света: приборная панель, лампочка в бардачке, небольшой плафон для водителя (рыбий глаз).
Повреждение проводки
Последняя и самая нежелательная причина неисправности – обрыв проводки выключателя. При отсутствии видимых повреждений проводки найти место обрыва без «прозвонки» сложно. Если обрыв удалось найти – следует полностью заменить провод, а не пытаться склеить его изолентой, т.к. укорачивание проводов ведет к изменению сопротивления.
Также причиной некорректного срабатывания бывает окисление контактов внутри корпуса осветителя. Достаточно зачистить и вернуть все пластины в заводское положение. Для проведения замены проводки освещения в сборе понадобится схема подключения салонного света. Ниже представим схему в подробностях.

Для полного разбора схемы разберем обозначения:
Проверка неисправности должна производиться с изучения предохранителя и лампочек. Лишь после этого стоит искать причину проблемы в концевиках и провдке.
Схема подключения
- Проверить работоспособность лампы. Если она не загораются, значит предохранитель неисправен и следует его заменить. Если же стоп-сигнал работает исправно, то с предохранителем все в порядке и надо искать дальше.
- Проверить, в каком состоянии лампочка, если она исправна, значит надо проверить контакты и концевики на стойках дверей. Если была установлена светодиодная лампа, то поменять полярность, возможна была перепутка при установке.
- На контактах надо замерить ток, поступает он или нет. Если тока нет, то надо прозванивать всю цепь, возможен пробой в проводке.
- Концевики на дверных стойках следует проверять очень внимательно, специалисты и многие из тех, кто общается на форумах говорят о том, что именно в этом месте часто бывают неполадки. Возможен просто плохой контакт, который надо подрегулировать.
Плафон При неисправности подсветки любого прибора салона первым делом нужно проверить предохранители. Схема освещения ВАЗ имеет слабое звено — выключатели освещения салона. Возникает поломка в результате недостаточно плотного закрывания дверей в автомобиле, или выхода из строя дверных выключателей.