Ошибка 0118 на Ваз 2112 16 Клапанов… Дроссельная заслонка
Коды ошибок комбинации VDO на панели приборов ВАЗ 2110
- если остается 0, то ошибки отсутствуют;
- при появлении 1 — говорит о неисправности микропроцессора;
- обрыв цепи датчика указателя уровня топлива;
- ошибка 4 — повышенное напряжение питания бортовой сети свыше 16 Вольт;
- ошибка 8 — пониженное напряжение, менее 8 Вольт;
- при нескольких неисправностях одновременно может выдаваться цифра, которая будет являться суммой вышеприведенных кодов, например 6 (2+4), 10 (2+8), 12 (4+8) или 14 (2+4+8).
Если говорить откровенно, то особой полезности данные коды неисправностей ни приносят. Если сравнивать с показаниями специальных бортовых компьютеров, типа ШТАТ, то там конечно в десятки раз больше полезной информации и различных данных. Но об этом поговорим как-нибудь в следующих статьях.

Ошибки панели VDO и коды неисправностей на ВАЗ 2110-2112
18 comments on “ Ошибка р1621. Адмирал выложи как перевести ошибки Р0601 и Р1621 ошибка ОЗУ очень срочно ”

Ошибка 1621 ваз 2110 как ее устранить — АвтоТоп
Ошибка 4 на ВАЗ 2112 Европанель: простые способы устранения неисправности – Прокачай АВТО Ваз 2115i 2001г.в.,подскажите пожалуйста,почему при самодиагностике с ЖК панели у меня невысвечиваются ошибки,это после всех тестов что проводит система(подъём стрелок,лампы индикации и т.д.),после чего нужно нажимать кнопку сброса ещё раз,отображается номер версии и затем ошибки,но ничего этого нет,хоть check и горит.Помоготи кто,что знает или сталкивался с подобной ситуацией.Спасибо!
Расшифровка кодов ошибок электронного блока управления ВАЗ
Видео самых распространенных ошибок ВАЗ Калина:

Ты знаешь, похоже очень на ДМРВ. : Код ошибки 1621 — ошибка ОЗУ. Стоит сигнализация — летом такого не было, прогрессирует с холодами.
Утром затрудненный пуск двигателя (ВАЗ-21102 98г. БОШ154 8кл. Без дат. Кислор. ) заводишь, задержка в схватовании, потом схватывает выходит на 1500об. Работает 30с.
+++ Это ИМХО нормально. У меня так же. И у большинства тоже.
Прошивка по моему M1V13O54, дата ПЗУ 30/09/97 код прогр. 1037358338, код бл. Управ.
0261204722. При замере СО = 0,69 СН = 184, дальше СО само начало расти
до 222. Потом начало падать. Может потенциометр — шизит или сам блок? +++ Вот это на ДМРВ смахивает. У меня тоже ДМРВ глючил, так СО бегало как сумашедшее. Фильтра топл.
, воздуш. Свечи по 10 т. Км. Пробег авто 57000, комперссия 12оч. Во всех цилиндрах, мерил на 50000, тогда же и отрегулировал клапана. Сами свечи БОШ VR9DS, стояли VR7DS 4-х кантактные.
Бензин 95. Модуль зажигания проверял — искра в норме, менял на новый — тоже самое. Нагар на свечах рыжий. Диагностика показывает все датчики в норме. Но двигатель поджирает топлива 10л.
На 100км. При более или менее спокойном движении по городу. Если вжаривать то 13л. Пропала примистость, дольше по времени выходит на 120км. /ч. , как будто, кто то держит авто за задницу.
Адмирал выложи как перевести ошибки Р0601 и Р1621 ошибка ОЗУ очень срочно надо таз 2110.Ошибка р1621.
Похожие статьи
18 comments on “ Ошибка р1621. Адмирал выложи как перевести ошибки Р0601 и Р1621 ошибка ОЗУ очень срочно ”
0601 Проблема с ЭБУ, чисти EEPROM!
1621 В основном падение напряжения в машине. Если есть саб, ставь стабилизатор. Если нет, ищи проблему просадки
Первая выдача в гугле. Ну йобана, сколько ж можно уже то?
А с 1602 на ваз 2114. Что делать? Говорит замыкание бортсети на эбу
Евгений, ты о чем? Это так то когда клемы снимаешь
Дмитрий, то есть это из за того что часто снимаешь клему с аккума?
Евгений, да. У меня тоже 2114 и постоянно ошибка 1602 вылазит как клеммы снимаю
Ошибка 14 ваз 2112 — Автомобильному мастеру
- — выключить зажигание
- — нажать и удерживать кнопку «Reset» плюс включить зажигание, запустится контроль ЖКИ
- — нажать любую кнопку ЖКИ выйдет версия программы
- — нажать повторно любую из кнопок управления, на позициях первой и второй строки ЖКИ должны отобразиться коды ошибок
- — нажать и удерживать кнопку «Reset» более 3 сек. для обнуления кодов ошибок
- — нажать любую из кнопок управления для контроля ЖКИ
Как лечить ошибку 0171 бедная смесь ВАЗ-2112 16 клапанов: рекомендуемая последовательность действий и распространённые неисправности, советы мастеров Начнем с того, что инжекторный двигатель не только управляется при помощи ЭБУ, но и оснащен системой самодиагностики. В свою очередь, система способна фиксировать неисправности и сбои, после чего записывать их в память контроллера. При этом ошибки записываются в виде кода. На деле, при сканировании можно считать код: p0172 ошибка, p0170, p0174 и т.п.
Причины неисправности контактных датчиков
Основная причина выхода из строя – износ резистивных дорожек, приводящий к полному или частичному разрыву электрической цепи. Это приводит к передачи неправильных данных ЭБУ.

Причины неисправности контактных датчиков:
- Износ резисторного слоя — приводит к потере электрического контакта. Это может произойти как в начале движения ползунка (характерно при пониженном напряжении на выходе датчика), так и на другом участке дорожек.
- Облом или износ наконечника.
- Износ приводных шестерен.
- Замыкание сигнальной или электрической цепей.
- Обрыв проводки, особенно это касается автомобилей ВАЗ, у которых провода не отличается надежностью.
- Окисление контактов и загрязнение разъемов.
Большинство причин диагностируется визуально после разбора устройства и с помощью мультиметра.
Что касается ошибки P2135, про которую упоминалось в предыдущем разделе, ее причины:
- плохая «масса» контакта ЭБУ;
- окисление контактов в разъеме;
- неисправность главного реле;
- короткое замыкание и другие причины.
Как сбросить ошибки на ВАЗ 2110
- код 0335 говорит о неисправности датчика положения коленвала. Поэтому, увидев на компьютере 0335, нужно проверить, идет ли сигнал от этого датчика. Обнаружив, что сигнал слабый, можно помочь изменением расхода воздуха, если он чрезмерный (выше максимума). После этого ошибка 0335 должна исчезнуть;
- увидев ошибку 0340, знайте, что, скорее всего, неисправен датчик положения распредвала. Хотя на самом деле, если даже высвечивает 0340, сам распредвал может быть исправным, автомобиль работает, как обычно. А вот когда цифры 0340 не исчезают во время работы двигателя, следует тщательно осмотреть данный узел.
Как определить, что смесь богатая Если все сделано правильно, на приборке загорится один из перечисленных символов:
Расшифровки кодов ошибок ВАЗ 2110
Далее рассмотрены расшифровки кодов ошибок ВАЗ 2110, встречающихся наиболее часто. Для удобства чтения, информация разбита на логические блоки.
Поломки датчиков

Номера ошибок ВАЗ 2110 для силовой установки
Поломки электронных узлов и агрегатов
- 0351/0352 – обрыв управления катушками зажигания № 1 и 2 соответственно;
- 0480 – цепь реле главного вентилятора обесточена;
- 0560 – в бортовой сети присутствуют перепады напряжения;
- 0562/563 – сильно упало/подскочило напряжение в штатных цепях;
- 0601 – ошибка модуля постоянной памяти;
- 0603 – аналогично для оперативки;
- 0615 – реле стартера повреждено или разорвана проводка;
- 0628 – КЗ реле бензонасоса;
- 0650 – ошибки чека ВАЗ 2110, обрыв питания соответствующей лампы;
- 1336 – установлен неподходящий контроллер, возможно повреждены пины штатного разъема;
- 1425 – клапан продувки адсорбера, КЗ на кузов;
- 1541 – модуль реле управления топливным насосом – повреждена проводка;
- 1570 – цепь иммобилайзера повреждена;
- 1600 – поврежден или деактивирован вышеуказанный элемент;
- 1603 – внутренняя часть памяти микропроцессора повреждена;
- 1612 – сброс ошибок – отказ процедуры;
- 1620 – внутренний модуль памяти – присутствует дефект;
- 1621 – аналогично для оперативки;
- 6060 – процессор ЭБУ неправильно работает;
- 2ААА – модуль управления кузовом отказал;
- U3FFF – ЭБУ сломан или обесточен.
Бедная смесь ошибка P0171
- Р – отказ или нарушение в работе силовой установки, трансмиссии;
- В – кузовные системы повреждены;
- С – обнаружена проблема в ходовой части автомобиля;
- U – нарушение сопряжения разных модулей.
Устранение ошибки слишком богатая смесь Чтобы запустить эту функцию, необходимо удерживая кнопку сброса суточного пробега, включить зажигание автомобиля. Чтобы долго вы не думали, что и как делать, советую посмотреть подробный видео обзор, который я записал для данной темы. Видео сделано на примере ВАЗ 2112.
Коленчатый и распредвал
- код 0335 говорит о неисправности датчика положения коленвала. Поэтому, увидев на компьютере 0335, нужно проверить, идет ли сигнал от этого датчика. Обнаружив, что сигнал слабый, можно помочь изменением расхода воздуха, если он чрезмерный (выше максимума). После этого ошибка 0335 должна исчезнуть;
- увидев ошибку 0340, знайте, что, скорее всего, неисправен датчик положения распредвала. Хотя на самом деле, если даже высвечивает 0340, сам распредвал может быть исправным, автомобиль работает, как обычно. А вот когда цифры 0340 не исчезают во время работы двигателя, следует тщательно осмотреть данный узел.
На неполадки электрооборудования ВАЗ 2110 следует реагировать по возможности быстро. Кстати, об этом может сигнализировать код 1602, хоть его расшифровка звучит как пропадание напряжения бортовой сети в ОЗУ.
Иногда бывает достаточно сбросить ошибку 1602, и она больше не появится. Кое-кто называет эти цифры «добрыми», 1602 может появиться после отключения АКБ, из-за скачка напряжения при запуске двигателя (например, в холод). Однако если 1602 «выскакивает» постоянно, нужно искать обрыв сети.
Вначале попробуйте зачистить аккумуляторные клеммы, хорошо их закрепить. Не помогло? Проверьте цепь, начиная от «+» АКБ, обязательно – предохранитель, плавкую вставку.

А также осмотрите массу ЭБУ, ДПДЗ. Бывают случаи, когда код 1602 появляется из-за того, что охранная сигнализация блокирует цепь контролера, а он каждый раз выдает это, как ошибку. Следует обратиться к установщику именно вашей сигнализации.
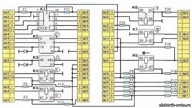
Расположение реле и предохранителей в монтажном блоке К1 – реле контроля исправности ламп; К2 – реле очистителя ветрового стекла; КЗ – реле-прерыватель указателей поворота и аварийной сигнализации; К4 – реле включения ближнего света фар; К5 – реле включения дальнего света фар; Кб – дополнительное реле; К7 – реле включения обогрева заднего стекла; К8 – резервное реле; F1 – F20 – плавкие предохранители. |
Расшифровки кодов ошибок ВАЗ 2110
Что означает ошибка p0172 Неверный сигнал датчика положения коленчатого вала
Что значит ошибка 4?
Код неисправности 4 свидетельствует о некорректном функционировании регулятора контроля температуры хладагента. В большинстве случаев этот код загорается на приборной панели, если на протяжении 20-30 секунд электронный блок управления фиксирует обрыв в проводке регулятора.
- Проанализировав вашу проблему, мы обратились ко многим источникам в интернете и проконсультировались с владельцами Лад Калин. Как выяснилось, цифра 4 часто появляется на панели приборов, это можно считать одной из наиболее распространенных ошибок в этих транспортных средствах. Замена регулятора температуры антифриза в системе охлаждения в некоторых случаях поможет статья причиной пропадания ошибки. Однако, как утверждают большинство калиноводов, по факту в большинстве случаев не дает хорошего результата.
- Если верить отзывам автолюбителей, то такая ошибки, как правило, проявляется в основном во время холодов. Если нет никаких предпосылок к поломкам, то, возможно, у вас нет причин для беспокойства.
- Вполне вероятно, что со временем эксплуатации автомобиля сам датчик окислился. В результате образуется плохой контакт, не позволяющий передавать сигнал в нормальном режиме. Иногда такое случается после того, как вы помыли машину. Рекомендуем вам произвести визуальную диагностику регулятора — если вы заметили, что контакт действительно окислился то его необходимо зачистить.
- При наличии прозвонки, если очистка контактов не помогла, необходимо прозвонить автомобильную проводку. Вполне возможно, что причиной появления кода на приборке служит обрыв проводки или замыкание. В случае с обрывом достаточно будет заменить провода, либо же устранить причину замыкания.
Если вы поменяли датчик, заменили провод и зачистили контакт, а проблема все равно осталась, рекомендуем вам произвести более детальную компьютерную диагностику. В отечественных авто часто случается так, что при некорректной работе блока управления на экране могут появляться ошибки, которых по факту нет.

Чтобы разобраться в этом, необходимо полностью считать все коды с бортового компьютера и затем делать выводы.
Дроссельная заслонка
1. Удерживая в нажатом состоянии кнопку сброса суточного пробега, включить зажигание в положение 1. На ЖКИ засветятся все позиции знакомест (одни 8888), стрелочки начнут все двигаться, что говорит о готовности к тестированию
Кислородный датчик

Поломки электронных узлов и агрегатов
Как проводится диагностика кода ошибки P0172? Как одно, так и другое, естественно, не есть хорошо. Особенно если показания бортового компьютера сопровождаются повышенными оборотами на холостом ходу, рывками на малых оборотах и провалами. В таком случае замена датчика не всегда помогает.