Бортовой Компьютер Ваз 2110 Ошибка 1602 • Рекомендуем посмотреть
Ваз 2112 коды ошибок
Таблица 9-3 Коды неисправностей контроллера типа “Январь-4”
Исправность диагностической цепи контрольной лампы
Высокий уровень сигнала датчика температуры охлаждающей жидкости
Низкий уровень сигнала датчика температуры охлаждающей жидкости
Неверный сигнал датчика положения коленчатого вала
Завышенное напряжение сигнала датчика положения дроссельной заслонки
Недостаточное напряжение сигнала датчика положения дроссельной заслонки
Отсутствует сигнал от датчика скорости автомобиля
Высокий уровень сигнала СО-потенциометра
Низкий уровень сигнала СО-потенциометра
Неверный сигнал датчика массового расхода воздуха (высокая частота сигнала на выходе датчика)
Неверный сигнал датчика массового расхода воздуха (низкая частота сигнала на выходе датчика)
Ошибка программируемого постоянного запоминающего устройства (ППЗУ)
Ошибка электрически программируемого запоминающего устройства (ЭПЗУ)
Считывание кодов – ошибок на автомобилях ваз 2110, ваз 2111, ваз 2112
Приветствую! Меня зовут Михаил, сорян, что не по теме, хочу высказать свою благодраность Вам и вашему сайту. Благодаря вам самостоятельно удалось вывести царапины, которые поставила жена на парковке.

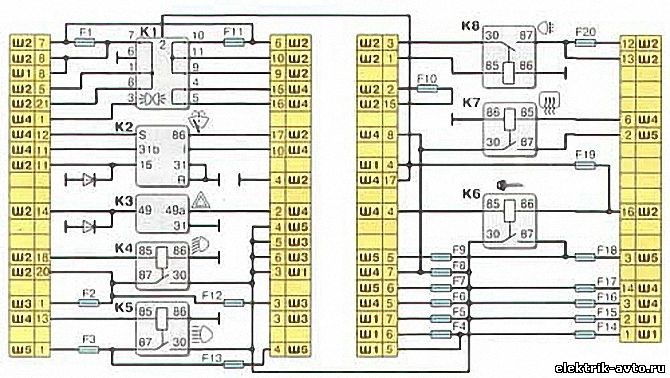
| Расположение реле и предохранителей в монтажном блоке К1 – реле контроля исправности ламп; К2 – реле очистителя ветрового стекла; КЗ – реле-прерыватель указателей поворота и аварийной сигнализации; К4 – реле включения ближнего света фар; К5 – реле включения дальнего света фар; Кб – дополнительное реле; К7 – реле включения обогрева заднего стекла; К8 – резервное реле; F1 – F20 – плавкие предохранители. |
Что делать, если пропала искра в автомобиле ВАЗ 2110?
- код 0335 говорит о неисправности датчика положения коленвала. Поэтому, увидев на компьютере 0335, нужно проверить, идет ли сигнал от этого датчика. Обнаружив, что сигнал слабый, можно помочь изменением расхода воздуха, если он чрезмерный (выше максимума). После этого ошибка 0335 должна исчезнуть;
- увидев ошибку 0340, знайте, что, скорее всего, неисправен датчик положения распредвала. Хотя на самом деле, если даже высвечивает 0340, сам распредвал может быть исправным, автомобиль работает, как обычно. А вот когда цифры 0340 не исчезают во время работы двигателя, следует тщательно осмотреть данный узел.
Перезаряд аккумулятора от генератора, прыгает и повышенное напряжение в бортовой сети автомобиля Приводим расшифровку схемы подключения генератора на десятке:
Нет контакта
Стартер заводится с трудом, перед этим щелкает. Сначала вы лишь слегка встревожены, а ситуация повторяется вновь и вновь: сначала щелкает, и только потом крутит двигатель.
А вы давно осматривали контакты? Начинать нужно с аккумулятора, может, стартер вините напрасно, а причина в окислении клемм. Прочистили их, а стартер снова щелкает? Нужно проверить, как у вашего ВАЗа контакт массы с кузовом, а затем и контакты самого стартера, ведь они также склонны к окислению.
Еще один метод проверки: попросите кого-то повернуть ключ зажигания, а сами в это время постучите по реле, только твердым предметом. Если заводится, значит, замыкающие контакты (пятаки) залипают, и легче поменять реле, чем заниматься его разборкой и ремонтом.

Тускло горит лампа зарядки аккумулятора на ВАЗ 2110: причины, что делать?
2. измерять под нагрузкой на ХХ — т.е. включить БСФ, вентилятор печки, обогрев заднего стекла.
Рекомендуем посмотреть:

Не крутит стартер ВАЗ 2110 из-за проблем с электрикой автомобиля
- При повороте ключа в замке зажигания вы слышите скрежет в области моторного отсека. Это прямо указывает на неисправность бендикса (обгонной муфты) или маховика. Именно эти детали и нужно заменить.
- Щелчки при отказе стартера в работе означают неисправность реле.
- Натужный запуск двигателя является свидетельством выхода из строя щеток стартера.
Плохая зарядка на ВАЗ 2110 инжектор причины: прыгает напряжение генератора
kostjan79 15 Фев 2015
Если пропала искра?
В случае если мотор не заводится, но при этом издаются звуки, говорящие о том, что насос для топлива работает, следует обратить внимание на работу зажигания. В первую очередь следует проверить, не пропала ли искра на проводах с высоким сопротивлением. Для этого необходимо обязательно использовать разрядник, а также Датчик Холла, который проверяет наличие магнитного поля.

Датчик Холла
Не стоит и возможности обрыва проводов с высоким сопротивлением. Для этого можно использовать Датчик Холла, который помогает измерить силу тока в проводниках, а также их сопротивление. Чтобы проверить работу катушек зажигания, следует обратить внимание на то, нет ли кодов ошибок на контроллере. Если после замены катушки искры нет, то неисправен контроллер.
Ошибки панели VDO и коды неисправностей
Комментарии (69):

Причины перезаряда и повышенного напряжения в бортовой сети автомобиля
- Датчики. Чаще всего страдают температурные датчики, которые могут чересчур перегреться;
- Форсунки. В основном проблемы наблюдаются из-за обрыва в цепи, в результате чего они не могут вовремя загораться. Отсюда появляется еще одна проблема – пропала искра, поэтому двигатель не заводится;
- Двигатель. Самая частая ошибка – перегрев. Чаще всего из-за повышенной маслянистости свечи также перегреваются, поэтому искра не появляется. Как результат – двигатель не издает признаков жизни;
- Клапаны. Они также могут быть чересчур грязными, что и приведет к их закрытию, поэтому они не будут пропускать топливно-воздушную смесь;
- Вентиляторы. Если они работают неправильно, то машина перегревается.
Щетки и регулятор При появлении признаков неисправности реле генератора, обязательно незамедлительно выполните его замену.
Причины перезаряда и повышенного напряжения в бортовой сети автомобиля
Неисправность реле-регулятора – самая частая причина перезаряда аккумулятора.
Из-за поломки этот узел перестает выполнять свои функции и «пропускает» все напряжение, вырабатываемое генератором в бортовую цепь, а оно может достигать 16 и даже 25 В. Естественно, ни один электроприбор в авто не рассчитан на такой вольтаж, поэтому элементы бортовой сети начинают перегорать.
Поломка регулятора бывает частичной или полной. В первом случае этот элемент все же выполняет свои функции, но «пропускает» напряжение чуть большего значения, чем нужно (к примеру, 16 вольт).
В этом случае выявить перезаряд аккумулятора можно только по показаниям измерительных приборов или бортового компьютера. Электропотребители же от такого напряжения практически «не страдают», а вот на состояние АКБ даже такое напряжение влияет негативно – при постоянном процессе батарея «выкипает» и выходит из строя.
При полной же неисправности реле-регулятора, высокие показатели (свыше 16 В) начинают выводить из строя потребители – первыми перегорают лампочки и предохранители, затем иные приборы. Значительное превышение вольтажа может стать причиной возгорания электропроводки.
Несмотря на то, что частичная поломка реле значительной угрозы бортовой сети авто не несет (за исключением аккумулятора), игнорировать ее не нужно, поскольку она в любой момент может перерасти в полный выход элемента из строя.
Поскольку реле-регулятор – единственный элемент, исключающий перезаряд аккумулятора, многие автолюбители при обнаружении повышенного напряжения в бортовой сети сразу же проводят замену этого узла.
Вот только помогает установка нового регулятора не всегда, часто проблема остается. Естественно, подозрения в этом случае падают на генератор. Этот узел действительно может давать перезаряд в случае пробоя диодного моста или обрыва обмоток, пробоя якоря на корпус.
ЧИТАЙТЕ ПО ТЕМЕ : Напряжение генератора автомобиля, норма на холостом ходу и под нагрузкой.
Но если замена реле регулятора не помогла, не стоит сразу менять или отправлять в ремонт генератор.
ВАЖНО : Часто причина перезаряда АКБ кроется в плохом контакте проводки цепи системы подзарядки батареи (описана выше).
Причина очень проста: в месте окисления контактов возникает сопротивление, которое реле-регулятор «воспринимает» как нагрузку в бортовой сети. К примеру, это может произойти в блоке предохранителей.

Чтобы компенсировать ее, и не допустить просадки вольтажа, регулятор начинает «пропускать» большие показатели в результате на АКБ поступает завышенное напряжение.
Поэтому в поиске причины образования перезаряда аккумулятора в первую очередь следует проверить:
И только после этого снимать и проводить диагностику генератора.
Холостой ход
Электрооборудование

Дроссельная заслонка
- Генератор.
- Выпрямительный блок (диодный мост).
- Реле-регулятор.
- Блок предохранителей.
- Замок зажигания.
- Контрольная лампа заряда.
- АКБ.
Неисправности стартера и причины их появления Иногда бывает достаточно сбросить ошибку 1602, и она больше не появится. Кое-кто называет эти цифры «добрыми», 1602 может появиться после отключения АКБ, из-за скачка напряжения при запуске двигателя (например, в холод). Однако если 1602 «выскакивает» постоянно, нужно искать обрыв сети.
Комментарии (69):
Еще у меня приборы отключатся когда едешь и звук какой то пишит уровень топлива тоже плавает меня дут точ такой же ни чё не помогло и масу смотрел на ручнике тоже ноль
У меня показывает на приборах сверху 3456 а снизу 78 что это значит подскажите пож
Здравствуйте ! Помогите с проблемой вчера приехал на авто всё работало до этого чистил форсунки. На следующий день авто завелась но поработав 3-5 сек заглохла и больше не завелась искры нет датчик колевала менял , потом сбрасываю давление в рампе пытаюсь завести заводится на 4 сек и глохнет . Куда копать ?
Подскажите пожалуйста.у меня показывает ошибку 78 . Ваз 21124 16v европанель 2007 года
Здравствуйте у меня ваз 10, 8 клапаны была ошибка 14 я ее збросил надо ехать на диагностику ?
Здраствуйте, У меня ваз 2110 машина не заводиться. Буксиром еле-еле завёл холостой не работают и тройт, постайано надо газовать что надо делать подскажите. И ошибка 8 покзывает, как найти этот нейсправность.
Ваз 2112 16клапанный, при самодиагностике выдает ошибку 818,2…помогити спасити чего делается то)
Здравствуйте, ваз 2112 перестала заводится, на бортовом комп.показывает ошибку 43210
Помогите пожалуйста стоял грелся минут пять вдруг машина заглохла сама заводил потом тоже сперва Троила играла оборотами от 1000-1500 и опять глохла ,а как только нажимаешь на газ сразу глохнет
Датчик коленвала либо сам коленвал может еще шестерня коленвала
Привет,я делаю все как на видео, но диагностика не выполняется, просто переключает пробег на суточный и все.
Сергей зажми на панели эту кнопку и держи поверни при этом ключ зажигания там все покажет
Реле не ставил на стартер? У них это болезнь, при включенном мафоне или освещении не крутит.
Машина ваз 2112 07 г 1.6 8 кл. После пуска двигателя на холодную, начинает роить и за горестях чек! Глушу, по новой завожу все идеально. Бортовик пишет ошибку 4 и 8.
Здравствуйте горит ошибка 8 ваз 2112 1.6 16кл .
Часто загорается ЧЕК после 3-4 мин работі, а потом через 10-15 мин тухнет. Пытался посмотреть код ошибки — все время высвечивается «0». По звуку и тяге не заметно разницы. Машина — Лада 111, 8 клапанов, инжектор. Прошла 60 тыс км. Бензин А92 на АЗС ОККО.
Ваз 2115i 2001г.в.,подскажите пожалуйста,почему при самодиагностике с ЖК панели у меня невысвечиваются ошибки,это после всех тестов что проводит система(подъём стрелок,лампы индикации и т.д.),после чего нужно нажимать кнопку сброса ещё раз,отображается номер версии и затем ошибки,но ничего этого нет,хоть check и горит.Помоготи кто,что знает или сталкивался с подобной ситуацией.Спасибо!
Помогите пожалуйста.
Ваз 2112 16ти кл. Заводится норм, не тянет вообще, нажимаю на газ она больше 1500 полторы тыч. оборотов не набирает начинает троить.
Ремень грм вроде все по рискам.форсунки смотрел, чистые.
Не знаю что делать…
Попробуйте посмотреть бензонасос или датчики на него.

Другие причины почему генератор на ваз 2110 не дает зарядку
- если остается 0, то ошибки отсутствуют;
- при появлении 1 — говорит о неисправности микропроцессора;
- обрыв цепи датчика указателя уровня топлива;
- ошибка 4 — повышенное напряжение питания бортовой сети свыше 16 Вольт;
- ошибка 8 — пониженное напряжение, менее 8 Вольт;
- при нескольких неисправностях одновременно может выдаваться цифра, которая будет являться суммой вышеприведенных кодов, например 6 (2+4), 10 (2+8), 12 (4+8) или 14 (2+4+8).
Описание работы аккумулятора так если же стартер крутит причем тут АКБ машина инжектор?
