Ваз 2115 не Горят Задние Противотуманки • Где находится реле птф
Предохранители и реле ВАЗ-2115 в моторном отсеке
Монтажный блок находится под капотом, недалеко от лобового стекла.
Реле ВАЗ-2115 в подкапотном блоке
К1 – реле очистителей фар .
Если очистители фар не включаются, проверьте предохранители F1 и F7. Осмотрите механизм «дворников», возможно в него попала пыль или прилетел камень, повредив или заклинив его действие.
К2 – реле-прерыватель указателей поворота и аварийной сигнализации.
Если у вас перестали работать поворотники или «аварийка», проверьте предохранители F2 и F16, это реле.
Если «аварийка» работает, а поворотники нет, проверьте ручку включения, её контакты и разъём. Если не работает только «аварийка», проверьте кнопку включения, контакты и проводку. Не забудьте проверить лампы в указателях поворотов. В одной из фар может быть короткое замыкание. Внимательно осмотрите разъёмы, а также проводку на наличие повреждений изоляции.
Если поворотники работают нестабильно, с перебоями, это может быть вызвано плохими контактами в монтажном блоке, а также выгоранием или повреждением его дорожек. Контакт может пропадать не только в блоке, но и в самих фарах, а также на пути к ним. Если менялась проводка, либо что-то делали с проводами, проверьте первым делом их.
К3 – реле стеклоочистителя.
Если у вас перестали работать «дворники», первым делом проверьте реле и контакты. Мог также перестать работать подрулевой переключатель или окислиться его контакты. Осмотрите механизм очистителей, из-за плохой затяжки могли открутиться гайки, фиксирующие рейки механизма, или попасть посторонний предмет, мешающий их нормальной работе.
Мог сгореть моторчик, проверить его работоспособность можно подав на него напрямую напряжение от аккумулятора 12 В. Около моторчика есть ещё один предохранитель, защищающий его от перегрева. Он находится либо на кронштейне трапеции, либо в самом моторе, в зависимости от его типа.
К4 – реле контроля работоспособности ламп.
К5 – реле стеклоподъемников.
Иногда для закрытия стекла помогает удар по двери, чтобы на время привести мотор в чувство. Чтобы разобрать механизм стеклоподъёмника, нужно открутить болты крепления кронштейнов и отсоединить само стекло от механизма.
Если не работает только один стеклоподъёмник, дело может быть в кнопке его включения и её контактах.
К6 – реле звукового сигнала.
Чтобы сигнал работал, нужно надёжно их зафиксировать, настроив таким образом, чтобы контакты при нажатии выключателя замыкались. Контакты расположены над рулевым валом.
Также могла нарушиться конструкция контактов в руле. Осмотрите механизм, 3 винта и пружины должны надёжно размыкать и замыкать цепь.
К7 – реле обогрева заднего стекла.
К8 – реле дальнего света.
Если у вас перестала гореть только одна фара дальнего света, проверьте один из предохранителей F14 или F15, и лампу в проблемной фаре. Осмотрите разъём фары, его контакты. Лучше их прозвонить, тогда проблему будет найти проще.

![]() |
Не работают противотуманки ВАЗ 2115, 2114: основные причины неисправности и их устранение
Почему не горит задний ход?

Не горит задний фонарь ваз 2114 — АвтоТоп
Предохранители и реле ВАЗ-2115 — Мир Дорог Если меняется рамка противотуманной фары, отражатель или стекло, то необходимо разобрать противотуманку. Для этого ее нужно хорошо прогреть, например, феном, чтобы расплавился герметик, а затем можно разбирать ПТФ.
Выявляем проблемы с «противотуманками»
Начинать проверку автовладелец может в той последовательности, которая ему наиболее удобна. Но как показывает практика, первым лучше проверить предохранитель – достаточно уязвимой детали любой электроцепи.
Предохранитель
Лампы в фарах
Если используются не совсем качественные лампы или напряжение в бортовой электросети скачет, и автовладелец об этом знает, то в перегорании сразу обеих ламп ничего удивительного нет. Чтобы их проверить придется немного повозиться, разбирая фару
При этом следует соблюдать осторожность, поскольку она достаточно хрупкая. После этого останется лишь заменить их на рабочие
Блок предохранителей и проводка на лифан смайли
Как осуществляется замена смотрим на видео:

Реле задних противотуманных фар ВАЗ 2114: где находится и как заменить
- перегорел предохранитель;
- перегорела(и) лампочка(и);
- произошло окисление контактов;
- пропал контакт с «массой»;
- вышла из строя кнопка;
- вышло из строя реле.
Предохранители и реле ВАЗ 2114, 2115, 2113: расшифровка, расположение В данной статье изложены основные причины такой неисправности и даны рекомендации по ее устранению. Хозяин автомобиля может произвести ремонт самостоятельно или обратиться в автосервис.
Стоп-сигналы не горят полностью

Часто провода перетираются в месте их перехода с кузова на крышку багажника. Как правило, для обнаружения повреждения кабелей необходимо снимать обшивку. Поэтому при отсутствии должного опыта эту работу лучше поручить сервисному центру. Если повреждение обнаружено, необходимо восстановить изоляционное покрытие. Для этого можно использовать обыкновенную изоляционную ленту.
Если и предохранитель, и концевой выключатель не имеют повреждений, это указывает на обрыв проводов. Для поиска такой неисправности также потребуется вскрытие обшивки. При отсутствии опыта лучше поручить эти действия автосервису.
Алгоритм поиска неисправности
Немного истории

Схема монтажного блока ВАЗ-2113, 2114, 2115 Вариант №1.
- 3 – монтажный блок;
- 8 – лампы габаритного света и стоп-сигналов;
- 11 – концевик тормозных огней;
- К4 – реле контроля исправности ламп стоп-сигнала и габаритных огней.
Окисление контактных соединений Плата располагается под фонарем. Простой ремонт устранить проблему
Схема электрооборудования автомобилей ВАЗ 2115 — 20 (левая половина):
Есть несколько вариантов оснастить свой автомобиль системой противотуманных фар. Выбор зависит от ваших личных предпочтений и возможностей.
| Способ | Особенности |
| Покупка бампера с вмонтированными ПТФ | Такие бампера покупаются в тюнинг ателье, где вам все подключат и соединят. Минус данного варианта — высокая стоимость |
| Покупка бампера от ВАЗ 2115 и самостоятельная установка | Для этого вам придется купить бампер от старшей модели, где предусмотрены отверстия для противотуманок. Остается отыскать подходящий комплект ПТФ и установить их |
| Покупка ПТФ и облицовочных элементов — очков | Сегодня этот способ пользуется наибольшим спросом, поскольку позволяет за небольшие деньги своими руками выполнить установку |
Стандартный комплект ПТФ включает несколько элементов:
- Фары;
- Лампочки;
- Реле включения;
- Комплект проводов;
- Схема подключения;
- Кнопка для включения/выключения ПТФ.
Выбирая комплект, обратите внимание на то, чтобы фары соответствовали форме очков, то есть облицовочных элементов. Стандартный комплект

Стандартный комплект
Сегодня для владельцев ВАЗ 2114, желающих установить противотуманные фары, рекомендуется выбирать прямоугольные комплекты от компании Киржач. Ее используют при заводской установке ПТФ на дорогих версиях модели.
Выбор противотуманных фар
Ксенон в ПТФ
Многие автовладельцы подумывают о том, чтобы установить в противотуманки ксеноновые лампы. Хорошо ли это? Не особо.
Все дело в том, что при установке ксенона в ПТФ нарушается фокусировка. Принцип действия ксенона несколько иной по сравнению с обычными лампами типа Киржач.
Штатные ПТФ предназначены для определенных видов ламп, потому с ксеноном они не справляются. В результате в отражателе наблюдается чрезмерное отражение, происходит преломление лучей, свет размывается. К чему это ведет? К ослеплению водителей встречного транспорта.
Вариант с ксеноном не является практичным и удачным решением. Потому от него рекомендуем отказаться.
Если вам упорно продолжают светить дальним светом встречные машины, попробуйте отрегулировать световой пучок. Если и это не помогает, от ксенона лучше отказаться.
Электрическая схема
- Фары включаются нажатием на кнопку, подающей питание на реле типа 113.3747, установленного в монтажном блоке;
- Включение ПТФ на машинах ВАЗ 2110 возможно только в том случае, если переключатель света фар установлен в положение наружного освещения.
Почему не работают ФЗХ Более редкий тип поломки — это обрыв проводки.
Устройство электрооборудования и противотуманных фар на ВАЗ-2114

Для того, чтобы понимать почему противотуманные фары вышли из строя необходимо немного знать о том, как устроено электрооборудование автомобиля в целом, а также схему подключения данного узла в общую электрическую цепь.
Итак, рассмотрим основную схему электрооборудования ВАЗ-2114:
Общая схема электрооборудования автомобиля включая ПТФ
А также, схемы непосредственного подключения противотуманных фар.
Причины выхода из строя
Теперь, когда разобраны все схемы электрического подключения противотуманных фар, можно перейти непосредственно к определению причин их неработоспособности или выхода из строя:
- Перегорание предохранителя.
- Сгорели лампочки.
- Окисление контактных соединений.
- Нет контакта на массу.
- Не работает кнопка.
- Отсутствует питание.
- Неверное подключение.
- Сломано реле.
Не горят лампы ПТФ (методы устранения неисправностей)
Теперь, когда все причины выделены, можно перейти непосредственно к рассмотрению вопроса решения проблемы. Для диагностических операций потребуется – тестер, а вот для ремонта – набор отверток, ключей и некоторые запасные части.
Теперь, рассмотрим, как в разных случаях необходимо решать проблемы.
Перегорание предохранителя
Схема предохранителей в монтажном блоке
Если на автомобиле погасли обе противотуманки сразу, то в монтажный блок можно не лезть и дело в другой поломке.
Сгорели лампочки
Еще одной частой причиной не работающих противотуманных фар становится перегорание лампочек вследствие короткого замыкания или естественного эксплуатационного износа.
Для проверки исправности детали устанавливаем в посадочное место новую лампу, и если она горит, то дело точно в выходе из строя именно этого элемента. Как и в предыдущем случае, сразу две лампы перегореть не могут.
Окисление контактных соединений
Из-за плохой герметизации окислился контакт ПТФ
Зачастую, еще одной проблемой становится то, что разъёмы подключения противотуманных фар непосредственно к блок-фарам окисляются и не дают надлежащего контакта, что может вызвать мигание или пропадания света.
В данном случае, методом лечения является зачистка контактной группы соединения разъемов.
Процесс монтажа
Какой цвет стекла выбрать для противотуманки

Неисправность светодиодных стоп-указателей
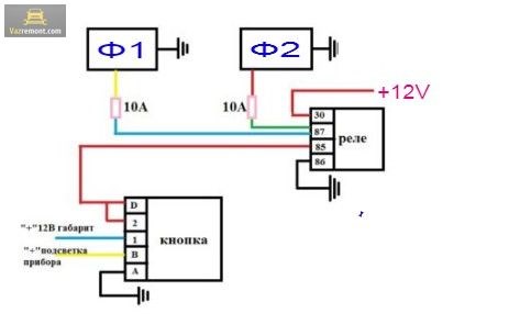
- Проверяем, идет ли питание на кнопку ПТФ (если горит лампочка включения ПТФ, то здесь все нормально).
- Проверяем питание реле на контакты 30 и 87 (смотрите схему). Провода от этого реле идут на колодки ш7 ш8 монтажного блока (они обозначены).
Нет контакта на массу Так бывает, когда машина куплена с рук, и ПТФ были установлены самостоятельно ее предыдущим хозяином. В таком случае следует осмотреть вход не плату, на которой расположены сами фары. Очень часто при самостоятельном монтаже предохранитель крепят именно в этом месте.
Локализация неисправности
Понимание принципа работы позволяет определить, почему именно могут не гореть стоп-сигналы:
Алгоритм поиска неисправности

Для обнаружения неисправности в электросети вам потребуется мультиметр либо контролька, которую можно изготовить своими руками. Ранее мы рассказывали, как пользоваться мультиметром, поэтому заострять внимание на этом не будем.
Последовательность поиска причины поломки:
Рассмотренный нами принцип поиска подойдет для большинства автомобилей. Но, к примеру, в некоторых авто в работе стоп-сигналов участвует еще и реле, из-за которого также могут не гореть стопы. Именно поэтому начинать всегда необходимо с чтения электросхемы.
Сегодня мы поговорим о задней оптике на ВАЗ 2114 и в частности обсудим причины неисправности и способы устранения поломок фонарей заднего хода.
Красиво и элегантно
Стоп-сигналы не горят полностью
- 3 – монтажный блок;
- 8 – лампы габаритного света и стоп-сигналов;
- 11 – концевик тормозных огней;
- К4 – реле контроля исправности ламп стоп-сигнала и габаритных огней.
Масса Если такового не предусмотрено в вашей модели, то следует продумать и определиться с ним самостоятельно. Рекомендуется делать это через передний бампер.

