Модуль Контроля Двигателя Dme Dde Bmw Ошибка – Ошибка акпп bmw f10
Кодирование BMW F-серии
Многолетний опыт работы с маркой BMW даёт нам возможность с уверенностью выполнять работы по кодированию и программированию блоков управления всех систем. Будь то изменение комплектации (кодирование FA), параметрия блоков управления (кодирование FDL) или обновление программного обеспечения, мы с легкостью выполним поставленную задачу.
Кодирование и программирование BMW выполняется нами через инженерный софт ESYS, используя в качестве интерфейса ICOM либо Ethernet-кабель и всегда только свежими данными Psdz data.
Мы выполняем программные работы для любой модели BMW:
Для людей, которые имеют понимание процесса, либо для тех кто хочет научиться ниже представлена полезная информация.
Информация предоставлена из нашего опыта и знании и собрана и объединена со многих сервисов и форумов отечественных и зарубежных (время от времени информация обновляется).
Администрация сайта не несет какой либо ответственности за любые убытки в ходе неправильного кодирования и выхода из строя блоков управления или неправильной работы узлов. Всё делаете на свой страх и риск. Если сомневаетесь в своих силах, то милости просим.
Отключение трех приветственных гонгов:
ACSM/3000 / Initialwarnung_GWF_IW
Установить: nicht_aktiv
Отключение Старт/Стоп:
Выключен по умолчанию:
CAS/3000/TC_MSA_DEFAULT_OFF
Установить:aktiv
Память последнего положения старт/стоп (при экопро не работает):
CAS/3000/TC_MSA_MEMORY
Установить:aktiv
Отключение электроники (ГУ) при открытии двери водителя:
CAS /3000/TC_LOGIC_KLR_OFF_DOOR
Установить:aktiv
Звуковой сигнал при закрытии/открытии замков (вкл/выкл в настройках ГУ: замки дверей):
(название блока зависит от того что у кого стоит) Entrinav/3000/Acoustical_lock_confirm
Установить:aktiv
Закрывание двери багажника с ключа и с кнопки в ногах водителя:
HKL /3010 HKL_BEDIENUNG / SCH_FBD = aktiv (1) — закрывание с ключа
HKL / 3010 HKL_BEDIENUNG / SCH_TOEHKI = aktiv (1) — закрывание с кнопки в ногах
HKL / 3010 HKL_BEDIENUNG / TASTER_FBD = aktiv (1) — нужно для работы первых двух параметров
Рингтон в колонки (отставание от звонка телефона секунда, отсюда эффект эхо):
HU_ENTRY/3001/INBAND_RINGING
Установить:aktiv
Логотип М-серии при запуске ГУ:
HU_ENTRY/3001/STARTUP_EMBLEM
Установить: вариант 01
DVD в движении:
HU_NBT/3000/SPEEDLOCK_X_KMH_MAX
werte = FF
HU_NBT/3000/SPEEDLOCK_X_KMH_MIN
werte = FF
HU_NBT/3000/VIDEO_HANDBRAKE
set to: nicht_aktiv
HU_NBT/3000/VIDEO_FRONT_LOCKED
set to: nicht_aktiv
HU_NBT/3000/VIDEO_SPEEDLOCK_CONDITION
set to: none
После завершения кодирования и перегрузки NBT, в любом меню нажимаем шайбу вверх, не отпуская шайбу нажимаем по очереди MEDIA — MENU — MEDIA, появляется сообщение.

Полная мощность привода больше недоступна bmw x5 f15
BMW ремонт ЭБУ двигателем BMW 13618512498 DDE 8512498 (8 512 498) Bosch 0281017550 (0 281 017 550) (BMW X1 E84 2009-2015;1-серия E87/E81 2004-2011;3-серия E90/E91 2005-2012;3-серия E92/E93 2006-2012;1-серия E82/E88 2007-2013)
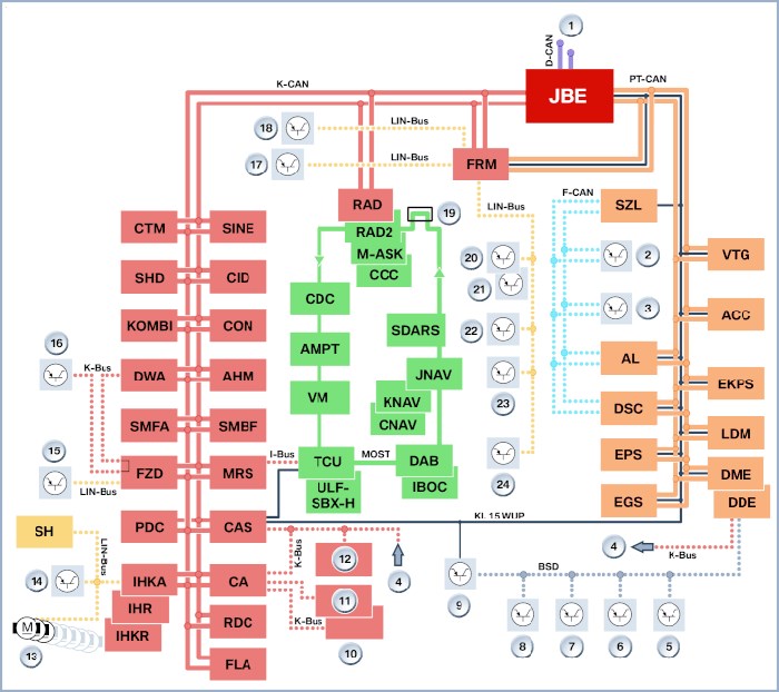
Диагностика модуля JBE

Главные задача модуля JBE:
Распределительная коробка электроники (JBE) расположена в нижней части коробки распределения питания (SV). Как правило они вместе и называются распределительным модулем.
Модуль JBE связан с диагностической шиной и контролирует следующие цепи питания:
— Подачи напряжения на диагностический кабель;
— Напряжения (без предохранителя) от распределительной коробки через внутренний коннектор X04010. Через этот кабель подается напряжение на процессор модуля JBE и его коммуникационные шлюзы шины CAN (между PT-CAN и K-CAN).
— Подачи напряжения (с предохранителем) от распределительной коробки через внутренний коннектор X04010. Питание для всех остальных функций JBE передаются через этот кабель. Исключением являются актуаторы, переключаемые JBE через реле.
На все катушки реле JBE (внутреннее и внешнее) постоянно подается положительное напряжение. Питание катушек внешнего реле поступает от линии нагрузки сквозного переключения. Питание катушки внутреннего реле поступает от линии питания с плавким предохранителем. Все реле JBE (внутренние и внешние) управляются через отрицательный провод.
Все внутренние реле JBE и реле ступеней 1 и 2 стеклоочистителя расположены на пути тока за предохранителем. Все остальные внешние реле JBE расположены на пути тока перед предохранителем (поэтому в случае не исправного предохранителя реле издает характерный звук).
Подключение к шине данных.
Модуль JBE подключен к шинам PT-CAN и K-CAN. JBE может является хабом для этих шин (например на Е90). Связь между диагностической системой и JBE не зависит от этих шин, поскольку диагностический кабель подключается непосредственно к модулю JBE.
Примеры функций, требующих как шин, так и шлюза:
Примеры функций, для которых требуется K ‑ CAN:
- Работа электрических стеклоподъемников в двери на стороне переднего пассажира через переключатель в двери переднего пассажира;
- Кнопка центрального замка;
- Выключатель стояночного тормоза.
Примеры функций, для которых требуется PT-CAN:
Пример топографии блока JBE в шинах данных (E90, E91, E92, E93):
Линии подключения в модуле JBE:
Интересно, что эти разъёмы служат только для оптимизации жгута. Модуль JBE функционирует только как перепускная линия. Как правило, эти подключения включают:
— Один для активации реле звукового сигнала;
— 2 для переключателя SMG (лепестки ручного переключения передач);
— 2 для вентилятора (диагностический сигнал / сигнал управления ШИМ);
Кодирование BMW F-серии
CAS /3000/TC_LOGIC_KLR_OFF_DOOR
Установить:aktiv
Ошибка привода BMW F10

Ожидает решения — Переодически пропадает связь между TCM и ECM — Клуб Вольво | Клуб Вольво
Ремонт ЭБУ двигателя в Нижнем Новгороде. ECM, PCM, DME, DDE, ECU. DVD в движении:
HU_NBT/3000/SPEEDLOCK_X_KMH_MAX
werte = FF
HU_NBT/3000/SPEEDLOCK_X_KMH_MIN
werte = FF
HU_NBT/3000/VIDEO_HANDBRAKE
set to: nicht_aktiv
HU_NBT/3000/VIDEO_FRONT_LOCKED
set to: nicht_aktiv
HU_NBT/3000/VIDEO_SPEEDLOCK_CONDITION
set to: none
Ecm Модуль Контроля Двигателя Dme Dde Ошибка Бмв
BSD — шина передачи данных посредством двоичного кода. Данный интерфейс поддерживает постоянную связь между блоком управления двигателем и следующими системами: аккумулятором, «умной» минусовой клеммой аккумулятора, генератором, датчиком уровня масла, а также у некоторых двигателей — электрической помпой (насосом) системы охлаждения и блоком свечей накаливания (у дизельных моторов).
BMW 1430186 12141430186 Bosch 0261204420 (0 261 204 420) (BMW 318i (3er Serie, E46) 1998 двигатель M43B19)
BMW 1430633 12141430633 Bosch 0261204420 (0 261 204 420) (BMW 318i (3er Serie, E46) Bj. 1998 Motorcode M43B19)
BMW 1430940 12141430940 Bosch 0261204420 (0 261 204 420) (BMW 316i Compact (3er Serie, E36) 1998 — 2000 двигатель M43B19, BMW Z3 1.9 (Z3, E36) 2000 — 2002 двигатель M43B19, BMW 318Ci Coupe (3er Serie, E46) 1999 двигатель M43B19, BMW 316i (3er Serie, E46) 1998 — 2001двигатель M43B19, BMW 318i (3er Serie, E46) 1998 — 2001 двигатель M43B19, BMW 318i Touring (3er Serie, E46) 1999 — 2001 двигатель M43B19)
BMW 7786581 Bosch 0281010314 (0 281 010 314) (BMW 525d (5er Serie, E39) 2000/BMW 530d (5er Serie, E39) 2000/BMW 330d Touring (3er Serie, E46) 2000)
BMW 7788310 Bosch 0281010314 (0 281 010 314) (BMW 525d (5er Serie, E39) 2001 — 2002/BMW 530d Touring (5er Serie, E39) 2001 — 2002)
BMW 7789376 Bosch 0281010314 (0 281 010 314) (BMW X5 3.0d (X5) 2002/ BMW 525d (5er Serie, E39) 2003/ BMW 525d Touring (5er Serie, E39) 2002/ BMW 530d (5er Serie, E39) 2002 — 2003/ BMW 330d (3er Serie, E46) 2001 — 2002)
BMW 7789416 Bosch 0281010314 (BMW X5 3.0d (X5) 2002/BMW 525d (5er Serie, E39) 2003/BMW 525d Touring (5er Serie, E39) 2002/BMW 530d (5er Serie, E39) 2002 — 2003/BMW 330d (3er Serie, E46) 2001 — 2002)
BMW 13617823420 DDE7823420 Bosch 0281014572 (0 281 014 572) 13340257 (1334 0257) (BMW 3-серия E90/E91 2005-2012; 1-серия E87/E81 2004-2011; 3-серия E92/E93 2006-2012; X1 E84 2009-2015; 1-серия E82/E88 2007-2013).
BMW DDE7796680 Bosch 0281011762 (0 281 011 762) (BMW 535d (5er Serie, E60) 2004/BMW 535d Touring (5er Serie, E61) 2004)
BMW 13617798180 DDE7798180 Bosch 0281012501 (0 281 012 501) (BMW 320d (3er Serie, E90) 2005 — 2006/BMW 320d Touring (3er Serie, E91) 2005)
BMW 13617801711 DDE7801711 Bosch 0281013251 (0 281 013 251) (BMW 120d (1er Serie, E87) 2006/BMW 320d (3er Serie, E90) 2006 двигатель M47N/BMW 320 d Touring (3er Serie, E91) 2006)
BMW 13617803372 DDE7803372 Bosch 0281013502 (0 281 013 502) (BMW 318d Touring (3er Serie, E91) 2006 — 2007)
BMW 13617803373 DDE7803373 Bosch 0281013501 (0 281 013 501) (BMW 120d (1er Serie, E87) 2007/BMW 320d Touring (3er Serie, E91) 2006 — 2007)
BMW DDE7806987 Bosch 0281014436 (0 281 014 436) (BMW 525d Touring (5er Serie, E61) 2008/BMW 325d Touring (3er Serie, E91) 2007)
BMW DDE7811151 Bosch 0281015130 (0 281 015 130) (BMW 525d Touring (5er Serie, E61) 2008/BMW 325d (3er Serie, E90) 2008)

Рассмотрим пример неисправного и отремонтированного электронного модуля двигателя
Mitriniuc ECM и ТСМ работают в жесткой связи. Критичные ошибки в одном из блоков порождают ошибки в другом.
Начнет буксовать коробка, ошибка загорится по ней и чек зажгет по двигателю
С легкой руки поляка
Стилистику F10 разработал Яцек Фрелих – поляк, уже много лет работавший в команде дизайнеров BMW. Преемник BMW E60 должен был стать более спортивным и более элегантным. Это удалось, и продажи с первых дней были хорошими.
Хотя симптомы могут различаться в зависимости от проблемы, вызвавшей ошибку, вот что обычно замечает большинство владельцев BMW.
- Сообщение об ошибке неисправности трансмиссии на экране iDrive
- Машину начинают трясти
- Проверьте, горит ли двигатель
- Автомобиль останавливается/умирает при работе на холостом ходу или при включении передачи (D)
- Дым из выхлопа
- Автомобиль на холостых оборотах
- Коробка передач застряла в передаче
- Неисправность трансмиссии при попытке проехать по шоссе
- Неисправность трансмиссии, и машина не заводится

С легкой руки поляка
Удаление катализатора бмв ф10

Mitriniuc
Mitriniuc — 2 для переключателя SMG (лепестки ручного переключения передач);
Fatto

Регистрация 6 февраля 2010 Сообщения 11,725 Возраст 39 Марка машины Volvo Модель Volvo S80 I Город Москва Имя Антон
То есть если решить вопрос с передувом, связь думаете восстановиться и не будет теряться больше блок АКПП?
А с чего вы взяли что теряется связь? У вас код на отсутствие сигнала крутящего момента с ECM, про связь там речи не идет. Как вам сказали разбирайтесь с двигателем, и эта ошибка уйдет. Наиболее вероятно что у вас накрылся привод механизма изменения геометрии турбины ну и тяга на заслонку вихрекамеры соскочила.
Из-за чего выскакивает ошибка привода BMW F10
BDC_BODY — 3064 — MAPPING_TAGFAHRL_1_H_R_OUTPUT — sl_r
BDC_BODY — 3065 — MAPPING_TAGFAHRL_2_H_L_OUTPUT — sl_2_l
BDC_BODY — 3065 — MAPPING_TAGFAHRL_2_H_R_OUTPUT — sl_2_r
Ошибка АКПП BMW F10

В таком случае есть 3 основных варианта выполнить ремонт автомобиля:
Little Выкл.радио при открытии вод.двери при загл.ДВС.
