Схема Кан Шины Опель Астра h. Переходники для iso разъемов
Ответы 20
1. Работа/не работа функционала , ДАЖЕ заявленного в CAN-поддержке зависит от комплектации автомобиля. (а если что-то не заявлено, то и рассчитывать не стОит).
2. Нередко на авто могут стоять электронные блоки от родственной модели автомобиля с отличающимися протоколами CAN со всеми вытекающими последствиями (для сигнализации это ДРУГОЙ автомобиль).
3. Всё, ЧТО НЕ РАБОТАЕТ через CAN (или работает некорректно)- запрещается в настройках CAN-адаптера и делается проводным подключением, нередко с использованием гибких каналов. (Об этом есть в инструкции по установке). Скачать инструкцию по Вашей модели можно в каталоге с учетом версии ПО базового блока сигнализации.
4. C вариантом, при котором используется CAN-подключение — нередко проблем куда больше, чем с обычным проводным подключением — как в период монтажа, так и в дальнейшем — при эксплуатации. Поэтому — CAN- не панацея, а всего-лишь один из способов подружить сигнализацию с автомобилем.
А) перепробовать другие варианты прошивок CAN — в первую очередь — «откатить» на самую старую — 3.11, которая была написана именно для автомобиля старого года, затем (если не поможет перебор вариантов прошивки под этот автомобиль) — попробовать и кодировки от других Astra на предмет — что будет работать с ними
Б) попробовать варианты с подключениями к шинам в других местах.
В) выбрать наиболее полную и корректную версию прошивки, оставив через CAN только то, что работает корректно
Г) всё недостающее сделать проводным подключением.
В этом и заключается труд установщика или того, кто решил выступить в роли такового.

Руки возможно выслушаю граммотную критику от знактока,только дельный совет а не пустую болтовню
а где вы взяли астра Н с бесключевым доступом?
не поверишь купил.. и да они такие существуют у меня стоит кнопка старт/стоп стоит штатная система (open&start) а это расшифровка из вин AP7
не поверишь купил.. и да они такие существуют у меня стоит кнопка старт/стоп стоит штатная система
И так как ВАШЕЙ комплектации МАШИНЫ НЕТ В ПЕРЕЧНЕ, то перепрочтите написанное Вам три дня назад и осознайте — Вас ждет непростой путь. И никто в этом не виноват.
Вынужден повторить: подключение с использованием CAN — это не панацея и нередко — вовсе не упрощение монтажа. Уж поверьте.
не думал что старлайн до сих пор недописал корректно протоколы работы по авто,
Начитываются протоколы только на те машины, которые побывали в руках «начитчиков». У Вас эксклюзивный автомобиль с эксклюзивной комплектацией, поэтому не факт, что
Схемы электрооборудования | Опель Астра J
СИМ-модуль «Опель-Астра H»: особенности, устройство, ремонт и схемы 1 — комбинация приборов; 2 — левая блок-фара; 3 — левый задний фонарь на крыле; 4 — правая блок-фара; 5 — правый задний фонарь на крыле; 6 — выключатель габаритных огней; 7 — левый задний фонарь на двери задка; 8 — правый задний фонарь на двери задка
Инструкция по замене проводки
Итак, процедура замены выглядит следующим образом:
- Сначала ищется оборванный участок.
- После того, как неработоспособный провод найден, его необходимо извлечь.
- После извлечения производится укладка нового кабеля. При прокладке необходимо учесть, что провод не должен взаимодействовать с движущими частями кузова или другими движущимися элементами. В противном случае очень быстро может произойти перетирание кабеля и, соответственно, его обрыв.
- Когда кабель уложен, его необходимо подключить. Места соединений лучше запаять и защитить при помощи изоляционной ленты. Также изолентой можно обмотать весь провод — это позволит увеличить его ресурс эксплуатации.
- После установки кабеля производится проверка работоспособности оборудования. Если все работает правильно, то можно прятать провод и наслаждаться работой исправного авто. Если же что-то не работает, нужно искать причину и устранять ее (автор — канал TEXaS TV).

Установим сигнализацию на Opel Astra H правильно
- включение звукового сигнала при срабатывании датчиков охраны;
- передача тревожного сигнала на брелок;
- активация иммобилайзера;
- включение режима антиограбления;
- специального двухфазного выключения режима охраны;
- персональный код отключения;
- блокировки двигателя.
Ремонт Opel Astra Опель Астра: Принципиальные схемы электрических соединений 14.27.47 Освещение салона (Zafira бензин и дизель) Освещение салона (Zafira бензин и дизель)
Поэтапная подготовка
Следует придерживаться определенной последовательности ремонтных манипуляций.
Для начала рулевое колесо предстоит снять. Делать это нужно при минусовой скинутой клемме АКБ. Как правильно снимать штурвал? Здесь первоначально мешает подушка безопасности, ее нужно убрать, повернув руль на 900 градусов. Дальше необходимо отщелкнуть крепежи и два цветных разъема от подушки, пропустить их через руль.
Внимание! Разбор подушки ввиду наличия пиропатрона проводится крайне осторожно!
- Открывается доступ к пластине сигнальной кнопки, которая выполнена из металла.
- Виднеется провод бело-коричневого оттенка, от него идет питание в верхнюю пластину.
- Нижняя пластина «питается» через коричневый шнур.
Также виден винт, держащий пластинку, центральный фиксатор рулевого колеса, главный разъем, ответственный за работу кнопок на штурвале и пружинка защелок Air Bar.

Starline A93 2 can Opel Astra H c Open&Start(keyless) / Самостоятельная установка / StarLine
Сим-модуль как отличие Opel от других марок

Стоимость установки:
- Хороший результат дает пропайка контактов.
- Оказывает положительное действие исправление «недугов» шлейфа.
- Неплохо сказывается на функционале прибора монтаж защелок, отвечающих за снижение вибрации.
- В иных случаях эффективно сим-модуль «Опель-Астра H» заменить новым.
Стоимость оборудования: Охранный комплекс обеспечивает полноценную охрану Opel Астра при помощи следующих функций:
Точки подключения сигнализации Опель Астра H
Если во время езды приборная панель показывает, что одна из задних дверных конструкций не закрыта, а на деле это не так, то необходим ремонт проводки на Опель Астра Н. С какой именно дверью проблемы можно понять только методом исключения. Другие нарушения, указывающие на неисправность проводки:
- перестал работать стеклоподъемник;
- погасли лампочки на кнопках дверной карты;
- не закрывается дверь;
- перестал работать центральный замок;
- хрипит музыкальный динамик;
- при открытии дверцы не загорается лампочка на приборной панели.
- электропривод стекла работает некорректно;
- центральный замок закрывает не все дверцы;
- музыкальная колонка работает нестабильно.
Если сразу не принять меры, то в будущем неисправный элемент перестанет закрываться или заблокирует дверь. Чтобы избежать этого, необходима срочная диагностика и ремонт.
Водители придумали, как на время решить проблему опельского универсала. Проводится распиновка: проводки зажимаются специальными гильзами, обматываются термоусадкой и усаживаются в гофру. Чтобы пучок электропроводки стал менее объемным, его обматывают жгутом из изоленты.

Двойной ИСО разъем
- возможность активации и остановки двигателя на дистанции;
- увеличение времени работы запущенного двигателя;
- автоматическая активация мотора на при достижении определенной температуры или временных показателей;
- автоматическое определение типа питания мотора;
- особая система защиты стартера от перекрути;
- отображение времени активности мотора на контрольном устройстве.
Процесс установки сигнализации на Astra H 6.0 Системы питания и выпуска 6.1. Система питания 6.2. Система впрыска топлива бензиновых двигателей 6.3. Системы впрыска и турбонаддува дизельного двигателя 6.4. Системы выпуска и снижения токсичности отработавших газов
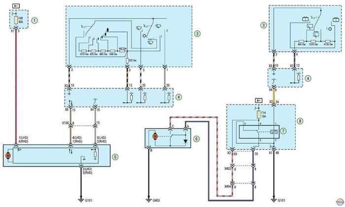
Электросхемы
Представлены схемы электрооборудования автомобиля Опель Астра J.
Кликните по картинке для ее увеличения.

1 — монтажный блок моторного отсека; 2 — переключатель стеклоочистителя ветрового окна; 3 — переключатель стеклоочистителя окна двери задка; 4 — блок управления электрооборудованием; 5 — моторедуктор стеклоочистителя ветрового окна; 6 — моторедуктор стеклоочистителя окна двери задка; 7 — реле заднего стеклоочистителя; 8 — монтажный блок моторного отсека
1 — переключатель стеклоомывателя ветрового окна; 2 — комбинация приборов; 3 — центральный информационный дисплей; 4 — преобразователь сигнала; 5 — блок управления электрооборудованием; 6 — монтажный блок моторного отсека; 7 — реле стеклоомывателя ветрового окна; 8 — реле стеклоомывателя окна двери задка; 9 — выключатель стеклоомывателя окна двери задка; 10- насос стеклоомывателя
Схема 3. Датчики системы управления двигателем:
1 — монтажный блок моторного отсека; 2 — реле системы зажигания; 3 — топливная форсунка; 4- блок управления двигателем; Б — модуль зажигания
Схема 4. Топливные форсунки и модуль зажигания:
Схема 5. Стартер и аккумуляторная батарея:
1 — блок управления электрооборудованием; 2 — комбинация приборов; 3 — преобразователь сигнала; 4 — блок плавких вставок моторного отсека; 5 — блок управления двигателем; 6 — аккумуляторная батарея; 7 — стартер; 8 — амперметр; 9 — генератор
1, 2 — вентиляция и кондиционирование; 3 — управление механической коробкой передач; 4- управление автоматической коробкой передач; 5 — охлаждение двигателя; 6 — блок управления двигателем; 7,12 — стартер и генератор: 8,9- комбинация приборов; 10,11 — наружное освещение
1 — монтажный блок моторного отсека; 2 — главное реле зажигания; 3 — реле топливного насоса; 4, 5 — кабель передачи данных; 6 — блок управления двигателем; 7 — экран кабеля питания топливного насоса; 8 — датчик давления топлива; 9 — топливный насос
Схема 9. Система изменения фаз газораспределения:
1 — блок управления двигателем; 2 — датчик положения впускного распределительного вала; 3 — датчик положения выпускного распределительного вала; 4 — датчик положения коленчатого вала; 5 — электромагнитный клапан впускного распределительного вала; 6 — электромагнитный клапан выпускного распределительного вала; 7 — датчик детонации
Точки подключения сигнализации Опель Астра H
Установили на авто GSM модуль 14.27.24 Указатели поворотов (Astra дизель) Указатели поворотов (Astra дизель)
Распиновка для различных марок авто и магнитол
Приступая к работе, ознакомьтесь с инструкцией к ресиверу, а также обратите внимание на маркировку и фишки самого изделия. На распиновку магнитол влияют штатные разъемы в разных автомобилях.
Схема распиновки iso разъемов к магнитолам pioneer
Подключение акустики этого хорошо известного, пользующегося популярностью у автомобилистов бренда, имеет некоторые особенности. Перед началом работы обязательно изучите руководство к установке. Монтаж прост, главное разобраться в назначении каждого цвета. Помимо инструкции в комплект входят две «фишки» с 4 парами контактов: для питания и акустики.
В распиновке штекера 10-20 выходов, функционал каждого разъема меняется зависимости от модели. Для серии KEH характерна следующая схема: № 1 — антенна, № 2 — зажигания, № 3-6 и 8-11 — усилители. Чтобы не запутаться внимательно изучите инструкцию.

Чтобы не сжечь акустику, перед подключением динамиков нужно подсоединить магнитолу, проверить, чтобы она светилась и переключалась.
toyota
Распиновку акустики этой марки осуществляют по стандартным схемам. Оптимально выбрать систему питания от АКБ, в этом случае нет риска его разрядки.
При подключении магнитолы используются стандартные схемы.
nissan
honda
Все модели автомобильных магнитол оборудованы универсальным европейским штекером для подключения к гнезду.
Стандартная европейская разводка выводов.
alpine
mitsubishi
Во всех моделях используется стандартная европейская распиновка акустической системы.
Главная проблема
- Первый – соединение в цоколе проводов двух цветов желтого и красного, включение/выключение ресивера не зависит от зажигания. Способ не удобен тем, что предрасполагает к разрядке АКБ, если не выключить акустику;
- Второй – провод подключают через замок зажигания, желтый – к бортовому компьютеру.
Alpine В интернете огромное количество информации в основном на форумах, где ремонт сим-модуля бортжурналы Opel Astra описывают довольно подробно. Автомеханики действуют по определенной схеме:
Сигнализация на Opel Astra H
Заливаем место пайки термоклеем. Опубликовано Показать все сообщения я проще схему знаю! Опубликовано Показать все сообщения Pandora например умеет заводить по can шине Статья больше для тех, кому установщики говорят, что в наш автомобиль очень сложно поставить сигнлизацию, особенно с автозапуском.
Установка автосигнализации на Opel Astra
Звонил и в ту и другую компании, говорят, что для обхода нужно использовать две CAN-шины, а их устройства это не поддерживают. Когда они выпустят такие устройства, то все равно, заниматься нашей машиной не будут, так как это устаревшая модель. Поэтому берем чип из второго ключа, провод и матаем катушки вокруг чипа и замка зажигания.
Как делать такой обходчик, подробно рассказывать не. Это пины: Зажигание — 2, ACC — В колодке нет ого пина, поэтому пришлось вставлять самому.

Автосигнализация на автомашину opel astra j и оpel astra h
- включение звукового сигнала при срабатывании датчиков охраны;
- передача тревожного сигнала на брелок;
- активация иммобилайзера;
- включение режима антиограбления;
- специального двухфазного выключения режима охраны;
- персональный код отключения;
- блокировки двигателя.
Переходники для iso разъемов Добавлено 18.12.14: На автомате тоже заводится по такой схеме подключения
