Почему Поворотники Горят на Ваз 2108 • Простые случаи
Почему не работают поворотники — причины неисправности поворотников
Автомобилисты часто сталкиваются с такой проблемой, как неработающий поворотник, но не каждому из них известно, как быстро решить проблему. Продолжать движение в случае возникновения такой поломки очень опасно. Лучше остановиться и постараться починить неисправность.
Виды неполадок и методы устранения
Указатель поворота правильно работает, если соблюдены следующие показатели:
- наличие включенного зажигания обеспечивает рабочий режим;
- передвижение подрулевого переключателя вверх и вниз должно сопровождаться включением поворотника с соответствующей стороны;
- сигнал, предупреждающий о повороте, должен мигать с частотой 60 циклов в минуту.
Любое другое поведение поворотника свидетельствует о какой-либо проблеме. К самых распространенным причинам неисправностей относятся:
Если в это же время не работают еще и аварийные огни, то однозначно нужно менять реле – оно неисправно.
Сбой в работе автоматического выключения можно исправить только одним способом – заменить выключатель. В случае такой поломки лучше обратиться за помощью к специалисту.
Также причиной неработающего поворотника может являться и сам включатель. Чтобы его проверить, нужно добраться до подрулевого переключателя и размонтировать его. Кстати, если случилась беда в виде невключающейся аварийной сигнализации при наличии нормально работающих поворотников, нужно просто заменить кнопку, отвечающую за включение аварийки.
Слишком часто мигающий поворотник – это верный признак того, что перегорела одна из лампочек, либо окислилась фишка в заднем фонаре или дорожка в монтажном блоке.
Тусклый свет поворотника – сигнал к проверке соответствия модели и мощности. Если все в порядке, то исправить ситуацию может зачистка контактов лампочек.
Реле поворотника, издающее щелчки, тоже не является нормой. Неисправность таит в себе монтажный блок, точнее, контакты реле. Звуки, похожие на щелчки могут возникнуть, если контакт окислился или слишком плотно прилегает. Также к этому приводит бракованное реле. Устранить проблему можно путем зачистки контактов или установив новое реле.
Указатель поворота, не работающий на одной из сторон ни спереди, ни сзади, ни в повторителе, говорит о том, что сломался подрулевой переключатель, отсутствует контакт с ним или о том, что вышло из строя все то же реле.
Электрическую схему указателя поворота защищает 8-ми амперный предохранитель, расположенный в монтажном блоке. В случае его поломки перестанут работать повороты как на левой, так и на правой стороне автомобиля.
Световая сигнализационная система обеспечивает безопасность движения, поэтому у водителя всегда должны быть с собой хотя бы лампочки требуемой мощности.
Видео
Как диагностировать неисправность поворотников, смотрите ниже:<

Поворотник не моргает а горит – Повороты просто горят, а не мигают (решено) — 2 ответа.
Как сделать чтобы поворотники горели постоянно — / Проверяем патроны и колодки передних поворотников (в передних блок-фарах и на крыльях) и соединительные колодки задних фонарей автомобиля.
Не работают поворотники ваз 2109 карбюратор
Указатели поворота работают только при включённом зажигании. При перемещении под рулевого переключателя верх или вниз, должны загораться соответствующие лампы по правому или левому борту автомобиля, работающие с частотой мигания порядка 60 циклов в минуту. Все остальные режимы работы будут считаться неисправностью.
В задних фонарях, питание от пучка проводов к лампам, идет через монтажную ленту. В случае не герметичности задних фонарей, на монтажную ленту попадет влага и пыль, что приводит к коррозии участков цепи. В результате чего, даже исправная лампа указателей поворота, гореть не будет.
Редкой, но всё же возможной, неисправностью поворотников на ВАЗ 2109 может быть отказ в работе самого монтажного блока. Самостоятельно устранить её, тем более в дороге, вряд ли удастся.
Вся электрическая схема указателей поворота защищена 8-ми амперным предохранителем, установленным в монтажном блоке. Естественно, если он перегорит то ни правая, ни левая сторона указателей поворота работать не будет.
Также необходимо проверять монтажные разъёмы, иногда именно в них происходит окисление контактов, в результате чего электрическая цепь будет прервана, а указатели поворотов перестанут работать.
Учитывая важность данной световой сигнализационной системы в обеспечении безопасности движения, водителю необходимо брать с собой в запас хотя бы пару ламп необходимой мощности для указателей поворота.

Не работать могут как один указатель поворота («поворотник»), так и два, или сразу все и т. д., в разных сочетаниях.
Причины неисправности указателей поворота
1. Не работает один указатель поворота (передний, либо задний).
При перегорании лампочки в одном или нескольких указателях поворота на автомобилях ВАЗ 2108, 2109, 21099 оставшиеся начинают мигать с удвоенной частотой. Визуально устанавливаем где перегорела лампочка, по очереди включая указатели поворота. Лампочку заменяем исправной.
Окислился патрон лампочки
Несколько раз поворачиваем лампочку в патроне для восстановления контакта.
Окислились или ослабли соединения проводов
Проверяем патроны и колодки передних поворотников (в передних блок-фарах и на крыльях) и соединительные колодки задних фонарей автомобиля.
«виновники» отказа «поворотника» на крыле автомобиля ВАЗ 2108 (2109, 21099)
Все фонари и лампы автомобилей ВАЗ 2108, 2109, 21099 имеют минусовой провод , поэтому следует проверить его контакт с «массой».
Перегорела дорожка в платах задних фонарей
Реле включения поворотников ВАЗ 2108, 2109
Проблема с поворотниками | ВАЗ: передний привод Третья — поворотники-габариты. Не путать с габаритами в поворотниках!
#10 25.11.2010 20:26:44
Ave Посетитель Откуда: Вологда Авто: ВАЗ 21093 Samara Baltica L 1997 г.в. Регистрация: 13.11.2009 Сообщений: 13
emoral:

Перед тем как пополнять карманы продавцов автозапчастей, все же воспользуйся вариантом полной разборки заднего фонаря. Делов минут на десять, а экономия на. Не поможет, тогда дальше смотреть можно будет
дело в том что «электрик» мне всё сделал,но с утра та же хрень,позвонил ему,а он руками разводит «ну тогда не знаю»,благо что электрик знакомый,пообещал сделать попозже так как свою машину собирает,но мне-то ездить надо!
emoral:
Перед тем как пополнять карманы продавцов автозапчастей, все же воспользуйся вариантом полной разборки заднего фонаря. Делов минут на десять, а экономия на. Не поможет, тогда дальше смотреть можно будет
Контакт с фарой осуществляется не очень качественным крепежом.
PS/ извините, к авто как компьютеру отношусь, зрю в корень, а потом дальнейшая диагностика
Не работают поворотники ваз 2109 карбюратор — Все о Лада Гранта
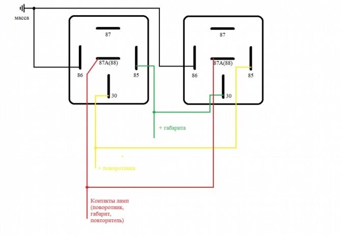
Аварийка и поворотники не моргают а горят постоянно Режем резиновую трубку, в которой идут провода на габариты, пополам. Через нее уже пропущен красно-черный провод с подсветки поворота.
Как сделать поворотники габаритами?
Виды работ
Доработать поворотники на авто можно следующими способами:
- дополнить горящие поворотники габаритами, переместив их с передних фар;
- вставить дополнительные габаритные лампы на переднюю оптику;
- изменить цвет габаритных ламп на желтый или белый;
- использовать гибкие ДХО с функцией поворотника.
Если у габаритов желтый цвет, тогда свет от поворотников будет с ним сливаться, если цвет белый, тогда на фоне основных габаритов поворотники станут выделяться
Процесс установки
Прежде чем понять, как подключить поворотники к габаритам, учтите, что существует два главных цвета оптики габаритных огней:
Габаритные огни в поворотники на авто вставляются следующим образом:
- в поворотной оптике на ВАЗ вырежьте отверстие, куда будет вставлен патрон. Допустимо использовать тип патрона w5w. Он будет вставлен в стандартную лампочку накаливания на 5 Вт или в светодиодную ленту;
- патрон закрепите в оптике для поворота во избежание попадания влаги, грязи и для долговечного крепления;
- для переноса освещения из фар в ВАЗ 2107 или 2109 переключите провода к только что вмонтированному патрону. При подсоединении дополнительных огней без переноса замкнуть контакт требуется в колодке, которая идет на блок-фару, параллельным образом.
Авто после такой доработки приобретает особый шарм
Несмотря на кажущееся удобство для водителя, согласно КоАП, подобное изменение конфигурации ведет к заблуждению других водителей и даже становится причиной аварий.
Также учтите, что при установке спереди машины приборов освещения, оснащенных красными огнями или отражателями, а также приспособлений с несоответствующим законодательству режимом работы и цветом вам грозит штраф в таких размерах:
Штрафные санкции регулируются положением по допуску автомобилей к эксплуатации.

Не горят стоп сигналы ваз 21099 инжектор.
- Параллельно светодиодам можно включить в схему реле балластный резистор (выбор зависит от того, какова марка автомобиля, для ВАЗ-2110, например, это 2,2 кОм);
- Вместо резистора просто добавить параллельно обычную лампу;
- В схеме заменить конденсатор на более ёмкостной;
- Параллельно существующему можно впаять ещё один конденсатор с той же ёмкостью.
Причины Указатель поворота правильно работает, если соблюдены следующие показатели:
Постоянно горит лампочка поворотника: мнения автовладельцев
«Если постоянно горит лампочка поворотника, то дело в реле. Была такая беда – снял, почистил контакты – прошло. Через неделю опять повторилось. Еще раз почистил. Опять горит. Потом надоело, купил новое, заменил и забыл надолго. Цена вопроса – копейки, а старое ремонтировать – только время тратить. Если пружина в реле ослабла, его уже не вылечишь».

Рекомендуем
Пришлось отключить сигналку
«Постоянно горела лампочка поворотника. Не было слышно щелчков реле и мигания на панели приборов. Поменял реле – не помогло. Зато при отключении сигналки все начинало работать штатно. Пришлось совсем ее отключить и так ездить. Теперь надо снимать блок управления сигнализацией и разбираться, что с ней не так».
Найдите скрутки возле блока
- дополнить горящие поворотники габаритами, переместив их с передних фар;
- вставить дополнительные габаритные лампы на переднюю оптику;
- изменить цвет габаритных ламп на желтый или белый;
- использовать гибкие ДХО с функцией поворотника.
Убедитесь, что лампочки работают Как диагностировать неисправность поворотников, смотрите ниже:
Причины
Для начала разберитесь, почему не моргают поворотники при включении сигнализации. Причин может быть несколько:
- Обрыв провода, который идет к поворотникам. Такая ситуация происходит редко, но ее можно распознать по характерному треску реле.
- Повреждение охранной системы из-за короткого замыкания в реле.
- Перегорание предохранителя.
- Поломка источника освещения.
- Выход из строя реле, осуществляющего управление.
- Сбои в работе блока сигнализации и т. д.

Это основные объяснения, почему при постановке на сигнализацию не моргают поворотники. При этом в большинстве случаев поломка устраняется самостоятельно и можно не обращаться за помощью к работникам СТО. Какие принимать шаги, рассмотрим ниже.
Схема включения указателей поворота и аварийной сигнализации ВАЗ-2113, 2114 и 2115
- поднятая вверх рука говорит о намерении водителя затормозить.
- вытянутая горизонтально влево рука предупреждает о намерении повернуть налево или перестроиться в левый ряд.
- вытянутая правая рука или согнутая в локте левая, смотрящая кистью вверх, говорит о вышеперечисленных маневрах, но вправо.
Рекомендуем Электронное реле лишено механической части. Нихромовая нить заменена схемой, выдающей импульсы для вспышек. Она работает бесшумно, поэтому производителям пришлось добавить динамик для звукового сопровождения.
Recommendations
Comments 12
У меня так горел стом на 9ки инжекторной с панелью без приборов когда машина заглохнет)
вырубай зажигание проверяй уровень масла и уровень тормозухи. а потом после добавления врубай. у меня так из за нехватки какого то пол сантиметрика тормозной вижжал стоп. Успехов.
у меня горит стоп и будто какая то лампочка перегорела.
вот датчик давления масла есть, а датчика износа колодок нет.я вот чего заметил, у меня у друга при нажатии на тормоз загорается стоп и неисправность ламп, отпускает и все гаснет. еще у меня релюшки нет на неисправность ламп в блоке.
а лампочка масла случайно не горит у тебя?
точно что не знаю, но у меня раньше горел стоп, блок поменял и стоп перестал гореть а блок простой нового оброзца, мне мой автоэлектрик сказал что там типо блоки идут под год машины мне в магазине сказал что это пофигу какой год и если у автоэлектрика руки растут откуда надо то он всё нормально подключит) блок помойму даже инжекторный точно не могу сказать)

Emoral:
Электрика

Recommendations
- Начинаем с предохранителя
. Монтажный блок с ними встроен под капотом со стороны руля. Если у вас стоит блок 17.3722, вам нужен предохранитель №6, если 2114 – F3. Перегоревший меняем, целый возвращаем назад; - Проверка цепи
. Просматриваем все провода, контакты и соединения. Начинаем с плюса. С генератора на стоп сигналы идет вывод 30, промежуточное звено – колодка Ш8. Она самая крайняя слева в двигательном отсеке, провода розового цвета. Затем идет монтажный блок. Предохранитель мы уже прозвонили, так что обращаем внимание на колодку Ш4 и белый провод, который ведет к датчику стоп-сигналов. Нет разрывов – следуем по красному проводу к колодке Ш2, сквозь монтажный блок и на колодку Ш9. Если и здесь все в порядке, проверяем красный провод, протянутый через весь салон к неработающей задней фаре. После прозвона плюса обращаемся к минусу. Они представлены черными проводами, исходящими из колодок к блок-фарам; - Проверка ведется контрольной лампой, подсоединяемой одним выходом к текущим выводам, а вторым замыкая ее на массу. Или же можно кинуть длинный провод на плюс аккумулятора. Все перебитые проводки заменяются, контакты зачищаются и подтягиваются. Если после всех проделанных манипуляций по-прежнему не горят стоп-сигналы на ВАЗ 2109, значит, вы имеете серьезные проблемы с монтажным блоком предохранителей. Проверять его придется полностью, от и до, поскольку неизвестно, в каком месте случился пробой.
Зачем нужны указатели поворота Проверяем не окислены ли контакты реле Ваз 2109
