Ошибки Автономки Камаз 6520 Евро 3 © Особенности агрегата
Основные причины неработоспособности педали газа на КАМАЗ
Многие водители, сталкивающиеся с неадекватным поведением автомобиля при управлении педалью акселератора, относят эту неисправность ко многим системам двигателя и характеризуют возможные причины как:
- завоздушивание топливной системы;
- некорректная работа форсунок;
- износ топливного насоса;
- загрязнение воздушного и топливного фильтра;
- неисправность датчиков расходомера, коленвала и др.;
- неисправность системы горного тормоза (залип контакт, короткое замыкание или обрыв по проводке);
- отказ работоспособности педали газа.
Тот факт, что неработоспособность педали газа в данном случае поставлена на последний пункт, свидетельствует о том, что водители отечественных грузовых автомобилей слабо подготовлены к электронизации оборудования.
Электронная и механическая часть педали газа на КАМАЗ не отличается повышенной надежностью, поэтому нередко выходит из строя. Основные причины, по которым не работает педаль газа на КАМАЗЕ в электронном варианте исполнения:
- неисправность цепей передачи сигнала и подачи питания на электронную педаль;
- отказ ползунковых потенциометров электронной части педали газа;
- механическая неисправность педали акселератора, нарушение крепления к оси при чрезмерном или резком усилии при нажатии на устройство;
- смещение электронной педали в случае нарушения конструкции крепления к кузовным деталям;
- обрыв электропроводки к блоку управления двигателя;
- неисправность блока управления двигателя.

Камаз Евро 5 не заводится: причины, неисправности, что делать?
- крепление ползунковой зоны к оси педали;
- резистивные зоны потенциометров (со временем они стираются);
- места пайки, которые могут разрушаться при попадании химически активных веществ (растворителей, соленой воды);
- проводники в месте выхода из разъема и конструкции педали (чаще всего они в этих местах обламываются при механическом воздействии);
- контакты разъема (разрушаются вследствие окисления, подгорания контактов).
Предохранители и реле Камаз 65115 Евро 3 / 4 с описанием и схемами блоков Для предотвращения пожара не разрешается: разогревать двигатель в случае подтекания топлива, работать с открытым пламенем на выходе из котла, держать открытым кран питания при неработающем подогревателе.
Что делать в данной ситуации?

Диагностика Камаз
Производитель КамАЗ старается сделать автомобиль надежным, но бывают ситуации, когда внезапно автомобиль КамАЗ заглох и не заводится.
Сначала нужно определить, как проявляется данная неисправность. Есть два варианта поломки:
Рекомендации:
- Проверить предохранители
- Проверить наличие топлива в баке
- Проверить топливный фильтр на засоренность и при возможности заменить его
- Визуально проверить состояние электропроводки
- Проверить контакты АКБ и подтянуть их
- Попытаться запустить двигатель с помощью эфира
- Если вы выполнили все действия и не добились положительного результата — звоните специалистам по телефону +7 (917) 555-00-05
КАМАЗ евро-3 -4 не заводится — Эксперт-Автоэлектрик
- Отсутствие контактов в разъемах электропроводки
- Отсутствие напряжения питания на блоке управления двигателем
- Выход из строя главного реле автомобиля
- Неисправность замка зажигания
- Обрыв или замыкание шины КАН
- Отсутствие “массы” (плохая «масса»)
- Неисправность втягивающего реле стартера
- Неисправность блока управления двигателем
14ТС-10 Теплостар: виды, характеристики, коды ошибок и их устранение своими руками В каждой из таких ситуаций наиболее вероятные причины неисправностей могут быть различными. Поэтому перед поиском конкретного источника и причины неисправности следует обстоятельно проанализировать признаки отказа запуска двигателя, предпосылки к этому.
Неисправности и ремонт
АБС имеет встроенную функцию самодиагностики. Она включается поворотом замка зажигания в положение «I». В этом режиме проводится проверка работоспособности датчиков, блоков, связей и элементов системы. Сигнал снимается при достижении автомобилем скорости 7-10 км/ч. Если же он продолжает гореть, то проверку проводят в режиме принудительной диагностики АБС.
Коды ошибок
Выполняя ремонт автомобиля, необходимо помнить, что выключатель «массы» должен быть отключен, а система обесточена.

Не работает педаль газа на Камазе: распиновка, неисправности
Подробно по назначению

ПЖД-14ТС
- Компоненты электронной системы управления
- Принцип работы ABS на КамАЗе
- Неисправности системы управления тормозами АБС
- Советы по предотвращению и устранению поломок
- Преимущества грузового автомобиля КамАЗ с системой ABS
Коды ошибок и возможные неисправности ПЖД-14ТС Самый простой способ отключить антиблокировочную систему — это вынуть предохранители или отсоединить разъемы датчиков. Однако это делать не рекомендуется в связи с тем, что работоспособная система уменьшает тормозной путь и не дает машине двигаться юзом.
Блок предохранителей

| 1 | Резерв |
| 2 | Ближний свет правый, корректор |
| 3 | Ближний свет левый |
| 4 | Задний противотуманный фонарь |
| 5 | Дальний свет правый, контрольная лампа дальнего света |
| 6 | Дальний свет левый |
| 7 | Резерв |
| 8 | Габарит правый, подсветка приборов |
| 9 | Габарит левый |
| 10 | Противотуманные фары |
| 11 | Центральный переключатель света, прожектор |
| 12 | Маяки |
| 13 | Спальное место, подкапотная лампа, фонари автопоезда |
| 1 | Резерв |
| 2 | Электронный спидометр, электронный тахометр |
| 3 | АБС тягача |
| 4 | АБС прицепа |
| 5 | Приборы, электронный спидометр, электронный тахометр |
| 6 | АБС тягача, реле (клапан) моторного тормоза |
| 7 | АБС прицепа |
| 8 | Датчик уровня газа (на газовых автомобилях) |
| 9 | Питание стеклоочистителя |
| 10 | Питание блока системы управления двигателем |
| 11 | Электро факельное устройство |
| 12 | Резерв |
| 13 | Резерв |
ряд F6 (для двигателей КАМАЗ)
| 1 | Блок управления двигателем |
| 2 | Блок управления двигателем |
| 3 | Разъем диагностики |
| Реле торможения | |
| 4 | Контрольные лампы |
| 5 | Контрольные лампы |
| 6 | Блок управления пневмо подвеской |
| 7 | Насос мочевины |
| 8 | Насос мочевины |
| Датчик NOх | |
| 9 | Резерв |
| 10 | Резерв |
| 11 | Блок управления АКПП |
| 12 | Сигнал торможения ретардером |
| 13 | Блок управления АКПП |
| 1 | Блок управления двигателем |
| 2 | Блок управления двигателем |
| 3 | Разъем диагностики |
| Реле торможения | |
| 4 | Контрольные лампы |
| 5 | Контрольные лампы |
| 6 | Блок управления пневмо подвеской |
| 7 | Насос мочевины |
| 8 | Насос мочевины |
| Датчик NOх | |
| 9 | Резерв |
| 10 | Резерв |
| 11 | Блок управления АКПП |
| 12 | Сигнал торможения ретардером |
| 13 | Блок управления АКПП |
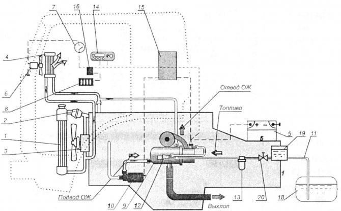
Устройство ПЖД
- реле управления питанием после замка выключателя приборов и стартера
- реле выключателя приборов и стартера
- реле включения аккумуляторной батареи
- реле сигналов торможения
- реле заднего хода
- реле звукового сигнала
- реле ближнего света
- реле дальнего света
- реле задних противотуманных фар
- реле противотуманных фар
- реле габаритных огней
Подробно по модельному ряду Коды ошибок завязаны на мигании светодиода. По количеству миганий можно определить ошибку:
Что делать для устранения неисправности
В случае неисправности Камаз Евро 5 по причине отказа запуска двигателя необходимо последовательно проверять системы и узлы автомобиля и двигателя, которые могут быть причиной отказа в конкретной ситуации. Нельзя хаотически и спонтанно контролировать возможные причины на основании сведений, полученных из интернета. Таким образом можно поменять полмашины, не достигнув результата.
Наиболее оптимальный алгоритм устранения неисправности:
- Включить зажигание, проверить сообщения приборной панели, индикаторных лампочек. Возможно, они указывают на конкретную неисправность, например, иммобилайзер.
- Проконтролировать напряжение бортовой сети, напряжение между клеммами АКБ, состояние «массы» автомобиля и двигателя. Для этого необходим мультиметр, в крайнем случае, контролька.
- Проверить подачу напряжения на стартер. Можно кратковременно включить стартер, принудительно подав + на управляющий вывод. Есть случаи, когда стартер удается временно «запустить», слегка постучав по нему твердым предметом.
- Проконтролировать исправность предохранителей, прежде всего по цепям питания, подачи напряжений на блок управления двигателя. Для этого необходимо скачать схему блока управления двигателя. EDC 17, как вариант одной из версий ЭБУ Камаз Евро 5, имеет вид.

Как видно по схеме, напряжение питание подается на контакты 2, 3, 8, 9 разъема 1 блока.
- Проверить исправность реле, обслуживающих блок управления, в случае необходимости заменить их. Можно на время поменять местами реле с одинаковым артикулом (типом, который указан на его крышке).
- Проконтролировать состояние электропроводки, контактов разъемов (немного пошевелить их). При этом зажигание обязательно должно быть выключено.
- Заменить топливный и воздушный фильтр, если они имеют срок эксплуатации, близкий к критическому.
- При чрезвычайно низких температурах окружающего воздуха проконтролировать топливо на случай парафинирования.
- Проконтролировать исправность датчиков, прежде всего, коленвала. Лучше, если такой датчик имеется в ремкомплекте автомобиля. Проконтролировать состояние его контактов на разъеме.
- Если предыдущие меры результат не принесли, возможная причина – отказ блока управления двигателя. Для контроля его исправности требуется установка заведомо исправного ЭБУ (в комплекте с иммобилайзером и чипом, либо безиммового).
Часто неисправность в виде отказа запуска двигателя Камаз Евро 5 происходит на трассе, вдали от места ремонта и стоянки. В этом случае незаменимыми окажутся следующие узлы и детали в бортовом ремкомплекте:
- запасной стартер или его ремкомплект;
- дополнительный ЭБУ (подвязанный);
- комплект предохранителей и реле для Камаз;
- схемы электрооборудования Камаз;
- комплект проводов и электроинструмента;
- мультмиметр, контролька;
- зарядное устройство;
- слесарный набор;
- датчик коленвала.
Блок реле за панелью выключателей
- появление посторонних запахов в кабине, прежде всего, горелой изоляции проводки;
- искрение в области блока предохранителей;
- временный сбой работы стартера;
- изменение характера выхлопных газов;
- резкие провалы мощности;
- увеличение потребления топлива на единицу пути;
- ситуация ДТП, даже с незначительными повреждениями;
- сообщения бортового компьютера о внезапно появившейся ошибке и др.
Блок предохранителей Видео инструкция по пользованию устройством управления EasyStart Timer (недельный) от Eberspacher.
Схема подключения ПЖД на Камаз

всем привет вопрос, запускаю автономку, но печка сама не включается, и так на всех пяти новых камазах, на старом включалась, что можно сделать?
Артём (Nadiyya) а может ее нужно подключить?
Cергей (Luvena) бывает замерзает подача топлива и она не выключается покабочек не заполнится у нас так было.
Cергей (Luvena) ну так вот у неё есть свой топливный бочек откуда она питается когда там топливо есть то работает как положенно включается и отключается только топливо кончилось и не бролось она не отключится пока не наберется.
Cергей (Luvena) автономка а печка работает отдельно у нас в колоне на новых так Пжд отдельно работает не отключая печку.
Евгений (Tudwal) на старом как было включаеш пжд и идет как бы тест включается насос который гоняет тосол и моторчики печки на 2-3 сек после все отключается и начинает запускатся пжд а на этом в тесте запускается только носос и все
Евгений (Tudwal) нет не фен, родная заводская автономка, ну или пжд каму как угодно, да крутилка то есть.
Cергей (Luvena) на одной есть на другой только кнопка. у тебя какая? с кнопкой или с крутилкой?
Евгений (Tudwal) 2 кнопки одна вкл выкл другая 3 часа 8 часов и крутилка модель помоему 14ст-10
При первоначальном запуске отопителя сначала производится диагностика устройства. Если все в порядке, начинается розжиг, если нет, на пульте появляется код неисправности. Самые ходовые – 002 и 011 (пониженное напряжение); 052, сигнализирующая о проблемах с топливом, и 012 (перегрев). Если слишком долго эксплуатировать перегревающийся отопитель, он заблокируется.
Выключается отопитель тоже не так просто. Останавливается топливный насос, гаснет факел, включается для очистки свеча, а вентилятор продолжает работать еще несколько минут для того, чтобы теплообменник, представляющий собой кожух из алюминия, или котел, как его называют некоторые водители, успел охладиться.
Читайте также: Снегоуборщики Patriot — обзор популярных серий бренда. Описание, особенности и отзывы пользователей
Загорелся АБС: что делать водителю
- Номинальная теплопроизводительность: 30 кВт.
- Расход топлива: 4,2 кг/час.
- Номинальное напряжение: 24В.
- Рабочее напряжение: 20-30В.
- Сила тока на свече: 5А.
- Потребляемая мощность: 340 Вт.
- Температура газов на выходе: 500 С.
- Масса: 17 кг.
- Ресурс работы: 500 час.
- Размеры: 210*520*266 мм.
- Цена: 30000 руб.
Основные причины неработоспособности педали газа на КАМАЗ Перед выездом в рейс каждый ответственный водитель должен изучить систему управления двигателя, место расположения основных узлов, датчиков, устройств силового агрегата.
