Ошибка Рено Меган 3 Проверить Систему © Типы устройств
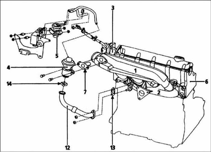
Рециркуляция отработавших газов
Примечание. Следующая процедура применима только к двигателям F8Q. Из-за необходимости использования специального диагностического оборудования Renault для проверки клапана на двигателях F9Q, эту работу поручите СТО Renault.
1. Запустите двигатель и дайте ему прогреться до нормальной рабочей температуры (должен включиться вентилятор охлаждения).
2. При работающем на холостых оборотах двигателе, отсоедините вакуумный шланг от клапана рециркуляции. После чего должен быть слышен щелчок закрывающегося клапана. Если щелчка не слышно, действуйте следующим образом.
3. Проверьте, чтобы имелось разрежение на конце вакуумного шланга, идущего к клапану рециркуляции. Если имеется подходящий манометр, проверьте, чтобы давление было меньше 500 мБар. Если вакуум присутствует, вероятно неисправен клапан рециркуляции (прищемлена или пробита диафрагма). Если вакуума нет, выполните следующие проверки.
4. Проверьте надежность крепления всех соединений шлангов.
5. Проверьте подачу питания на обмотку клапана.
7. Проверьте функционирование микровыключателя системы рециркуляции отработавших газов и системы преднакала как описано в Главе Электрооборудование двигателя.

Решение проблемы кода неисправности P0313: расшифровка, причины, сброс
Проверка и замена компонентов систем снижения токсичности отработавших газов дизеля Renault Megane, Снижение токсичности
При проявлении проблемы в виде неравномерного холостого хода или дерганья двигателя, проверьте всю проводку и разъемы, ведущие к цилиндрам. Далее, стоит проверить свечи, провода, а также катушки.
Трафик
| Страна | Место в странах | Посетители % | Просмотры страниц % |
| Россия | 76582 | 74.88% | 73.32% |
| Армения | 280178 | 0.93% | 0.96% |
| Украина | 694164 | 2.67% | 2.7% |
| Казахстан | 868456 | 1.21% | 0.94% |
| Германия | 7342398 | 1.12% | 0.95% |
| Индия | 9294129 | 0.71% | 1.12% |
| Россия, Армения, Украина, Казахстан, Германия, Индия являются самыми популярными странами. | |||
| Регион | Место в регионе | Посетители % | Просмотры страниц % |
| Средняя статистика за последние 3 месяца | ||
| Место в мире | 1,520,021 | +79,345 |
| Месячная посещяемость | 12,330 | -5.22% |
| Позиция по месячной посещаемости | 1,518,116 | +79,246 |
| Просмотры страниц в месяц | 67,320 | 2% |
| Позиция по просмотрам страниц | 1,401,050 | -28,021 |
| Просмотров страниц 1 посетителем | 5.46 | — |
Диагностический разъем для подключения внешних тестирующих модулей моделей Megane II обычно размещен под магнитолой на центральной консоли приборной панели. Он скрыт под декоративной крышкой с защелками. Чтобы добраться до разъема, нужно поочередно поддеть ее с двух сторон крючкообразным инструментом, вставляя его в отверстия.

При этом нужно подтягивать крышку на себя, тем самым не давая фиксаторам снова защелкнуться.
Диагностический разъем OBD II
Ремонтируем Рено Меган 2 САМИ
Каталитически преобразователь

Диагностический разъем renault megane: диагностика своими руками
- климат-контроля;
- центральный коммуникационный блока салона;
- приборной панели;
- механизм рулевого управления;
- системы безопасности;
- тормозного механизма;
- системы подачи топлива.
Ошибки борт-компьютера Меган 3 турбо-дизель — Megane-III — Форум Клуба Рено | Авто центр SPB — ремонт автомобилей и заказ запчастей
Примечание. Следующая процедура применима только к двигателям F8Q. Из-за необходимости использования специального диагностического оборудования Renault для проверки клапана на двигателях F9Q, эту работу поручите СТО Renault.
Наиболее распространенные коды ошибок
DF080
Это код из разряда ошибок фазорегулятора, сигнализирующий об изменениях в цепи фазорегулятора.
Причина. Неисправность датчика положения распредвала. Изношенный фазорегулятор. Заклинивание клапана фазорегулятора.
DF119
Последствия. Особых последствий не ощущается, так как, при возникновении подобной ошибки, ЭБУ обычно использует другую программу управления ДВС.
DF1070
Это ошибка датчика температуры хладагента в системе кондиционирования. Она может появиться независимо от сезона, так как кондиционер обеспечивает комфортные условия летом и обдувает теплым воздухом замерзшие стекла зимой.
Причины. Маленькое давление в системе. Большое или маленькое количество хладагента. Износ датчика. Блокировка расширительного канала. Неисправность главного вентилятора. Короткое замыкание в цепи.
Последствия. Блокировка работы кондиционера. Система пытается предотвратить износ других элементов, таких как компрессор.
- Проверьте уровень хладагента.
- Замерьте напряжение на выходах датчика. Осмотрите его состояние. Он может быть вздут. В случае неисправности, замените элемент.
- Прозвоните всю электрическую цепь, проверьте на предмет коротких замыканий.
- Осмотрите главный вентилятор.
- Осмотрите разъемы. Если они повреждены, заменить весь блок полностью.
DF049
Ошибка сигнализирует о сбоях автоматической коробки передач.
Причины. Неисправный гидроблок. Неисправные соленоиды. Заклинивание соленоидов.
Последствия. Сбои в открытии/закрытии масляного клапана, пробуксовка и подергивание автомобиля. Появление металлической стружки внутри КПП.
- Продиагностируйте гидроблок.
- Замените клапаны-регуляторы.
- Осмотрите соленоиды.
- Проверьте работу каждой из передач. Номер клапана соответствует номеру передачи. Замените неисправно работающий клапан.
DF053
Ошибка указывает на проблемы в регулировке давления системы подачи топлива.
Причины. Сбои работы топливных форсунок. Проблемы в работе клапана редуктора. Повышенная нагрузка на мотор. Низкое давление топливной рампы.

Последствия. На панели приборов появляется индикатор Injection Fault, иконка СТОП, а по салону раздается неприятный звуковой сигнал. Потеря динамики и тяги.
- Если такое случилось во время движения, перейдите на пониженную передачу.
- Проверьте клапан редуктора.
- Проведите диагностику топливных форсунок.
- При необходимости замените инжекторы.
- Замените распылитель в случае износа клапана, седла или штока.
Информационные сообщения бортового компьютера «Рено»
- Снимите аккумулятор и зачистите его клеммы.
- Зарядите АКБ с помощью зарядного устройства.
- Проверьте блок предохранителей.
- Проверьте генератор. Посмотрите на щетки — их длина должна быть не менее 7 мм.
- Проверьте провод, соединяющий БЗК и реле регулятора, на предмет обрыва.
- Замерьте напряжение на клеммах аккумулятора, вначале на холостом ходу. Показатель должен составлять 13-14 В. Увеличивайте количество оборотов. С повышением оборотов мультиметр должен выдавать 14,2 В, а затем 14,5 В (при 3500 об/мин).
- Если показатели не сошлись, замените реле регулятора.
Ошибки P0… Причина. Проблемы с подушкой безопасности.
Как подключиться к разъему с помощью проводов
Большинство выпускаемых современных сканеров поддерживают практически все модели автомобилей. Многие автовладельцы отдают предпочтение LAUNCH X431 QuiCheck. Это устройство работает на современной элементной основе. Отличительной особенностью сканера является то, что он способен проводить как бы тщательную диагностику, использовать более 40 программ.
Отметим, что LAUNCH производит специализированные тестовые устройства, они могут быть как полупрофессиональными, так и профессиональными. Многие специалисты рекомендуют приобретать проводной адаптер Scanmatik 2, работающий в Windows. Это устройство идеально подходит для автомобиля Renault Megane 2.

DF080
Трансмиссия

Low battery
- климат-контроль;
- центральный блок связи кабины;
- панель;
- рулевой механизм;
- системы безопасности;
- тормозной механизм;
- топливные системы.
Управление выбросом отработавших газов
(Ссылка на источник фото)
Check injection – это ошибка, связанная с системой впрыска и возможными повреждениями дроссельной заслонки и ее разъема. Поломка сопровождается плавающими оборотами регулятора холостого хода Megane 2.
Диагностика и решение проблем
Иногда при обнаружении неисправности P0313 не наблюдается никаких симптомов. Самое простое в этом случаи просто сбросить код и посмотреть, вернется ли он. Ну и конечно проверить уровень топлива в баке.
При проявлении проблемы в виде неравномерного холостого хода или дерганья двигателя, проверьте всю проводку и разъемы, ведущие к цилиндрам. Далее, стоит проверить свечи, провода, а также катушки.
В некоторых случаях причиной является вышедший из строя каталитический нейтрализатор. Если вы чувствуете запах тухлых яиц в выхлопе, катализатор необходимо заменить. Неисправные топливные форсунки, также не стоит упускать из вида.
Случайные пропуски зажигания, могут быть из-за обедненного топлива. Это, может быть связано с утечкой вакуума во впускном коллекторе или с воздухом, проходящим мимо датчика воздушного потока. А также из-за застрявшего в открытом положении клапана рециркуляции отработавших газов.

DF1070
- Низкий уровень топлива, ниже уровня всасывания топливным насосом.
- Отказ топливного насоса.
- Неисправные или изношенные свечи.
- Износ или повреждение проводов зажигания.
- Выход из строя катушки.
- Кислородный датчик неисправен.
- Повреждение топливных форсунок.
- Утечка вакуума.
- Низкое давление топлива.
- Неисправен датчик положения распредвала.
- Неисправность датчика положения коленчатого вала.
- Засорение трубок или клапана системы рециркуляции отработавших газов.
- Забиты каталитические нейтрализаторы.
- Датчика расхода воздуха неисправен.
- Неисправность датчика положения дроссельной заслонки.
- Протекающая прокладка головки блока цилиндров.
- Низкая компрессия двигателя.
- Некачественное топливо.
- Иногда причиной является неисправный модуль PCM.
DF053 Причина. Неисправный второй лямбда зонд. Механические повреждения датчика, обрыв в цепи.
Самая полная расшифровка сообщений бортового компьютера Renault
Дата публикации 19 октября 2018 . Опубликовано в Секреты Рено
Бортовой компьютер — информационная система, которая оценивает состояние электронных систем автомобиля и выводит результаты диагностики, а также информацию о поездке на экран приборной панели.
Когда в управляющей электронике возникают сбои, владелец видит соответствующее предупреждение на приборной панели.

Поэтому важно понимать, что именно сообщает вам ваш «Рено». Для решения некоторых проблем понадобится компьютерная диагностика с использованием специального ПО. Отдельные ситуации решаются только после технического обслуживания и даже ремонта машины.
В случаях, когда вы поняли причину неисправности и приняли меры, а ошибка не пропадает, полезно обнулить показатели борткомпьютера Renault. Для этого нужно нажать и удерживать клавишу.
Типы устройств
- владелец не (полностью) снял машину с «ручника»;
- уровень тормозной жидкости в бачке снизился или она утекает;
- тормозные колодки износились;
- перегорела лампа стоп-сигналов.
Клапан рециркуляции отработавших газов
Неисправность P0313 считается серьезной, ее необходимо, как можно скорее устранить. Так как длительное вождение с пропусками зажигания может привести к дорогостоящему повреждению двигателя и каталитических нейтрализаторов.
Все коды ошибок Renault и их расшифровка на русском языке
Если фильтрующее устройство не забито, а блок управления системой впрыска работает корректно, рекомендуется произвести диагностику электромагнитного клапана регулировки давления горючего.
Надо проверять работу сажевого фильтра, поскольку устройство может быть забито. В этом случае потребуется его очистка или замена.

Если проворачивание производится с переменным усилием, ошибки рено меган 3 может сообщить об отсутствии воды во втулках топливного насоса высокого давления.
В случае, если вал не проворачивается, то в устройстве имеется конденсат. Устройство вкручивается в насос на место топливной магистрали либо в центральное отверстие узла. Если полученные параметры сильно отличаются, это говорит об износе плунжерной составляющей и необходимости ее замены.
Возможна утечка фреона в результате повреждения магистралей. P Данная комбинация символов сообщает о неисправности в работе клапана рециркуляции отработавших газов, в частности: Надо проверять все элементы системы на предмет отсутствия повреждений.
Превышение ошибки рено меган 3 параметра давления обычно связано с неисправностью датчиков. PF Бортовой компьютер автомобиля сообщает о забитом сажевом фильтре двигателя Код Ошибки в работе ошибки рено меган 3 пассивной безопасности B Неисправность в работе одной из подушек безопасности, устройство может не раскрыться при аварии.
Появление данной ошибки сопровождается включением соответствующего индикатора на приборной комбинации. Причины кода может быть много: BF f20 Указывает на необходимость сменить блок подушек безопасностии после их срабатывания. Если код выдается ошибочно, то нужно попробовать дилерским сканером снять блокировку с модуля.
DF Повреждение электроцепи или обрыв кабеля, питающего заднюю боковую грудную подушку безопасности водителя. Если контакты и проводка целая, то тестированию подлежит датчик устройства.
Надо проверять работу блока управления системой пассивной безопасности и убедиться в его качественном контакте. DF Повреждения кабеля, подключенного к датчику боковой грудной ошибки рено меган 3 безопасности со стороны водителя DF На Рено Магнум Евро 3 и других версиях данный код обозначает проблемы в работе системы пассивной безопасности.
Также проблема ошибки рено меган 3 состоять в проводке натяжительного устройства поясной лямки ремешка, установленного со стороны пассажирского кресла. При такой ошибке блок управления может требовать от водителя отключить силовой агрегат, определяя его состояние как рабочее, хотя по факту мотор будет выключен.
DF064
Расшифровка сообщений БК Renault с английского + пояснения Причины. Неисправность подрулевого шлейфа или электронного блока управления. Сбои работы нижнего кислородного датчика.
