Не Горят Противотуманные Фары Бмв Е39 – Схема предохранителей
Указатель поворота, зеленая
Лампа мигает при включении указателей поворота. При движении с прицепом лампа мигает также при включении указателей поворота на прицепе. Учащенное мигание свидетельствует о дефекте в системе.

Бмв е39 перевод ошибок бортового компьютера — Авто Брянск
Профилактика появления ошибок

Ремонт и замена противотуманной фары: почему не работают противотуманки и как снять ПТФ по схеме
Как восстановить линзу на bmw e39 отражатель Однако для соблюдения установленной периодичности замены тормозной жидкости необходимо учитывать это время.
Коды ошибок БМВ Е39
Каждая ошибка, возникающая на дисплее бортового компьютера, имеет свой уникальный код. Это сделано для того, чтобы впоследствии было проще отыскать причину возникновения поломки.
Код ошибки состоит из пяти значений, в котором первое «отведено» под буквенное обозначение поломки:
- P – Ошибка, связанная с устройствами силовой передачи транспортного средства.
- B – Ошибка, связанная с кузовными неисправностями транспортного средства.
- C – Ошибка, связанная с шасси транспортного средства.
- Проблема с подачей воздуха. Также такой код возникает, если выявлена поломка системы, отвечающей за подачу топлива.
- Расшифровка аналогична информации из первого пункта.
- Проблемы с приборами и устройствами, обеспечивающими появление искры, воспламеняющей топливную смесь транспортного средства.
- Ошибка, связанная с возникновением проблем в системе вспомогательного контроля автомобиля.
- Проблемы с холостым ходом транспортного средства.
- Проблемы с ECU либо его целями.
- Возникновение проблем с механической трансмиссией.
- Проблемы, связанные с автоматической трансмиссией.
Ну а на последних позициях располагается кардинальное значение кода ошибки. В качестве примера ниже предоставлены некоторые коды ошибок БМВ Е39:
- PO100 – данная ошибка сигнализирует о том, что неисправен прибор, отвечающий за расход воздуха (где P показывает, что проблема кроется в устройствах силовой передачи, O – общий код для стандартов OBD-II, ну а 00 – это порядковый номер кода, свидетельствующего о возникновении поломки).
- PO101 – ошибка, которая сигнализирует о том, что имеет место перерасход воздуха, о чем свидетельствует выход показаний датчика за уровень приемлемого диапазона.
- PO102 – ошибка, свидетельствующая о том, что количества расходуемого воздуха недостаточно для нормального функционирования автомобиля, о чем свидетельствует низкий уровень показаний приборов.

Таким образом, код ошибки формируется из нескольких символов, и если знать значение каждого из них, то без особого труда можно расшифровать ту или иную ошибку. Подробнее о кодах, которые могут возникать на приборной панели БМВ Е39, будет расписано ниже.
Блок предохранителей и реле BMW 5 E39, их описание
Итоги

Ошибки на русском языке
- Рекомендуется внимательно изучить руководство по эксплуатации транспортного средства.
- Многие автомобилисты сбрасывают сообщения об ошибке, заменяя датчики. Рекомендуется использовать только оригинальные запчасти, от проверенных дилеров. В противном случае ошибка вновь может выскакивать либо датчик, наоборот, не будет сигнализировать о проблеме, что приведет к полному выходу из строя транспортного средства.
- При «грубой перезагрузке» нужно понимать, что ряд систем автомобиля может начать работать некорректно.
- При сбросе настроек через диагностические разъемы все операции нужно проводить предельно точно и аккуратно, в противном же случае проблема никуда не денется, а сделать «откат» изменений не будет представляться возможным. В конечном итоге придется везти автомобиль в сервисный центр, где специалисты будут «перепрошивать» программное обеспечение бортового компьютера.
- Если нет уверенности в проводимых действиях, то рекомендуется посетить сервисный центр и доверить операции по сбросу ошибок профессионалам.
Предохранитель Несмотря на наличие системы предупреждения о гололеде, не исключена возможность его образования (например, на мостах и затененных участках дорог) также и при температуре выше +3°С.
Основные причины неисправности ПТФ
Наиболее частые причины того, почему не работают противотуманки ваз 2114, выглядят следующим образом:
- перегорел предохранитель;
- перегорела(и) лампочка(и);
- произошло окисление контактов;
- пропал контакт с «массой»;
- вышла из строя кнопка;
- вышло из строя реле.
Кроме этого, возможны и некоторые другие, более редкие причины, которые мы также рассмотрим ниже.
И так, самая первая, и наиболее распространенная причина — это сгоревший предохранитель.
Каждая из противотуманок имеет свой собственный предохранитель, а именно — F9 и F8 в блоке, каждый из которых рассчитан на предельную силу тока в 7,5 Ампер. В некоторых случаях бывает так, что предохранителей, отвечающих за защиту противотуманных фар, в общем блоке нет.
Так бывает, когда машина куплена с рук, и ПТФ были установлены самостоятельно ее предыдущим хозяином. В таком случае следует осмотреть вход не плату, на которой расположены сами фары. Очень часто при самостоятельном монтаже предохранитель крепят именно в этом месте.

При замене следует использовать предохранитель исключительно на ток в 7,5 А. Предохранитель, рассчитанный на более высокую силу тока, просто не сможет защитить фары от скачка напряжения, а рассчитанный на более низкий — будет часто перегорать.
Если не горят сразу обе противотуманки, значит проблема, скорее всего, не в предохранителе, поскольку выход из строя сразу двух защитных элементов встречается достаточно редко.
Следующей причиной того, почему не горят противотуманки на ваз 2114, может являться обычное перегорание лампочек. Для того, чтобы проверить это, достаточно выкрутить старые лампы и вкрутить вместо них новые.
Еще одной, не менее частой причиной (особенно в условиях климата средней полосы) является окисление контактных разъемов самих фар. Очень часто при этом происходит моргание или прерывистая работа лампочек. Для того, чтобы устранить эту неприятность, достаточно убрать окислы, зачистив контакты фар шкуркой с некрупным зерном или хорошо протерев WD-40, Уайт-Спиритом либо керосином.
Также, часто окисляется и контакт, идущий от минуса АКБ к корпусу (на «массу»). В случае, если такое произошло, место соединения следует хорошо зачистить, как и рассказывалось выше.
Выход из строя реле также может быть причиной того, почему не работают задние противотуманки ваз 2114. Проверяется оно точно также, как и кнопка — прозвонкой контактных ножек или заменой реле на новое. Если выяснится, что оно пришло в негодность, его стоит также заменить.
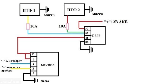
Схема
Процесс снятия и замены

Основные причины неисправности ПТФ
- Возможность своевременного маневра, которая в обычных условия попросту не представляется выполнимой. Нередко водители, не имеющие ПТФ, оказываются за пределами дорожного полотна. Секрет заключается в ширине светового луча, который открывает полноценный обзор на разметку и обочину.
- Увеличенная дальность освещения (и, как следствие, обзора). Такое свойство обеспечивается благодаря более плоскому световому потоку, который в большей мере распространяется в ширину. Учитывая более высокую температуру дорожного покрытия по сравнению с оным показателем у тумана, он не опускается непосредственно на землю. Поэтому обладатели ПТФ имеют видимость, которая в среднем на десять метров дальше по сравнению со стандартной оптикой.
- При условии профессиональной настройки, противотуманные фары не слепят проезжающие мимо транспортные средства, позволяя им лучше наблюдать вас. Это в значительной степени повышает безопасность, снижая риск возникновения ДТП.
Блоки реле и предохранители в салоне бмв е39 Как видите, процедура элементарна и с ней справится даже автолюбитель с полным отсутствием каких-либо навыков в ремонте транспортных средств.
Блок предохранителей высокой мощности

| F100 | 200A Предохранительная коробка в ногах (F107-F114) |
| F101 | 80A Блок предохранителей — зона загрузки 1 (F46-F50, F66) |
| F102 | 80A Область загрузки коробки предохранителей 1 (F51-F55) |
| F103 | 50A Модуль управления прицепом |
| F104 | 50A Реле защиты от перенапряжения 2 |
| F105 | 100A Блок предохранителей (F75), автономный отопитель |
| F106 | 80A Область загрузки, 1 предохранитель (F56-F59) |
| 1 | Реле 2 электродвигателя вентилятора конденсатора кондиционера (^03/98) |
| 2 | Реле насоса омывателя фар |
| 3 | |
| 4 | Реле стартера |
| 5 | Реле электропривода сиденья/ реле регулятора рулевой колонки |
| 6 | Реле электродвигателя вентилятора отопителя |
| F75 | (50A) Электродвигатель вентилятора конденсатора кондиционера, электродвигатель вентилятора системы охлаждения |
| F76 | (40А) Блок управления электродвигателем вентилятора кондиционера/отопителя |
Ревизия фар БМВ Е39 (рестайлинг)
- реле 1 защиты от перегрузки и скачков напряжения;
- реле топливного насоса;
- реле обогревателя заднего стекла;
- реле 2 защиты от перегрузки и скачков напряжения;
- реле привода замка топливо заливной горловины.
Особенности работы ПТФ еще варант чтобы убедится это посмотреть во внутрь через дырку под лампу
Ревизия фар БМВ Е39 (рестайлинг)

Всем привет. Сегодня речь пойдёт немного не о Е46, но думаю многим владельцам БМВ будет интересно, особенно у кого в кузове Е39 (рестайлинг). Начнём с того, что брату досталась БМВ Е39 (рестайлинг), которая требует «немного» внимания и вложений. Одним из основного, требовал внимание головной свет. Собственно вот, что мы имеем.
Только вот как их установить на штатные места, без применения технологии колхоз-тюнинга, было не ясно. Многие советовали какие то не мыслимые самодельные крепления, но это всё не то. Если делать, делать на совесть. И вот, после консультации специалиста компании Dixel, огромное им спасибо, были приобретены переходные рамки для того, что бы без всяких переделок установить новые линзы.
Зная ещё об одной, частой проблеме фар Е39, а именно ломаются каретки (солдатики), что держат отражатель, на алиэкспресс были приобретены новые.
По фарам было видно, что до меня их уже кто то разбирал, поэтому на разбор фар ушло примерно 15-20 мин/фара. Делал всё при помощи строительного фена. Разобрав фару нам открывается следующий вид. Слабонервным и очень эмоциональным людям лучше не смотреть)))
После чего, при помощи не большого количества регулировочных шайб (вынужденная мера), производим установку линз, через переходные рамки на штатные места. Село всё отлично.
Собираем всё внутрь фары и приклеиваем стекло. Клеил на герметик VICTOR REINZ. Один тюбик на фару.
По началу были мысли клеить фары на ленточный (бутиловый) герметик. Но не имея с ним опыта работы, было принято решение в сторону VICTOR REINZ, у него текучесть лучше, да и наносить его проще.
Вот, что получаем в итоге:
| Меню пользователя BALERA |
| Посмотреть профиль |
| Найти ещё сообщения от BALERA |
Блок реле и предохранителей в моторном отсеке
Нет питания Кнопка включения противотуманных фар также может оказаться причиной, которой они не работают. Замена кнопки включения и выключения ПТФ ВАЗ 2114 выполняется довольно легко.
Распространенные неисправности туманок и способы их устранения
Основной причиной неисправности противотуманок являются окислительные и коррозийные процессы.
Причины, по которым не горят противотуманки, могут быть следующие:
- перегорел предохранитель;
- перегорели лампочки;
- нет контакта в реле;
- неисправна кнопка выключения;
- плохой контакт на массу кузова или самих ПТФ;
- неверное подключение;
- окисление контактов.
Для диагностики и устранения неполадок понадобится тестер и набор инструментов. Самой распространенной неисправностью электрооборудования является перегоревшие предохранители. Если они сгорели, их нужно поменять.
Если после устранения перечисленных причин не работают противотуманки, то, возможно, неисправна кнопка включения, которую легко заменить. Могут окислиться контакты, тогда их следует зачистить. Если не горят противотуманные фары после самостоятельного подключения возможно неверное соединение проводов.

Как сбросить ошибки?
При загорании лампы проверьте уровень масла. За подробностями обратитесь к Разделу Проверка уровней жидкостей.
Перевод с английского языка

Предохранители и реле в багажнике BMW E39
- Отрегулировать точно границу пучка света, излучаемого оптикой. Луч не должен светить выше указанной горизонтальной плоскости.
- Фонарь должен находиться на минимальном расстоянии от дорожного полотна. При таких условиях легче настроить точно границу пучка света.
Перестали гореть обе противотуманки Сброс на ноль происходит при нажатии кнопки, показанной стрелкой, если при этом ключ зажигания находится в положении 1 или 2.
