Не Горит Подсветка Салона Киа Спектра Блок предохранителей
Как снять приборку
Чтобы разобрать панель Спектры понадобится не очень много времени и из инструментов всего лишь:
Порядок снятия щитка в этой модели выглядит так:
- Отсоедините «минусовую» клемму аккумулятора.
- Снимите верхнюю облицовку.
- Выверните 2 винта верхнего крепления.
- Изолированной отверткой подденьте облицовку по бокам.
- Чтобы открылись защелки тяните облицовку с усилием.
- Открутите винты крепления — заглушки под магнитолу.
- Отсоедините провода.
- Когда облицовка снята, выкрутите два правых, а потом два левых винта крепления приборки.
- Вытащите панель к себе.
- Отсоедините колодки жгутов проводов.
Установка всех деталей производится в обратном порядке.

| 1. Отсоедините провод от клеммы «–» аккумуляторной батареи. |
| 2. Снимите облицовку панели приборов (см. «Снятие и установка верхней облицовки панели приборов»). |
| 3. Снимите комбинацию приборов (см. «Снятие и установка комбинации приборов»). |
| 4. Снимите облицовку тоннеля пола (см. «Снятие и установка облицовки тоннеля пола»). |
| 5. Снимите подушку безопасности переднего пассажира (см. «Снятие и установка подушки безопасности переднего пассажира»). |
| 6. Снимите левую нижнюю накладку панели приборов (см. «Снятие и установка левой нижней облицовки панели приборов»). |
Блок предохранителей Киа Спектра и реле: схемы, расположениеКиа спектра схема электрооборудования На авто 2009 года установлен под капотом на позиции 10, требуемое реле монтируется рядом – под номером 61. Не работает спидометр Церато: причины, ремонт, описаниеИдеальных автомобилей — нет. Любое транспортное средство имеет свои недоработки и изъяны. Согласно автомобильных форумов и мнения большинства владельцев автомобиля Киа Церато — это неисправность, связанная со спидометром. Итак, попробуем разобраться, какие причины возникновения проблем и, как их устранить. материал расскажет о ремонте спидометра автомобиля, а также даст несколько практических советов Причины возникновения неисправностиНачнём с простого — определения причин неисправности. На форумах Киа Церато можно достаточно часто встретить тему нерабочего спидометра. С чем же связан такой ажиотаж? Как показывает практика, эта неисправность довольно часто встречается на автомобиле. Рассмотрим возможные варианты возникновения проблемы:
Методы устранения и ремонтКогда были определены возможные причины неисправности, можно перейти непосредственно к рассмотрению вопроса ремонта. Стоит понимать, что поиск и устранение проблемы может занять достаточно много времени, а поэтому стоит запастись терпением. Проверяем датчик скоростиСамой очевидной причиной может стать датчик скорости. Стоит отметить, что на автомобилях оснащёнными АБС, этот измеритель располагается на колеса, а вот транспортные средства без функции АБС — в коробке передач. Чтобы устранить неисправность стоит найти датчик. Далее, отсоединяем фишку проводов от датчика и при помощи мультиметра проводим замеры, которые точно покажут работоспособность. Стоит отметить, что колодка проводов сидит достаточно плотно и вынуть её с посадочного места может быть проблема. Поэтому, возможно, придётся приложить немалые усилия. Если, все же, обнаружилось, что датчик неисправен, то стоит снять старый измеритель и установить новый. В случае, если не помогло, стоит проблему искать в другом месте. Пробои проводкиЕщё одно злокачественное место — проводка. Здесь неисправность можно искать достаточно долго. Так, придётся прозвонить провода от датчика скорости к электронному блоку управления, а также провода, идущие к приборке. ![]()
Перегорели Светодиоды на Приборной Панели Киа Спектра © Блок реле | ✨Мир светаБлок предохранителей Киа Спектра и реле: схемы, расположение 4 – контрольная лампа включения дальнего света фар (со светофильтром синего цвета) загорается при включении дальнего света фар. Где находится блок предохранителей Киа Спектра, схемаТак называемые автомобильные «мелочи» часто становятся причиной трагедий. Авария в электропроводке ведет к пожару. В результате страдают люди, материальные ценности. Инженеры предусмотрели блок предохранителей в салоне Киа Спектра как защиту от беды. Где расположены предохранителиПредохранитель/реле/выключатель расположен на пути от источника питания к потребителю. В автомобиле это аккумулятор и узлы, работающие на электричестве (освещение, зажигание, механизмы, электроника). Предохранители – часть электропроводки, причем, самая слабая. Когда в цепи произошло нарушение – замыкание, перегрузка – пострадает потребитель. Но на пути стоит «защитник», который сам сгорит, но предотвратит поломку узла. Защитный элемент устанавливают в электросеть. Но у него есть номинал, предел – ампераж. Если распределитель 10А, он пропустит ток в 10 и меньше ампер. Но при повышении силы тока — перегорит, и этим убережет провода и узлы машины. В автомобилях корейского производства для удобства пользователей предохраняющие элементы собраны в два блока. Расположение одного из них — под капотом, возле аккумулятора, напротив пассажирского кресла. Второй блок предохранителей в салоне Киа Спектра находится в отсеке под доской приборов, по правую руку водителя. Как поменять предохранитель Киа СпектраКогда элемент защиты сгорел, водители решают ставить новый, большей мощности. Это распространенная ошибка. Предохранитель на прикуриватель Киа Спектра рассчитан на 10А. Если поставить на 20А, то в случае перегруза оплавятся провода. Может сгореть узел прикуривателя, а элемент останется целым. Меньшую мощность использовать не возбраняется, но устройства будут постоянно перегорать. Защитный элемент подбирают по параметрам силы тока и напряжения. Порядок замены распределителя в салонном блоке:
Салонный блок предохраняет подсветку панели приборов, аудиосистему, сигнал. Если испортился предохранитель памяти в БП, то часы, печка, плафоны, стеклоочистители и стеклоподъемники работать не будут. Предохранители в моторном отсеке отвечают за поворотники, фары дальнего и ближнего света, стартер. На коробке блока предохранителей под капотом Киа Спектра 2006-2007 года приклеена схема и инструкция с описанием замены на русском языке.
После замены коробку плотно закрывают, чтобы не попала вода. Демонтаж БП под капотомВмешательство в электрическую цепь без начальных знаний ее устройства заканчивается сгоревшим БП. Часто вместо предохранителя водители делают перемычку. Временная проводка ведет к тому, что перегорает весь блок. Тогда его демонтируют. ![]()
Панель приборов Киа Спектра: замена лампочек для подсветки, обозначения
Предохранители и реле Киа Спектра 2 Производитель не дает четких инструкций, где находятся элементы, отвечающие за определенную зону устройства. В конструкции имеется 3 предохранителя – 8, 11 и 29. Также здесь присутствует два реле: 54, 64. Блок под капотом![]() Выше представлен монтажник, установленный под капотом машины. Здесь присутствует целый ряд элементов. Также следует прояснить ситуацию с реле.
Далее следует рассмотреть малую панель предохранителей в салоне машины.
Ниже основного блока есть еще небольшой модуль реле.
Предохранитель и реле поворотов Спектра: где находитсяУстанавливается в салоне под номерами 1. При замене деталей нет необходимости искать правильный артикул. В машине применяется стандартные вилочные вставки и пятиконтактное реле, цена на рынке колеблется в пределах 50 рублей. Реле и предохранитель прикуривателяБензонасосУправление питанием топливного насоса выполнено через вставки 27, установленный под капотом. На 2009 год включительно, соответствующая релюшка монтировалась на позиции 52. Реле и предохранитель печкиНа авто 2009 года установлен под капотом на позиции 10, требуемое реле монтируется рядом – под номером 61.
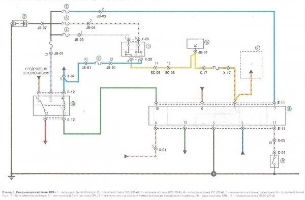
Замена лампы ближнего света на Киа Спектра: какие стоят[/i] Расшифровка обозначений Клеил в этот раз виброй Noise Protection 4мм, взял еще лист 2мм, но не пригодился даже, сплен 4мм как и в прошлых БЖ, плюс еще антискрипа рулон.Все затянул в антискрип =)))) Проверяем датчик скорости![]() Мнение эксперта Черноволов Василий, эксперт-автомеханик 1-й категории Если у вас есть вопросы, с удовольствием помогу! Что рассказывать еще даже не знаю начали разбор часов в 11, а закончили собирать и уехали из гаража кстати Паш Xim4istka-NNov, спасибо за гараж. Правила техники безопасности и рекомендации Что нужно иметь в автомобиле Обкатка автомобиля Эксплуатация автомобиля в гарантийный период Подготовка автомобиля к выезду Заправка автомобиля бензином Пользование домкратом Буксировка автомобиля. Задняя скорость По всем вопросам пишите мне, я обязательно объясню все нюансы! Реле регулятор генератораПредохранители и реле в салоне и в моторном отсеке » Разное » Как снять панель на киа спектра Схемы электрооборудования Киа СпектраСхема предохранителей Киа Спектра 2000-2009 и 2011 годов. Описание цепей, защищаемых предохранителями, что находятся в моторном отсеке и те, что расположены в монтажном блоке реле и предохранителей салона автомобиля: Киа Спектра — тормозная система авто. Схема деталей тормозного механизма переднего и заднего колёс, а также причины неисправности тормозной системы и способ устранения проблемы: ![]() 1. Электросхема соединения фар главного света: 2. Схема соединения фар головного света KIA Spectra и противотуманных фонарей: 3. Электрическая система управления электровентиляторами радиатора системы охлаждения двигателя и схема кондиционера Киа Спектра: 4. Соединения системы ETWIS и ламп освещения салона: 6. Схема соединения фар дневного света (DRL): 7. Электрокорректор фар и фонарей заднего противотуманного освещения: 8. Указатели поворота и аварийная сигнализация машины: 9. Схема Киа Спектра — звуковой сигнал, освещение заднего хода и стоп-сигнал:
|






