Не Горит Подсветка Салона Киа Рио 3. Предохранители и реле kia rio 3
Схема предохранителей Киа Рио 2
Набор элементов в новом кузове не особо поменялся с 2005 года. Модернизации 2007 и 2010-го добавили новые моторы, из-за чего появился дополнительный блок для дизеля. Плавкие элементы защиты электрических цепей остались разделены между двумя основными блоками — в салоне и под капотом авто.
Внутри находится главный монтажный блок, расположенный прямо на панели приборов. Обозначения элементов поместили на заднюю сторону крышки.

Подкапотный блок поместили у аккумулятора.
| Реле | Название | За что отвечает |
| R1 | COND FAN 2 | Электровентилятор конденсора на малой скорости вращения |
| R2 | RADFAN | Электровентилятор радиатора |
| R3 | FUEL PUMP | Топливный насос |
| R4 | MAIN | Главное реле |
| R5 | HORN | Звуковой сигнал |
| R6 | FUEL HTR | Нагреватель топливного фильтра |
| R7 | BLOWER | Электродвигатель вентилятора отопителя |
| R8 | START | Стартер |
| R9 | COND FAN 1 | Электровентилятор конденсора на высокой скорости |
| R10 | A/CON | Кондиционер |
Реле и предохранитель бензонасоса Рио 2: где находится
С 2004 года расположено под капотом и имеет номер 3. С 2011 г обозначается, как FUEL PUMP.
Предохранитель стеклоомывателя
На Rio 2 их несколько — для лобового стекла под номером 3 и мощностью 25 А и заднего, № 1 и рассчитанный на 15 А. Оба можно найти в салонном блоке.
Предохранитель насоса омывателя
Вставка моторчика -№ 3 в салонном блоке и рассчитан на размер тока в 25 Ампер.
Предохранители Рио 2: расположение на прикуриватель
Находится внутри под номером 13. Он рассчитан на 25 Ампер.
Реле стартера: где находится
Втягивающее обозначено № 8 в подкапотном блоке. В салонном находится его предохранитель 39 на 10 Ампер.
Реле регулятор генератора
Расположен на генераторе. Цена нового составит до 2 тыс рублей.
Предохранитель ближнего света
Их два — на левую и правую фары. В первом случае — №2, а во втором — 5 в блоке салона авто. Мощность одинаковая и равна 10 А.
Реле импульсного освещения
Бистабильная вставка для подключения подсветки 230В TDM под номером № 3. Найти на замену оригинальному также можно спец устройства с каталожным номером 1М АС230В УХЛ4 или меандр A8302 16933808 за 1,5-2 тыс рублей.
| Блок реле установлен в салоне автомобиля у основания передней стойки. Общее реле установлено на кронштейне поддержки радиоприемника. |
Схемы Kia Rio QB 2012: Часть 2
Лампы в передней блок фаре

Контрольные лампы и световые индикаторы KIA Rio X | Rio X-line с 2017 | Издательство Монолит
- Обездвижить автомобиль ручным тормозом.
- Снять клемму с отрицательного полюса аккумулятора.
- Открыть монтажный блок с предохранителями и реле, нажав пальцами на фиксатор и снять крышку.
- Открутить 1 болт и 1 гайку, крепящие деталь к кузову.
- Открутить 3 гайки, крепящие силовые провода, и снять со шпилек клеммы.
- Отсоединить колодки проводов с лицевой и оборотной стороны, отжав фиксаторы.
- Снять блок с автомобиля.
- Установить детали в обратном порядке.
Предохранители и реле KIA Rio (JB; 2006-2011) Читайте также: Регулировка сцепления ваз 2110 – Правильная регулировка сцепления ВАЗ 2110 своими руками
Электрооборудование Kia Rio QB третьего поколения (2012)
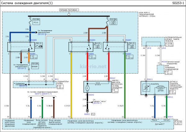
1. Схема системы охлаждения двигателя автомобиля:

4. Схема Kia Rio 2012 — дневные ходовые огни (DRL):
5. Электросхема системы обогрева стекол авто:
9. Схема Kia Rio 3 — передние фары главного освещения:
11. Принципиальная схема освещения автомобиля Киа Рио третьего поколения:
Киа рио 2012 год проблемы при эксплуатации
Реле поворотов

Image009
Блок предохранителей и реле, установленный в салоне автомобиля Этапы сборки подлокотника на KIA Rio 3:
Инструкция по эксплуатации KIA Rio X / Rio X-line с 2017 г. Контрольные лампы и световые индикаторы

Переключатель управления осветительными приборами имеет два положения — «Фары» и «Габаритные огни».
Для управления осветительными приборами поверните ручку на торце подрулевого переключателя в одно из следующих положений:
(1) Положение «Выкл.».
(2) Положение «Автоматическое включение световых приборов» (при наличии функции).
(3) Положение «Габаритные огни».
(4) Положение «Фары».
Положение «Габаритные огни» ( )
Когда переключатель управления осветительными приборами находится в положении «Габаритные огни» (3-е положение), включаются габаритные фонари, фонари освещения номерного знака и подсветка комбинации приборов.
Положение «Фары» ( )
Когда переключатель управления осветительными приборами находится в положении «Фары» (4-е положение), включаются фары, габаритные огни, фонари освещения номерного знака и подсветка комбинации приборов.
Примечание:
Для включения фар ключ зажигания должен находиться в положении ON.
Положение «Автоматическое включение световых приборов» (при наличии функции)
Реле поворотов
Заметим сразу: в этой модели баланс цены и качества соблюден в полной мере.
Печка

Замена лампы в центральном плафоне
Назначение устройств «Подлокотник мягче, чем штатный получился», — рассказал о доработке до «полного пакета» блогер с YouTube-канала Luan Production.
Из «бюджетки» в «полный пакет»: Доработки водительской зоны KIA Rio своими руками
Новое зажигание, подлокотник и прикуриватель сделают авто удобным.

Час работ и салон «Рио» посвежеет. Фото: Drive2
«Рио — король вторички», но условия комфорта для водителя в нём спартанские, даже на версии X-Line 4 поколения. Народные советы YouTube-блогеров помогут исправить недочёты и продлить любовь к старому автомобилю.
Заводить KIA Rio можно не с ключа, а нажатием кнопки, как на старших моделях вроде Optima. Для этого не нужно «колхозить» приборную панель и ходить с паяльником на радиорынок — запуск современного зажигания можно купить в китайском интернет-магазине.
Авто стало современней. Кадр: YouTube-канал «Виктор Брюханов»
Идёт кнопка «старт-стоп» в сборе с магнитолой на Android и камерой, устанавливается доработка легко: от штатного замка фишка перекидывается к кнопке.
«В комплекте идёт иммобилайзер, он прячется под руль и гарантирует дополнительную безопасность», — рассказал про доработки водительской зоны Виктор Брюханов на YouTube.
Подставка под руку в KIA Rio 3 низкая и держать руку при езде приходится на весу. Это неудобно и от нагрузки растёт риск возникновения аварии. Избежать проблем и доработать подлокотник поможет брусок дерева, синтепон, саморезы и отрез дермантина.
Этапы сборки подлокотника на KIA Rio 3:
- Соединить куски бруска, по размеру подлокотника;
- Обтянуть синтепоном, закрепить скотчем или стяжкой;
- Сверху обтянуть дермантином, завести швы вниз и скрепить строительным степлером;
- Заверлиться от старого подлокотника саморезами к новому.
Был: низким и тесным; стал: мягким, высоким и широким. Кадры: YouTube-канал Luan Production
«Подлокотник мягче, чем штатный получился», — рассказал о доработке до «полного пакета» блогер с YouTube-канала Luan Production.
Версию Rio X-Line лишили прикуривателя, превратив в «бюджетку» по функционалу. Пользы для здоровья оказалось мало — водители стали искать зажигалку и отвлекаться от дороги.
«Недостаточно просто воткнуть прикуриватель в питание, штатная розетка меньше прикуривателя в диаметре. Нужна ещё и специальная розетка, с термореле. Я купил прикуриватель от ВАЗовской классики в сборе и установил вместо одной из штатных розеток», — рассказал Игорь Курчатов с YouTube о создании удобства на своём KIA Rio 4.
Навигация по записям
Image006 RR FOG – задние противотуманные фонари;
Руководство по эксплуатации
Инструкция по эксплуатации Киа Рио 2022 – материал, который не подходит для автомобиля 2011 года выпуска, хотя и распространяется бесплатно.
Пользователь 3 поколения южнокорейского авто может найти книги, актуальные для его версии Киа Рио, но прочитать их бесплатно удается не всегда.
Далее собраны основные рекомендации и инструкции по эксплуатации Kia Rio 3.
Ключи
Для всех моделей Kia, включая «Соул» и «Спортейдж», выпускаются ключи, на которых указан номер. Его нужно переписать, чтобы можно было восстановить комплект при потере этого элемента.
Хранить пластину с номером нужно в недоступном для других людей месте, не в автомобиле.
Применяются ключи для открывания дверей и запуска силового агрегата. Производитель не рекомендует оставлять в салоне авто ключи и посторонних людей.
- A и B. Для раскладывания нажимается кнопка фиксатора. Чтобы сложить, нужно нажать на тот же элемент, но ключ вернуть в посадочное место нужно самостоятельно.
- C. Для раскладывания нажимается кнопка фиксатора и ключ достается вручную. Вернуть его в посадочное место можно только механически до щелчка, фиксатор не зажимается.
Определить тип ключа можно по внешнему виду устройства.
Приборы и сигнализаторы
На приборной панели Kia Rio 3 установлены следующие элементы:
- Спидометр. С указанием скорости автомобиля.
- Тахометр. На приборе отображаются показатели оборотов коленчатого вала за одну минуту.
- Указатель уровня топлива. Позволяет отслеживать количество бензина в баке.
- Температура охлаждающей жидкости. Показатель, указывающий на прогретость силового агрегата.
- Одометр. Показатель пробега автомобиля.
На приборной панели есть также следующие индикаторы:
- ABS;
- стояночный тормоз;
- указатели поворота;
- дальний свет;
- низкий уровень зарядки аккумулятора;
- габаритные огни;
- непристегнутый ремень;
- низкое давление в двигателе;
- ПТФ;
- низкий уровень омывающей жидкости;
- незакрытые двери.
Загораются эти индикаторы только в тех случаях, когда активированы соответствующие системы или автомобиль «предупреждает» о неисправности.
Бортовой компьютер
Система, установленная для информирования автолюбителя, управляемая встроенным микрокомпьютером. На ее дисплее отображаются актуальные данные о транспортном средстве, если активировано зажигание.
Водитель может определить следующую информацию:
- полный пробег автомобиля;
- суточный пробег;
- время, проведенное в пути;
- среднюю скорость авто;
- средний показатель расхода топлива;
- примерный пробег на оставшемся топливе.
Все показатели, кроме первого, «стираются», если отключить аккумуляторную батарею.

Принцип работы
- Рычаг, установленный с внешней стороны подушки, нужно несколько раз поднять вверх.
- Чтобы опустить подушку, рычаг толкнуть вниз несколько раз.
Лампы подсветки салона Отведите монтажный блок в сторону и отсоедините от него три задние колодки жгутов проводов
Лампы Kia Rio X-line — ближнего/дальнего света, птф и ДХО
Kia Rio X-line появился на отечественном рынке не так давно, но уже успел завоевать популярность среди покупателей, число которых только растет. Автомобиль получил новое кузовное исполнение и набор опций, а вот лампы, применяемые в фарах или подсветке мало чем отличаются от ламп в обычной Kia Rio. В этой статье я расскажу вам, какие лампы используются в Kia Rio X-line.
В зависимости от комплектации, в Rio X-line используются рефлекторные либо линзованные фары. Проще говоря рефлекторные это фары без линзы, а линзованные соответственно понятно. Поэтому набор ламп в передних фарах в зависимости от комплектации может несколько отличаться.
Лампа ближнего света H4 12v 60/55W либо HB3 12v/65W в линзе
Лампа H4 используется как ближний/дальний в фарах без линзы, а лампа HB3 установлена в линзованные фары и так же используется как ближний/дальний но уже в линзе, где за переключение отвечает шторка внутри линзы.
Подсветка поворота H7 12v/55W (опционально)
Дневные ходовые огни P21W либо LED (опционально)

Лампа противотуманной фары 12v/51W HB4 (опционально)
Image014
Реле стартера: где находится В простом понимании автолюбителей электросхема – это своего рода руководство пользователя, в котором обозначены все ключевые составные элементы системы бортового электроснабжения.
