Ошибка Р1345 Тойота Королла 120 Кузов • Способы диагностики
«Проверь двигатель» на Королла Е150
Сообщение «Check Engine» – он же «Проверь двигатель» – весьма распространенное явление, с которым сталкиваются многие автовладельцы. Данный индикатор появляется на дисплее и сигнализирует о том, что система не в порядке. Разберем, почему может появиться чек «Проверь двигатель» на Королла Е150, и какие действия следует предпринять автомобилисту, столкнувшемуся с этой проблемой.
Если на вашей Тойота Королла появилось сообщение о том, что нужно проверить силовой агрегат, следует провести диагностику и установить, в какой именно части системы появилась неисправность. Поломки, в результате которых высвечивается указанный индикатор, могут быть разными.
Вот наиболее вероятные проблемы, приводящие к появлению ошибки:
- Неплотное прилегание крышки горловины топливного бака.
- Поломка датчика кислорода.
- Проблемы с ДМРВ (датчиком массового расхода воздуха).
- Проблемы в свечах зажигания или ВВ-проводах.
- Поломка каталитического нейтрализатора выхлопных газов.

Toyota Corolla E120 с пробегом: мотор сказал “прощай”, автомат долго смотрел ему вслед — – автомобильный журнал
- Установить на смартфон приложение для поиска ошибок (например, «Torque», которое можно найти в Яндекс.Маркете, Гугл.Плей или App store).
- После установки приложение нужно настроить, установив необходимые параметры.
- Адаптер нужно подключить под панелью приборов в специальный диагностический разъем.
- Телефон следует установить в режим Bluetooth.
- Включить установленную программу выявления ошибок и завести мотор.
- Выбрать в приложении значок ошибки, после чего запустится автоматическое считывание памяти блока управления.
- В процессе будут появляться коды ошибок и описания к ним.
Ошибка P0351 Ошибка P0352 Ошибка P0353 Ошибка P0354 TOYOTA
Поэтому специалисты считают P0810 существенной ошибкой, которую нужно незамедлительно устранять.
Диагностические коды ошибок P0351 P0352 P0353 P0354 двигателя 1AZ-FE Toyota
- Система зажигания
- Обрыв или короткое замыкание в цепи IGF1 и IGT между катушками зажигания (1-4) и ЕСМ
- Катушки зажигания №№ 1-4
- ECM
- Для справки: Проверка с помощью осциллографа.
- Во время прокручивания коленчатого вала двигателя или на холостом ходу проверьте форму напряжения между контактами IGT (1-4) и E1, и IGF1 и E1 разъема ЕСМ.
Параметр / Устройство Содержание Контакты CH1: IGT1, IGT2, IGT3, IGT4 — E1
CH2: IGF1 — E1Настройки оборудования 2 В/дел.
20 мс/дел.Режим Прокручивание коленчатого вала стартером или работа двигателя на холостом ходу
ПОСЛЕДОВАТЕЛЬНОСТЬ ПРОВЕРКИ И УСТРАНЕНИЯ ОШИБОК P0351 P0352 P0353 P0354
- С помощью портативного диагностического прибора считайте фиксированные параметры. В этих параметрах отражается состояние двигателя на момент обнаружения неисправности. При поиске неисправностей фиксированные параметры позволяют определить, двигался ли автомобиль в момент возникновения неисправности или нет, был ли прогрет двигатель, какой была топливовоздушная смесь (обедненной или обогащенной) и пр.
Отсоедините разъемы B9-B12 катушек зажигания.
Измерьте сопротивление между контактами на разъемах со стороны жгута проводов.
Номинальное сопротивление (проверьте на обрыв):
Измерьте напряжение между контактами разъема со стороны жгута проводов.
2.ПРОВЕРЬТЕ ЖГУТ ПРОВОДОВ И РАЗЪЕМ (КАТУШКА ЗАЖИГАНИЯ — ЕСМ)
Номинальное сопротивление (проверьте на обрыв):
| Контакты для подключения диагностического прибора | Заданные условия |
| IGF (B9-2) — IGF1 (B32-81) | Менее 1 Ом |
| IGF (B10-2) — IGF1 (B32-81) | |
| IGF (B11-2) — IGF1 (B32-81) | |
| IGF (B12-2) — IGF1 (B32-81) |
Номинальное сопротивление (проверьте на обрыв):
| Контакты для подключения диагностического прибора | Заданные условия |
| IGT1 (B9-3) — IGT1 (B32-85) | Менее 1 Ом |
| IGT2 (B10-3) — IGT2 (B32-84) | |
| IGT3 (B11-3) — IGT3 (B32-83) | |
| IGT4 (B12-3) — IGT4 (B32-82) |
Номинальное сопротивление (проверьте на короткое замыкание):
| Контакты для подключения диагностического прибора | Заданные условия |
| IGF (B9-2) или IGF1 (B32-81) — масса | 10 кОм или более |
| IGF (B10-2) или IGF1 (B32-81) — масса | |
| IGF (B11-2) или IGF1 (B32-81) — масса | |
| IGF (B12-2) или IGF1 (B32-81) — масса |

| Контакты для подключения диагностического прибора | Заданные условия |
| IGF (B9-2) — IGF1 (B32-81) | Менее 1 Ом |
| IGF (B10-2) — IGF1 (B32-81) | |
| IGF (B11-2) — IGF1 (B32-81) | |
| IGF (B12-2) — IGF1 (B32-81) |
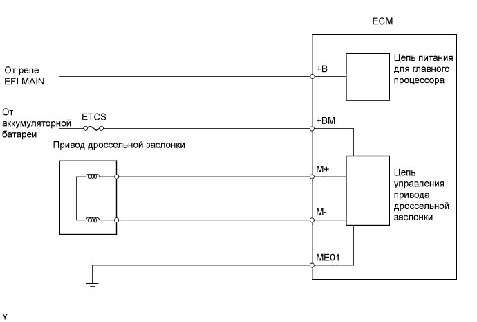
Устранение ошибки P2118 SFI 1AZ-FE TOYOTA RAV4 / ACA30, ACA33, ACA38 ALA30
Ошибка P0354 Цепь низкого / высокого напряжения катушки зажигания «D»

P0810 робот Тойота Королла: описание ошибки, признаки и причины возникновения, способы диагностики, ремонт
- Данные DTC указывают на неисправность в цепи низкого напряжения.
- В случае регистрации ошибки P0351 проверьте цепь катушки зажигания № 1.
- В случае регистрации ошибки P0352 проверьте цепь катушки зажигания № 2.
- В случае регистрации ошибки P0353 проверьте цепь катушки зажигания № 3.
- В случае регистрации ошибки P0354 проверьте цепь катушки зажигания № 4.
Тойота»: коды ошибок и расшифровка неисправностей | Автофакты Проверьте коды ошибок, отображаемые на дисплее портативного диагностического прибора.
