Как Сделать Шторку на Электронное Зажигание на Мотоцикл Урал • Возможные неисправности
Как выставить электронное зажигание на мт
Самым простым, но не самым правильным вариантом было сделать бабочку модулятора, заказав ее у токаря, которую жестко можно было закрепить на валу. При этом угол опережения зажигания оставался бы постоянным все время.
Далее, подумав как закрепить датчик Холла, решил его «притопить» и закрепить снизу пластины, благо свободного места под пластиной оставалось 3 мм, для крепления датчика в самый раз.
В моем случае оказалось 8 мм. Разметил горизонтальную линию. В на этом уровне будут приварены шторки. Линию разметки оставил на выпуск.
Определил центральную ось кулачка. Если смотреть на кулачек прямо по центру отверстия, то увидим, что кулачок не круглый. Круглые только две части, а две как бы сточены.
Загнал в это отверстие болт, затянул гайкой, вставил в дрель, включил дрель и аккуратно напильником подшлифовал края заготовки до нужного диаметра и формы.
Провода от катушки к свечам использовал силиконовые с автомобильными резиновыми наконечниками (не раз потом они выручали меня в сильный дождь). Протянул проводку на коммутатор от датчика Холла, предварительно немного удлинив ее.
Разводим грузики до упора и поворотом корпуса пластины с датчиком Холла ловим момент искры. Поймав положение пластины, при котором проскакивает искра, затягиваем ее тремя винтами. Проверяем еще раз, что бы убедиться, что при затягивании не сбит угол.
Надо просто помочь ей открыться, немного подпилить ее край надфилем (тот который находится в прорези датчика Холла).
Затягиваем пластину, проверяем искру при максимальном разводе грузиков. Теперь проворачиваем коленвал на полный оборот до появления в окошке метки Р для следующего цилиндра. В этом положении коленвала опять пробуем получить искру. Ее быть не должно.

Настройка электронного зажигания на мотоциклах Урал
- «СовеК». Под этой маркой можно найти обычное бесконтактное зажигание, а также более совершенное микропроцессорное. Сборка может поставляться с бобиной или без нее. Легко монтируется и практически не реагирует на перепады напряжения;
- «Саруман». Достаточно интересная и надежная сборка. Тут предлагаются два варианта датчиков, может стоять привычный датчик Холла, или же современный оптический. Имеется защита от скачков напряжения, особенно от высокого тока. Для упрощения выставления зажигания имеется световая индикация.
Опыт с установкой БСЗ на Планету
Перед тем, как начать настраивать клапана стоит приготовить необходимые инструменты. В первую очередь вам понадобится набор ключей. На практике нужен будет только один, но лучше иметь все под рукой.
Как Сделать Электронного Зажигания Для Мотоцикла Своими Руками

Как я уже говорил, у меня тоже есть вполне себе советский Иж Планета-5, в котором я изредка ковыряюсь. С годами его братьев больше на дорогах не становится, но мой пока еще ездит. Поэтому сейчас пойдет рассказ о моей попытке добить прикрутить БСЗ к своему коню.
Идея БСЗ заключается в том, что вместо прерывателя на валу устанавливается «шторка» (модулятор), которая проходит через щель в датчике (оптическом или датчике Холла) и вызывает его срабатывание. Большим током через катушку занимается уже коммутатор, в котором есть силовой транзистор.
Изначально, после чтения кучи разных статей и постов сформировался такой список покупок:
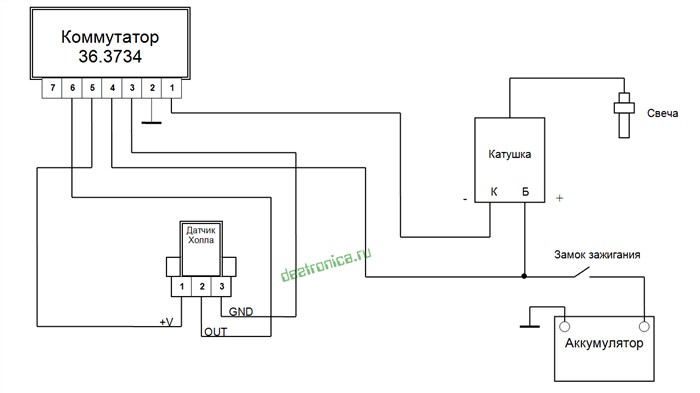
- Коммутатор от автомобиля ВАЗ, в моем случае с маркировкой 36.3734 (и вдогонку разъем с проводами)
- Катушка зажигания 027.3705
- Датчик Холла, так же от ВАЗ (забегая вперед — плохая идея)
Затем, когда все это было у меня на руках, соединил это добро по следующей схеме (кликабельно):
На электрической схеме это выглядит не особо сложно. Гораздо сложнее здесь конструкторская часть — думать, как все это прикрутить, ползать вокруг мотоцикла, протаскивать провода во всякие щели.
Более-менее просто дела обстоят с катушкой. Ей в любом случае место под баком. Но она ощутимо больше стандартной катушки от Планеты, так что воспользоваться тем же ухом не получится. У меня катушка была прикреплена вплотную к раме с помощью импровизированного хомута и болта (на фотографии). Если будете повторять этот вариант — следите, чтобы шляпа болта не протерла бензобак.
Фаза 1: Испытание датчика Холла
Значит, придется отмести все эти народные сказки про работающие БСЗ с датчиками Холла. Возможно, их авторам повезло с генераторами на их мотаках, или еще с чем-то. Но нельзя расчитывать на везение — нужен план Б.
Остался лишь один путь — оптический датчик. БСЗ будет работать либо с ним, либо никак. Значит, нужно мастерить датчик на замену ДХ, реагирующий на появление шторки и имеющий выход с открытым коллектором.
Фаза 2: Оптический датчик — луч 940 нм в темном царстве
Первый вариант оптического датчика был на инфракрасном фотодиоде и двух транзисторах. В принципе, он как бы работал, но с ним сложно было проехать больше 5 километров — двигатель глох и повторно завести его получалось минут через 10. Возможно, что-то уплывало от температуры. Что ж, будем делать по-другому.
Как выставить электронное зажигание на мт
Контактная система зажигания

Электронное зажигание на Иж Юпитер 5 — стоит ли делать БСЗ
СХЕМА БЛОКА ЭЛЕКТРОННОГО ЗАЖИГАНИЯ
С одним отличием – вместо группы контактов стоит датчик Холла, а на боковой поверхности есть разъем для включения его в бортовую сеть.
Изготовление элементов зажигания на иж юпитер 5 своими руками
Можно выполнить изготовление отдельных элементов и сделать электронное зажигание на иж юпитер 5 своими руками. Для этого понадобиться изготовить самостоятельно модулятор. Качество его изготовления определяет надежность работы всей бсз.
Закрытое состояние должно обеспечивать их одновременное закрытие для прохождения магнитного потока. Коммутатор должен получать от датчика Холла четкие импульсы определенной величины, обеспечение этого условия – задача модулятора.
Чтобы выполнить электронное зажигание на иж юпитер 5 своими руками, также необходимо изготовить пластину для крепления датчика Холла. Бсз не требует периодической регулировки момента зажигания. Но для первоначальной регулировки необходимо, чтобы датчик Холла имел возможность поворачиваться. Пластина должна быть с прорезями.
Сам датчик Холла, вместе с пластиной, устанавливается на уголке, который тоже можно изготовить самостоятельно.

Контактно-транзисторная
- пропадание зазора между контактами прерывателя;
- изменение геометрии контактов;
- не постоянное искрообразование;
- выход из строя изоляции высоковольтных проводов;
- нестабильная работа высоковольтной катушки;
- невозможность заведения двигателя при пониженном напряжении аккумулятора.
- искра не поджигает горючую смесь в цилиндре двигателя
Системы бесконтактного зажигания Как установить модулятор и датчик Холла, чтобы система бсз работала правильно, было рассказано выше по тексту. Новая катушка зажигания, имеющая два выхода, ставится на место старой катушки. Высоковольтный провод от каждой свечи – на соответствующие крепежные элементы катушки.
Настройка и регулировка зажигания на мотоциклах Днепр и Урал.
Порядок регулировки и настройки одинаков для любых моделей мотоциклов. Особенности связаны только с конкретно установленной системой электронного зажигания. Общий порядок:
- Производим установку электронной системы зажигания на мотоцикл;
- Устанавливаем момент зажигания, проворачивая вал и совмещая выбитую стрелку на маховике с меткой на картере двигателя;
- Подключаем провода, согласно схемы завода-изготовителя;
- Не проворачивая вал, производим регулировки положения: модуля, датчиков потока (Холла, оптического), модулятора;
- Закрепляем элементы системы зажигания.
- Производим вращение вала и контролируем образование искры;
- Регулируем оптимальный угол опережения зажигания после пробного пробега.
При использовании на мотоциклах бензина марки 92, делаем корректировку от штатной регулировки момента зажигания. Выставляем его немного более ранним.
Установка электронной системы зажигания позволит безаварийно эксплуатировать мотоцикл в любых погодных и климатических условиях.

Схема зажигания мотоцикла Урал
- изготовление происходит в заводских условиях;
- процедура технического контроля предусматривает не проверку отдельных элементов, а испытание работоспособности всей системы в целом;
Настройка и регулировка зажигания на мотоциклах Днепр и Урал. Итак, вам нужно отрегулировать зажигание мотоцикла Урал. Для работы понадобятся гаечные ключи, отвертка, желательно взять контрольную лампочку. Производится регулировка в следующем порядке:
Регулировка
Если вы выявили проблему со сбившимися фазами, тогда вам просто необходимо узнать, как выставить зажигание на мотоцикле Урал. Это вам значительно упростит жизнь в дальнейшем. Обратите внимание, что электронное зажигание на мотоцикл Урал регулируется совершенно по-другому.
Итак, вам нужно отрегулировать зажигание мотоцикла Урал. Для работы понадобятся гаечные ключи, отвертка, желательно взять контрольную лампочку. Производится регулировка в следующем порядке:
- Для начала устанавливаем двигатель в положение верхней мертвой точки первого цилиндра, причем это должен быть такт сжатия. Проверить это можно следующим образом, выкручиваем свечу, затыкаем отверстие бумагой и прокручиваем мотор. Когда полученную пробку выбьет, можно остановится, это и есть искомое положение.
- Ослабьте крепление корпуса прерывателя, после чего его поворачивают до упора по часовой стрелке, а к контактам подсоединяют 12-ти вольтовую контрольную лампочку;
- Включите зажигание и поворачивайте корпус прерывателя до момента включения лампочки. Как только она загорится, следует остановиться, и закрепить крышку. На этом установка угла опережения завершена.
Примерно также производится иж юпитер 5 регулировка зажигания. Теперь вы знаете как настроить эту систему вашего мотоцикла.
( 2 оценки, среднее 4.5 из 5 )

Заключение
- изготовление происходит в заводских условиях;
- процедура технического контроля предусматривает не проверку отдельных элементов, а испытание работоспособности всей системы в целом;
Необходимые инструменты Системы электронного зажигания от «Совек» и «Саруман», комплектация, особенности и различия.
Установка

собираюсь постави БСЗ, но какое лучше — Старо Оскольское или УКТУС.
какие у них плюсы а какие минусы?
в чём различия?
dearg , уктус лучше по всем параметрам, кроме цены

Я ездил и на том и на том. Мотор с Уктусом после старооскольского кажется совсем другим. Намного легче набирает обороты. Все дело в автоматическом УОЗ.
если поставлю УКТУС — тахометр от ваз-2106 будет работать какже как и на стандартном зажигании или переделывать нужно будет??
Лучше ОКОвское. И дешевле (700 р на все) и делается за час и ремонтабельно.
а поподробеней можно!!
если есть установленное то хотелось бы увидеть фото
всёбы нечего но вид всего этого мне кажется ужасен
dearg , То что ты нашел — это бред сивой.
На вал на опережение приваривается шторка, крепится датчик холла и собирается элекрика. Без распределителя, потому как катушка двухвыводная.
кстати какая разница между УКТУС и УКТУС-2
Саруман рулит, хотя тут еще на атишке пытаются составить, ща еще кума потрясу и будем тестить на атишке.
у меня уктус стоит вещь хорошая за два сезона ни разу не подводила и заводиться отлично и работает с ней движка исключительно.За все это время выставлял зажигание только один раз!А у моего кореша стоит оскол тоже не жалуется очень доволен после кулачков
У меня комутатор родной полетел, дак от 2108 подойдет?
А подскажите еще вопрос по теме — какие внешние различия меж УКТУС и ОСКОЛ? А то предложили взять по дешевой цене эл поджигу, а не знаю, какую именно. Я на сколь разобрался, тюмень — только датчики на платформе, на осколе — датчики и коммутатор. Если можно, то фото комплектов. Немного нашел инфы на сайте, но не достаточно. Да и поздно уже, 4 часа ночи доходит.
У меня стоит уктус-2. пробег 23 и вполне нормально. но вот только дорогой он слишком.
Определённо УКТУС лучше! а про внешний вид — заходишь на майл.ру пишешь зажигание мотоцикл урал УКТУС, ищешь.
Слева появляуцца картинки — жмёшь на них и смотришь, так же и со ст.оскол.
Crass , в блоке. На уктусе он стоит под крышкой зажигания, а на втором — выносной
Shlans, не мог бы ты объяснить, как к стандартному ураловскому автомату опережения приварить шторку при установке оковского зажигания? Его переворачивать чтоли надо? За фотку или хотя бы схематичный рисунок буду очень благодарен

Crass , единый блок на старом уктусе перегревался и горел. решили вынести его за переднюю крышку наружу. теперь все ок, ничего не греется.
[quote:24f9e77d7f=»JackKatch»]Тест систем зажигания Тюмень, Старый Оскол, Екатеринбург. Журнал мото 2002 #6 ст 88 — 91
http://mc-trade.ru/lib.php?mag=moto 2202&nom=06-2002
хорошая статья ! все равно сделаю своими реками зажигалку от 8ки! интересно какие у нее показатели будут?
В уктусе микроконтролер он считывает обороты с датчика холла и даёт искру. Искра заложено изначально в микроконтролер в соответствие с оборотами.
Кратко о бесконтактной системе зажигания
Инструкция по установке Фаза 1: Испытание датчика Холла
