Перестал Гореть Задний Ход Ваз 2107 – Похожие статьи
Задние фонари ВАЗ-2107: правила эксплуатации и технического обслуживания
Обычно, чтобы устранить такую неисправность, требуется замена датчика заднего хода ВАЗ 2107. Тратить время и деньги на визит к специалистам СТО не обязательно — произвести диагностику и замену датчика можно самостоятельно. Но сначала надо убедиться, что именно он стал причиной неисправности.
Габариты на ВАЗ-2107 включаются крайним левым из четырёх клавишных переключателей, расположенных под рычагом управления коробкой передач. Этот выключатель — трёхпозиционный: габаритный свет вместе с освещением номерного знака и подсветкой приборов включается во втором положении.
Габаритные огни включаются трёхпозиционным переключателем, расположенным под рычагом переключения скоростей
На блоке предохранителей, который расположен под капотом автомобиля возле лобового стекла ближе к пассажирскому сиденью, предохранители задних габаритов установлены под номерами F14 (8А/10А) и F15 (8А/10А). При этом предохранитель F14 отвечает за работу габаритных огней левой передней фары и правого заднего фонаря, а также:
Предохранитель F15 установлен в цепи габаритных огней правой передней фары и левого заднего фонаря, а также:
Если не работает одна из этих ламп, следует убедиться в целостности предохранителей F14 и F15.
Читайте о ремонте предохранителей ВАЗ-2107: https://bumper.guru/klassicheskie-modeli-vaz/elektrooborudovanie/blok-predohraniteley-vaz-2107.html
За работу габаритных огней отвечают предохранители F14 и F15

Задние фонари ВАЗ 2107: схема подключения, неисправности, замена и ремонт, инструкции с видео и фото
- Суть процесса такая же.
- Поднимите автомобиль при помощи домкрата.
- При необходимости снимите защиту с двигателя, но это может даже не потребоваться.
- Найдите датчик, на новых образцах коробки передач моделей Самара-2 он имеет немного другое расположение, но найти его также не составит труда.
- Отсоедините разъем электропроводки от датчика.
- При помощи ключа на 22 (удобнее все же головкой, но можно и ключом) открутите датчик.
- Перед тем, как вынуть датчик из разъема, подставьте емкость для масла.
Не работают стоп-сигналы на автомобилях ВАЗ 2105, 2107 Наиболее часто встречается такой заводской брак, как отсутствие соединения корпусного проводка лампы. В этом случае цоколь лампы часто начинает крутиться даже от незначительных усилий.
Почему не горят фонари заднего хода
Причин, по которым могут не гореть лампы в фонарях заднего хода, несколько:
- Сгорел предохранитель , защищающий цепь питания ламп заднего хода. Поломка видна визуально, достаточно только вытащить предохранитель из блока.
- Перегорели лампы . Чтобы проверить работоспособность ламп, их следует поочередно извлечь из фонаря и убедиться в отсутствии обрыва спирали с помощью омметра (мультиметра) или прозвонки.
- Повреждена проводка . Проверить ее можно также при помощи мультиметра и прозвонки, однако найти обрыв будет намного сложнее.
- Плохой контакт проводов с выводами датчика заднего хода . Проверку нужно начинать с визуального осмотра и зачистки грязи и окислов. После можно использовать мультиметр, замеряя сопротивление цепи.
- Произошло замыкание проводов питания . Проверить отсутствие или наличие замыкания провода на массу можно прозвонкой или мультиметром.
- Сломан датчик заднего хода ВАЗ 2107 . Проверить его можно прозвонкой или мультиметром. Визуально неисправность выражается в том, что фонари заднего хода или не включаются вообще, или постоянно горят.

MasteraVAZa » Самостоятельная замена датчика заднего хода ВАЗ
Что нужно для замены

Датчик заднего хода: где находится, проверка, замена, ремонт «
- Снимите защиту с двигателя автомобиля, если таковая имеется.
- Расположение датчика на автомобиле ВАЗ 2108 и подобных немного другое, чем на Классике, так как автомобиль имеет передний привод.
- По ходу движения автомобиля датчик находится с левой стороны.
- Если Классику приходилось загонять на смотровую яму, то автомобили на переднем приводе достаточно просто приподнять под левое переднее колесо при помощи домкрата.
- Опять же – к датчику подходят провода электропроводки.
- Снимите провода.
- Для снятия датчика понадобится удлиненная головка на 22 и вороток.
- При помощи головки снимаем датчик.
Не горят фонари заднего хода: причины, ремонт Примечание: если датчик “прикипел” и не выкручивается при помощи ключа, можно попробовать его открутить, используя зубило и молоток. Однако делать это надо предельнльо осторожно, чтобы не повредить картер КПП, сделанный из хрупкого алюминиевого сплава.
Замена датчика
И вот теперь настало время рассмотреть процесс замены датчика заднего хода на различных автомобилях ВАЗ – от 2106 до 2115. Вот вам инструкция.
ВАЗ 2107

Начнем с автомобиля ВАЗ 2107. На моделях Классики ВАЗ все делается точно так же.
Совет! Перед началом замены датчика на любом автомобиле очистите картер КПП от грязи, чтобы было легче найти датчик, и чтобы в масло не попала грязь.
- Для начала ищем датчик – он находится с правой стороны КПП, если смотреть на автомобиль по ходу его движения. Ошибиться очень сложно – это единственная деталь в КПП, куда подходят два проводка.
- Если провода оборваны, то ищите по торчащим контактам.
- Если же провода все еще на датчике, то отсоедините их.
- Далее пригодится ключ на 22. Им необходимо открутить датчик. Для удобства лучше взять вороток подлиннее, так как со временем датчик прикипает к картеру.
- Если не удается открутить датчик заднего хода при помощи ключа (головки), то необходимо это делать при помощи молотка и зубила.
Обратите внимание! Картер КПП очень хрупкий. Поэтому будьте предельно осторожны, чтобы не повредить его ударами молотка.
- После чего зачистите посадочное место от грязи при помощи ножа.
- Вместе с грязью удалите металлическую шайбу и замените ее на новую.
- Вставьте датчик и закрутите его при помощи того же ключа до упора.
- Далее необходимо надеть обратно провода. При необходимости обожмите контакты пассатижами.
- И вот, на ВАЗ 2107 замена датчика заднего хода завершена!
У некоторых людей возникает вопрос по поводу масла – потечет или нет. В данном случае не потечет.
ВАЗ 2109
Напомним, что этот пункт относится к семейству Самара в целом, а не только к автомобилю ВАЗ 2109:
- Снимите защиту с двигателя автомобиля, если таковая имеется.
- Расположение датчика на автомобиле ВАЗ 2108 и подобных немного другое, чем на Классике, так как автомобиль имеет передний привод.
- По ходу движения автомобиля датчик находится с левой стороны.
- Если Классику приходилось загонять на смотровую яму, то автомобили на переднем приводе достаточно просто приподнять под левое переднее колесо при помощи домкрата.
- Опять же – к датчику подходят провода электропроводки.
- Снимите провода.
- Для снятия датчика понадобится удлиненная головка на 22 и вороток.
- При помощи головки снимаем датчик.
ВАЗ 2110
Обратите внимание! Картер КПП очень хрупкий. Поэтому будьте предельно осторожны, чтобы не повредить его ударами молотка.
ВАЗ 2114

Характерные неисправности
- Выньте старый датчик и вставьте новый вместе с новым кольцом.
- Закрутите датчик при помощи ключа или головки.
- Протрите картер КПП от масляных следов.
- Подключите провода.
- Долейте уровень масла в коробке передач до необходимого.
- Установите обратно защиту двигателя (при необходимости).
Выход из строя контактов разъёма
Совет! Перед началом замены датчика на любом автомобиле очистите картер КПП от грязи, чтобы было легче найти датчик, и чтобы в масло не попала грязь.
Подсветка номера ВАЗ-2107
Для того чтобы выполнить работы, необходимо приготовить все необходимое и обеспечить комфортные условия работы.
Подготовка
В рамках этой стадии выполняются следующие мероприятия:
- Работу необходимо проводить в сухом месте с хорошим освещением, идеальное решение – гараж, но можно делать это даже на улице, если погода позволяет, и нет атмосферных осадков.
- Никакой специальный инструмент не требуется, что является несомненным преимуществом данного вида работ.
Рабочий процесс
Все достаточно просто и занимает очень мало времени:
Огромным достоинством работ является то, что в отличие от современных моделей доступ к фарам ничем не ограничен , это существенно упрощает проведение работ своими руками и позволяет добиться наилучшего результата, так как вы полностью контролируете процесс.
Замена лампы ближнего света на ВАЗ 2107 начинается, как и на любом другом автомобиле, со снятия клеммы с аккумулятора . Возьмите за правило отключать батарею при любых работах с электрической частью автомобиля, это предотвратит возникновение проблем, которые могут возникнуть при замыканиях и повреждениях отдельных элементов, да и вас уже точно не поразит электрическим током.
- Если нет ближнего света на ВАЗ 2107 только с одной стороны, то можно заменить и одну лампу, хотя специалисты советуют ставить сразу две, так как свет может различаться . Так или иначе, работа начинается с любой удобной вам фары, вначале протрите внутреннюю часть, так как чаще всего она загрязнена, и мусор может попасть внутрь в дальнейшем.
- В первую очередь необходимо снять заглушку, которая закрывает место установки лампочки и служит защитой от попадания внутрь корпуса влаги и грязи . Данный элемент снимается весьма просто: беретесь за него и проворачиваете против часовой стрелки, пока он не снимется, обычно это происходит за половину или даже четверть оборота.
Затем нужно снять соединительную колодку с проводами, делать это следует очень аккуратно: беретесь за корпус соединителя и тянете в направлении от цоколя . Если , то можно очень легко нарушить контакты, и придется устранять еще и эту проблему.
После освобождения можно доставать старую лампу, ведь она уже ничем не закреплена
Обратите внимание на то, что, вынимая новый узел и устанавливая его на место, нельзя дотрагиваться до стеклянной части, так как это приведет к подгоранию мест прикосновения. Беритесь за патрон и соблюдайте аккуратность, чтобы избежать проблем. Сборка производится в обратной последовательности, поэтому отдельно прописывать данный процесс не имеет смысла
Осталось только одно – проверить работу системы, и если все нормально, то можно до конца собирать конструкцию.

Подсветка номера ВАЗ-2107
- освещения участка дороги и предметов, расположенных сзади автомобиля при движении задним ходом в тёмное время суток;
- информирования других участников движения о том, что автомобиль перемещается задним ходом.
Выключатель фонарей заднего хода ваз 2107 — проверка и замена Габаритные огни являются одними из важнейших световых приборов автомобиля. Нерабочие в темное время суток габаритные огни – почти неизбежное ДТП. В этой статье мы выясним, почему могут не гореть задние габариты в ВАЗ 2107, а также попробуем устранить неисправность самостоятельно.
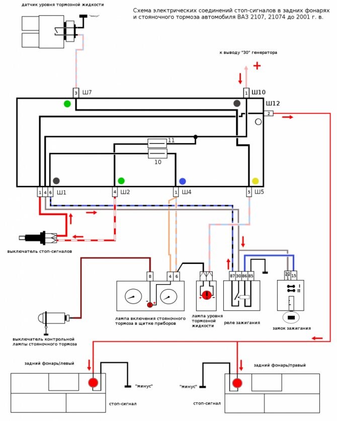
Основные причины неисправности стоп-сигналов
При нажатии на педаль тормоза могут быть следующие эффекты:
- Не горят — требуется искать проблему. Причем сигнал о том, что не горят обе лампы на автомобиле, свидетельствует о необходимости проведения глобальной проверки, так как парно световые элементы перегорают в редких случаях.
- Горят наполовину — если горит только один стоп-сигнал, значит надо разобрать вторую фару и проверить исправность лампы. С большей вероятностью из строя вышел осветительный элемент(лампочка), и реже причиной может быть нарушение контакта.
Причинами неисправности стопа на ВАЗ 2107 являются:
- Из строя вышел предохранитель F11(10А). Предохранитель состоит из плавкой вставки, которая перегорает при прохождении по цепи тока большой величины. Предохранитель рассчитан на соответствующую величину тока, поэтому его перегорание может быть связано с возникновением короткого замыкания или установкой ламп большой мощности.
- Замыкание в проводке или ее повреждение. Такая неисправность часто встречается после проведения работ в салоне или багажном отсеке.
- Окисление контактов. В месте соединения ламп с цоколем, или в месте подключения проводов к фарам со временем может сформироваться окисление, причинами которого является плохой контакт и попадание влаги внутрь блок фары задних фонарей.
- Перегорание ламп накаливания — лампы имеют свой ресурс, поэтому часто неработоспособность стоп-сигнала связана с их перегоранием.
- Неисправность жабки или лягушки — это датчик, который расположен в конструкции педали тормоза. Датчик замыкает контакт при нажатии педали тормоза, в результате чего загорается стоп-сигнал.
Это все виды неисправностей, которые связаны с неработоспособностью стопа на автомобиле ВАЗ 2107 и других автомобилей. Выявить поломку и устранить ее можно самостоятельно, не обращаясь к электрику. Для выявления поломки понадобится тестер или мультиметр. Более подробно о том, как найти и устранить неисправности стопа на ВАЗ 2107, рассмотрим подробно.
Прочитайте, может пригодится: Установка центрального замка на ваз 2107 своими руками (фото, видео)
Проверка лампочек

Окислились контакты
Выявить такую неисправность не трудно, для чего следует выкрутить лампу из патрона, и осмотреть внутренность. Окислы и ржавчину выявить можно визуально, а для устранения неисправности, понадобится очистить контакты наждачной бумагой. После этого перед установкой светоизлучающего элемента, следует обработать место патрона силиконовой смазкой.
Это интересно! Контакты могут окислиться, покрыться коррозией или ослабнуть, что приведет в итоге к неисправной работе стоп-сигналов. Контакты следует проверить также на лягушке или ДСС.
ВАЗ 2107
Описание рабочего процесса

Габаритные огни
- Создание небольшого освещения дорожного полотна и встречных предметов при движении задним ходом в темное время суток. К примеру, во время парковки задним ходом ночью фонарь заднего хода – просто необходимая вещь. Она помогает лучше ориентироваться в темноте и уберегает нас от неприятностей на парковке или во дворе.
- Информативная функция. При включении задней скорости, фонарь загорается соответствующим светом (дневным), что информирует других участников движения о том, что вы планируете совершить движение задним ходом. Есть люди, у которых плохо развито зрительное восприятие, относительно уменьшения расстояния до предметов. Это значит, что вы можете начать движение задним ходом на человека, который этого совсем не заметит.
Проверка работоспособности
Совет! Перед началом замены датчика на любом автомобиле очистите картер КПП от грязи, чтобы было легче найти датчик, и чтобы в масло не попала грязь.
