Не Горит Лампочка Габаритов Ваз 2115. Цены комплектующих
Отказы в цепи габаритных огней
Габаритные световые сигналы на Самарах второго поколения, к которым относится ВАЗ 2114, расположены в соответствие с регламентом спереди и сзади машины, по два фонаря с каждой стороны автомобиля, ближе к краю, рядом с поворотниками.
- Передние габаритные огни белого цвета, задние габариты — красные. Передние расположены в блоке передних фар, задние — в блоке задних фонарей.
- Включаются и выключаются габариты нажатием клавиши «Выключатель габаритных огней», которая установлена в блоке переключателей наружного освещения. Клавиши расположены в центральной части приборной панели над дисплеем бортового компьютера. При включении габаритов и загорании лампочек габаритного освещения на кнопке высвечивается контрольная лампа зеленого цвета.
- В цепи габаритного освещения установлен плавкий предохранитель габаритного освещения. Он расположен в монтажном блоке, находящемся в моторном отсеке под капотом. Предохранителей два штуки, по одному на каждую сторону габаритных огней. Предохранитель F10 стоит в цепи габаритов левого борта, он же контролирует работоспособность контрольной лампы на приборной доске, предохранитель F11 — это габариты правого борта.

Не горит задний левый габарит ваз 2114
Неисправности и их устранение (задние и передние габариты)

Не горит правая сторона габаритов ваз 2114
- Не горит одна из лампочек габаритного освещения. Самая вероятная причина — перегорела лампочка. Реже встречаются проблемы с плохим контактом — это окисление или плохое примыкание. И совсем редко — пробой в проводке к контактной группе этой лампочки. Хотя и редко, но такое тоже случается. В случае, если лампочка перегорела, ее требуется заменить. Для этого необходимо:
Не работают задние габариты ваз 2114 причины — Автомобильный портал AutoMotoGid б) при замене лампочки габаритного света в заднем блоке фонарей:
Не горят задние габариты ВАЗ 2114: причины, ремонт своими руками
Характеристики габаритных огней ВАЗ-2114
ВАЗ-2114 относится к модификации «Самара» второго поколения. Габаритные фонари в них расположены, в соответствии с техническим регламентом, у края передней и задней части кузова, рядом с поворотниками. Входят эти светильники в блоки фар.
- В отличие от передних габаритных огней, задние окрашены в красный цвет.
- Кнопка включения этих фар находится в блоке управления наружным освещением. Он располагается по центру приборной панели над бортовым компьютером. Если габариты включены, на выключателе загорается подсветка зеленого цвета.
Если фонари отказались работать по левой стороне, то замене подлежит предохранитель F11.

Предохранитель на левый габарит ваз 2114 — Автомобильный портал AutoMotoGid
- Не включается клавиша габаритных огней (не горит контрольная лампа на клавише). Причина в основном связана с окислившимися контактами, которые надо зачистить и промыть спиртом, вытащив блок клавиш из гнезда. Возможен выход из строя предохранителя F10, но тогда не должны загораться, в том числе, и лампы габаритов с левой стороны. На ВАЗ 2114 перегорает предохранитель габаритов не так уж и часто, тем более, что в настоящее время в монтажном блоке устанавливают широкие пластиковые предохранители с хорошими контактами.
- Промаргивание при включенных габаритах или слабое свечение ламп. Основной причиной при таких проявлениях является окисление контактов в цепи. В первую очередь надо проверить и прочистить контактную группу в монтажном блоке в цепи предохранителей. То же самое возможно в контактных группах конкретных ламп габаритного света. Не стоит забывать, что машина эксплуатируется в условиях высокой влажности и окисление — это нормальное физическое явление с которым приходится считаться.
- Постоянно горит предохранитель габаритов. Причину надо искать в монтажном блоке. Возможно плохие контакты в контактной группе предохранителей.
Не работают задние габариты ваз 2114 причины При нажатии на педаль тормоза, включаются задние поворотники . При включении поворотников , задние габориты начинают переключатся и светить ,как гирлянды ?
Характеристики габаритных огней ВАЗ-2114
ВАЗ-2114 относится к модификации «Самара» второго поколения. Габаритные фонари в них расположены, в соответствии с техническим регламентом, у края передней и задней части кузова, рядом с поворотниками. Входят эти светильники в блоки фар.
- В отличие от передних габаритных огней, задние окрашены в красный цвет.
- Кнопка включения этих фар находится в блоке управления наружным освещением. Он располагается по центру приборной панели над бортовым компьютером. Если габариты включены, на выключателе загорается подсветка зеленого цвета.
Если фонари отказались работать по левой стороне, то замене подлежит предохранитель F11.

Неисправности и их устранение (задние и передние габариты)
- отключите освещение и откройте багажник;
- удалите декоративную обивку;
- сожмите фиксаторы и вытащите контактную панель фонаря;
- нажмите на сгоревшую лампу и поверните ее против часовой стрелки;
- проверьте лампочку на тестере и при необходимости установите новую.
Советы для автомобилистов Габаритные огни задней полусферы находятся в блоке задних фонарей, у которых общепризнанной болезнью является постоянное окисление и коррозия контактных групп. С целью профилактики требуется постоянно контролировать эту плату.
Советы для автомобилистов

Согласно, настоящих Правил дорожного движения, на любом движущемся автомобиле, в том числе и ВАЗ-2114, должен быть включен свет фар, совместно с которым обязательно включаются и габаритные огни. Кроме того, они должны быть включены при остановке или стоянке автомобиля на дороге в тёмное время суток и условиях недостаточной видимости. Поэтому, они должны быть всегда исправны.
Ещё одной причиной, по которой не горит лампа габаритов, может стать отсутствие напряжения на соответствующих клеммах колодок задних фонарей или колодок передних фар. Тогда при помощи тестера придётся прозвонить соответствующие провода:
- не горит правый передний габарит (проверяем жёлтый провод от клеммы №4 фары, до клеммы №8, колодка Х6 монтажного блока);
- не горит правый задний габарит (проверяем жёлтый провод от колодки правого заднего фонаря до клеммы №9, колодки Х9 монтажного блока);
- не горит левый передний габарит (проверяем жёлто-чёрный провод от клеммы №4 фары, до клеммы №10, колодки Х6 монтажного блока);
- не горит левый задний габарит (проверяем жёлто-чёрный провод от колодки правого заднего фонаря до клеммы №17, колодки Х9 монтажного блока);
3 комментария
При нажатии на педаль тормоза, включаются задние поворотники . При включении поворотников , задние габориты начинают переключатся и светить ,как гирлянды ?
По пр. борту не горят габариты, предохранители целые, лампочки тоже. Может ли дело быть в К4?
Добрый день. Сегодня у нас в автосервисе ВАЗ 2113, 2114, 2115. Приехал он к нам с проблемами в работе электрики в автомобиле. Не работает дальний свет, и щетки стеклоочистителя. Поэтому в данной статье мы расскажем Вам, как найти блок предохранителей и заменить их. Перед тем, как осуществлять данную процедуру, проверьте состояние предохранителей.
Габариты ВАЗ 2114
- Передние габаритные огни белого цвета, задние габариты — красные. Передние расположены в блоке передних фар, задние — в блоке задних фонарей.
- Включаются и выключаются габариты нажатием клавиши «Выключатель габаритных огней», которая установлена в блоке переключателей наружного освещения. Клавиши расположены в центральной части приборной панели над дисплеем бортового компьютера. При включении габаритов и загорании лампочек габаритного освещения на кнопке высвечивается контрольная лампа зеленого цвета.
- В цепи габаритного освещения установлен плавкий предохранитель габаритного освещения. Он расположен в монтажном блоке, находящемся в моторном отсеке под капотом. Предохранителей два штуки, по одному на каждую сторону габаритных огней. Предохранитель F10 стоит в цепи габаритов левого борта, он же контролирует работоспособность контрольной лампы на приборной доске, предохранитель F11 — это габариты правого борта.
Причины, что делать и как устранить неисправность — отключить освещение и открыть багажник
Техническое устройство
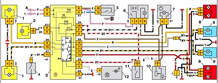
Схема и расположение предохранителей на ВАЗ 2114(так же на 2113 и 2115)
Теперь нам осталось лишь разобраться почему происходят такие проблемы, и каким образом их решать, например, как заменить габаритную лампу на ВАЗ 2114 в любой части авто. Итак, для начала разберемся почему не горят габариты, какие у этого могут причины:
- Отсутствие напряжения на фарах;
- Перегорели лампы;
- Сгорел предохранитель;
- Вышел из строя блок предохранителей;
- Сломалась кнопка включения огней.
Итак, теперь нам необходим разобраться в каждом конкретном варианте подробнее, например, почему не горит левый задний габарит. Первая и самая логичная причина – просто вышел ресурс лампы, и она перегорела, также как это бывает с обычными домашними лампочками. Теперь ее нужно заменить, делается это аналогично во всех частях авто:
- Сначала нужно отыскать где изнутри находится корпус фары или подворотника и снять защитный кожух, на ВАЗ 2114 на нем прямо написано, как это делается. Вытащится все вместе с цоколем;
- Теперь в цоколе нужно отыскать габарит и аккуратно вытащить его оттуда;
- Вынимаем лампу, она здесь просто вставляется на защелке;
- Вставляем новую, так, чтобы она щелкнула и собираем все в обратной последовательности.

Характеристики габаритных огней ВАЗ-2114
Что особенно важно контролировать у задних габаритов

Характеристики габаритных огней ВАЗ-2114
- Передние габаритные огни белого цвета, задние габариты — красные. Передние расположены в блоке передних фар, задние — в блоке задних фонарей.
- Включаются и выключаются габариты нажатием клавиши «Выключатель габаритных огней», которая установлена в блоке переключателей наружного освещения. Клавиши расположены в центральной части приборной панели над дисплеем бортового компьютера. При включении габаритов и загорании лампочек габаритного освещения на кнопке высвечивается контрольная лампа зеленого цвета.
- В цепи габаритного освещения установлен плавкий предохранитель габаритного освещения. Он расположен в монтажном блоке, находящемся в моторном отсеке под капотом. Предохранителей два штуки, по одному на каждую сторону габаритных огней. Предохранитель F10 стоит в цепи габаритов левого борта, он же контролирует работоспособность контрольной лампы на приборной доске, предохранитель F11 — это габариты правого борта.
Проверка предохранителя передних и задних огней На автомобиле ВАЗ-2115 чаще прекращают работать лампы габаритных огней в задних фонарях. Связано это с возникновением не герметичности фонарей, в результате чего, внутрь попадает влага, что приводит к окислению штекера колодки или дорожки на гибкой плате, через которые подаётся напряжение на контакты лампы.
Почему может не гореть задний габарит
От неисправных габаритных огней не застрахован ни один из автолюбителей. Важно быстро понять, в чем причина, и провести ремонт. Наиболее часто выходит из строя одна из ламп, тогда можно предположить причину выход из строя:
Первое встречается наиболее часто, в этом случае достаточно заменить вышедший из строя светильник. Если лампа работает, только если стукнуть по ней, то проблемы с контактами (хотя не всегда физическое воздействие помогает). Если при тестировании вы обнаружили, что лампочка целая, а окисления или нагара в патроне не наблюдается, то необходимо проверить проводники.

Замена испорченной лампы в заднем блоке фар проводится по инструкции:
- отключите освещение и откройте багажник;
- удалите декоративную обивку;
- сожмите фиксаторы и вытащите контактную панель фонаря;
- нажмите на сгоревшую лампу и поверните ее против часовой стрелки;
- проверьте лампочку на тестере и при необходимости установите новую.
Сборка фонарей проводится в обратном порядке. Заменить фонарь можно и в сборе. Для этого важно лишь приобрести качественный вариант, не отличающийся от оригинала. Автолюбители часто рекомендуют приобретать стоковые комплектующие или обратить внимание на фирму «Освар». Замену в сборе мы рекомендуем в том случае, если есть значительные повреждения конструкции.
Часто лампы задних габаритов не сразу перегорают или отказываются работать, а возвещают о неполадках слабым свечением. Для начала прочистите группу контактов, расположенную в монтажном блоке, а затем, если неисправность не удалось исправить, поверьте группы, ведущие к каждой лампе.
Характеристики габаритных огней ВАЗ-2114
- Не включается клавиша габаритных огней (не горит контрольная лампа на клавише). Причина в основном связана с окислившимися контактами, которые надо зачистить и промыть спиртом, вытащив блок клавиш из гнезда. Возможен выход из строя предохранителя F10, но тогда не должны загораться, в том числе, и лампы габаритов с левой стороны. На ВАЗ 2114 перегорает предохранитель габаритов не так уж и часто, тем более, что в настоящее время в монтажном блоке устанавливают широкие пластиковые предохранители с хорошими контактами.
- Промаргивание при включенных габаритах или слабое свечение ламп. Основной причиной при таких проявлениях является окисление контактов в цепи. В первую очередь надо проверить и прочистить контактную группу в монтажном блоке в цепи предохранителей. То же самое возможно в контактных группах конкретных ламп габаритного света. Не стоит забывать, что машина эксплуатируется в условиях высокой влажности и окисление — это нормальное физическое явление с которым приходится считаться.
- Постоянно горит предохранитель габаритов. Причину надо искать в монтажном блоке. Возможно плохие контакты в контактной группе предохранителей.
Заключение Электростеклоподъемники. Реле включения электростеклоподъемников (контакты).
