Ваз 2114 Горит Лампа Уровня Топлива – Самостоятельная замена
Почему не работает контрольная лампа резерва топлива в комбинации?
1. Почему лампа резерва топлива в комбинации приборов не загорается? Хотя бензина в баке мало и двигатель уже глохнет.
— Возможно не замыкаются ее контакты в датчике уровня топлива (ДУТ) при опускании поплавка в нижнее положение (когда уровень топлива в бензобаке снижается до минимума).
Должно быть так. В нижнем положении поплавка, когда уровень топлива самый минимальный (4-7 л), замыкаются контакты лампы резерва — подвижный контакт на ползунке и неподвижный контакт на корпусе ДУТ. Это «масса». Плюс на лампу подается постоянно, после включения зажигания. После чего лампа резерва топлива загорается.
Но, если по каким-то причинам (например, при механическом повреждении) подвижный и неподвижный контакты внутри датчика уровня топлива остаются разомкнуты, то лампа резерва ни когда не загорится.

Если подвижный и неподвижный контакты лампы резерва топлива при опускании поплавка не замыкаются, то лампа не будет гореть никогда, так как ее электрическая цепь разорвана. На изображении они замкнуты, как и положено.
Для проверки необходимо снять фишку с ДУТ и соединить с «массой» ее вывод «W» (голубой с пурпурным провод). И включить зажигание. Если лампа резерва топлива загорелась — контакты лампы внутри ДУТ не замыкаются. Нужно извлечь его из бака, разобрать и устранить неисправность.
— Имеется «обрыв» в электрической цепи лампы резерва топлива.
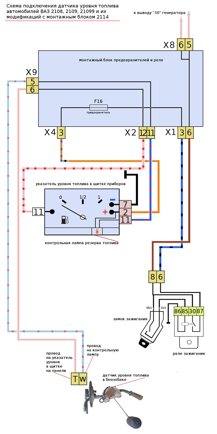
Датчик уровня топлива (ДУТ) и контрольная лампа резерва топлива автомобилей ВАЗ 2108, 2109, 21099 до 1998 г.в., схема подключения
2. Почему постоянно горит лампа резерва топлива в комбинации приборов? Бензина в баке больше 7 литров.
— Имеется замыкание на «массу» в ее электрической цепи.
Либо имеет место постоянное соприкосновение контактов с «массой» (например, при механическом повреждении) внутри датчика уровня топлива, либо провод от ДУТ к комбинации приборов замкнут на «массу».
Если бензина в топливном баке много (более 7 литров) поплавок всплывает и контакты лампы резерва топлива размыкаются — лампа не горит
Для проверки необходимо снять фишку с датчика уровня топлива и включить зажигание. Если лампа погасла — проблема в ДУТ, если нет — имеется замыкание на «массу» в проводах от ДУТ к комбинации приборов.
ДУТ можно разобрать и починить, провода придется «прозванивать» по схеме.
Датчик уровня топлива на ВАЗ 2114 инжектор: все секреты и тонкости
Датчик уровня топлива на ваз 2114 — замена, диагностика, ремонт На расход также активно влияют такие факторы, как температура воздуха, состояние дорожного покрытия и профессионализм водителя.
Замена датчика топлива
Если прибор вышел из строя и показывает недостоверные данные, то необходимо приобрести новый датчик, а также подготовить вольтметр, набор отверток и накидные ключи.
Автовладельцу нужно придерживаться правил безопасности, ведь датчик уровня топлива ВАЗ 2114 функционирует в системе подачи горючего.
Вначале необходимо отключить аккумуляторную батарею. Для выполнения ремонтных работ достаточно отсоединить минусовую клемму. Обратите внимание, что для обеспечения комфортных работ в бензобаке должно быть не более 45% горючего.
Ремонтные работы выполняются в следующей последовательности:
- устройство установлено в модуле для перекачивания горючей смеси. Поэтому задача автомобилиста заключается в извлечении всего модуля; понадобится снять нижнюю подушку и убрать обивку багажника;
- далее нужно открутить саморезы, которые фиксируют крышку бензобака. С их же помощью удерживается обивка. Для выкручивания винтов необходимо воспользоваться ключом на 7;
- на следующем этапе нужно открутить ещё 8 винтов, удерживающих кромку крышки;
- снятие крышки бензобака;
- отключение электрических разъемов от топливного насоса. Для этого понадобится ключ на 17;
- отключение шланга от топливного насоса ;
- всё работу необходимо выполнять осторожно. Перед тем как полностью откручивать гайку штуцера, удерживающую топливный шланг, необходимо сделать один оборот. Таким образом, из системы выйдет давление;
- на крышке необходимо найти и открутить 8 гаек. Для этого нужно воспользоваться накидным ключом. Некоторые автомобилисты отдают предпочтение трещетке;
- демонтаж насоса. Топливное устройство необходимо немного приподнять, затем повернуть по ходу часовой стрелки и наклонить. Подобные действия необходимо выполнить для того, чтобы не вызвать повреждение поплавка.
Таким образом, происходит извлечение модуля. Затем необходимо сделать следующее:
- немного сдвинуть стопорное кольцо, воспользовавшись отвёрткой;
- демонтаж крышки топливного модуля;
- отключение проводка, подсоединённого непосредственно к регулятору давления;
- отсоединение колодок со всеми проводами;
- отсоединение фиксаторов датчика уровня топлива;
- демонтаж датчика. Для этого устройства необходимо сдвинуть по пазам корпуса модуля.
На этом этапе работы по демонтажу ДУТ завершены. Теперь владельцу 14 модели остаётся только установить новое устройство и собрать конструкцию в обратном порядке. Но спешить с выполнением работ не стоит.
Не исключено, что проблема обусловлена совсем другими причинами. Поэтому датчик необходимо проверить, сделать это можно следующим образом:
- непосредственно к контактам рассматриваемого измерителя необходимо подключить вольтметр, переключив в его в режиме измерения сопротивления. Замеры необходимо выполнять в тех случаях, когда поплавок занимает среднее и крайние положения;
- в верхнем положении – 7-25 Ом. В этом случае бак полностью заправлен горючим;
- среднее положение. Прибор должен зафиксировать значения в пределах от 100 до 135 Ом;
- если же бак практически пустой, то на шкале измерителя показатели должны варьироваться в пределах 285 — 385 Ом.

Не показывает уровень топлива ВАЗ 2114 — датчик бензина
Почему не работает контрольная лампа резерва топлива? После визуального осмотра также может потребоваться проверка при помощи мультиметра. Другими словами, чтобы понять, почему не работает датчик топлива, указанный датчик также проверяется в режиме омметра.
Неправильно показывает уровень топлива: что делать водителю
Прежде всего, если стрелка уровня топлива показывает неверные данные, нужно приступать к диагностике основных элементов датчика уровня топлива. Начнем с того, что на разных авто могут стоять различные типы датчиков уровня топлива:
- самым простым и распространенным на легковых авто является рычажный ДУТ;
- трубчатый датчик чаще стоит на крупных машинах;
- бесконтактные датчики уровня топлива используют для моторов на метаноле или этаноле;
При этом датчики уровня топлива с потенциометром преобладают, причем рычажного типа. Если такой датчик выходит из строя или неправильно показывает уровень топлива, причина зачастую сводится к тому, что контакты потенциометра окислились, дорожки или бегунок резистора изношены, сам резистор пришел в негодность или не соответствует номиналу.
- Как правило, если окислились контакты потенциометра, информация об уровне топлива в топливном баке не соответствует действительности. При этом указатель может периодически показывать точный уровень, однако затем снова показания не верны. При этом лампочка уровня топлива срабатывает нормально.
Чтобы проверить переменный резистор ДУТ, сначала его нужно осмотреть визуально. В случае, когда видны окислы, которые явно отличаются по своему цвету, следует обратить внимание на общее количество и масштабы окисления.
Если количество окислов не большое, тогда их можно просто почистить. Также можно воспользоваться решением переместить бегунок. Способ подойдет тогда, когда окислилась всего лишь часть дорожек.
В ситуации, когда окисления масштабные, не остается ничего, кроме как заменить датчик уровня топлива. Также замена нужна в том случае, если повреждены дорожки или бегунок.
Основным признаком того, что бегунок или дорожки износились, является полный выход датчика из строя. Реже бывает так, что датчик работает, но только в определенных секторах. При осмотре видно, что дорожки затерты, бегунок имеет повреждения и т.д.
Кстати, если есть возможность подогнуть бегунок на рабочий участок, тогда работоспособность датчика уровня топлива можно восстановить. Однако если сам бегунок поврежден или дорожки сильно повреждены, лучше оставит попытки ремонта датчика уровня топлива. В таком случае целесообразнее сразу купить и поставить новый датчик.

Датчик топлива неправильно показывает уровень топлива: основные причины
Как проверить датчик уровня топлива мультиметром?

Что нужно знать о датчике уровня топлива
- пустотелый поплавок, выполненный из пластика или тонкого металла;
- так называемый «пенопластовый» поплавок, который изготовлен из пористой основы;
Почему датчик выдает неправильные показания Датчик уровня топлива автомобиля ВАЗ 2114 может неправильно работать, выдавая ложные показания, по следующим причинам:
Как проверить датчик уровня топлива ваз 2108?
2) Берем перемычку — кусок обычного провода и с помощью него замыкаем на массу розовый провод при включенном зажигании. Стрелка уровня топлива при этом должна показывать полный бак. 3) Теперь перемычкой соединяем голубой провод с массой — должна загореться лампочка низкого уровня топлива в баке Ваз 2108 2109 21099.
Если такой датчик выходит из строя или неправильно показывает уровень топлива, причина зачастую сводится к тому, что контакты потенциометра окислились, дорожки или бегунок резистора изношены, сам резистор пришел в негодность или не соответствует номиналу. … При этом лампочка уровня топлива срабатывает нормально.

Порядок действий
- можно проверить быстрым способом. Вытянуть топливный модуль, отсоединив от него трубки, и немного вытянуть сам датчик, насколько позволяют провода. …
- проверка мультиметром. …
- еще один способ, вытягиваем топливный модуль, не отсоединяя его, на самом же датчике замыкаем провод его питания и “массу”.
Почему неправильно показывает датчик уровня топлива или не работает уровень топлива Указатель датчика топлива всегда показывает, что бак заполнен полностью, если поплавок оторвался от скользящего контакта. Кроме того, такая неисправность может быть обусловлена тем, что провод, который идет к панели приборов, коротит, из-за чего в цепи снижается сопротивление.
Как выполнить замену
Если у вас неправильно показывает датчик уровня топлива ваз 2114, значит его рекомендуется заменить на новый. Для этого подготовьте необходимые инструменты:

Приступаем к работе
Учтите, датчик находится в непосредственном контакте с топливом, потому следует придерживаться определенных правил личной безопасности. В первую очередь, отключите аккумулятор. Полностью снимать батарею не обязательно, достаточно отключить минусовой провод от клеммы. Также убедитесь, что бак наполнен примерно на 45% или меньше. Это обеспечит дополнительное удобство при работе.
Последовательность ваших действий следующая:
- Датчик располагается в модуль вместе с топливным насосом. Потому извлечь исключительно измеритель, не затрагивая модуль, у вас не получится.
- Для получения доступа к модулю снимите нижнюю подушку на задних кресла и отогните обивку багажного отсека.
- Ключом на 7 выкрутите слева и справа саморезы, удерживающие крышку топливного бака. Они еще держат обивку на боковинах.
- Вы увидите затем восемь саморезов, с помощью которых прижимаются кромки крышки. Их также извлеките.
- Снять крышку бака целиком не сложно, остается лишь немного сдвинуть ее вперед.
- Отключите от насоса электроразъемы, воспользовавшись рожковым ключом на 17, открутите от штуцера гайку шланга, который подает топливо.
- Не спешите, действуйте максимально аккуратно. Обязательно сделайте предварительно один оборот. Это позволит стравить скопившееся давление в системе.
- По диаметру крышки найдете восемь гаек. Откручивайте их. Для этого пригодится рожковый или накидной ключ, хотя некоторым удобнее пользоваться трещоткой.
- Снимая насос, поднимите его немного вверх, поверните по часовой стрелке и наклоните. Это позволит не повредить поплавок измерителя.
Вот, вы извлекли модель, потому можно двигаться дальше:
- Плоской отверткой сдвиньте стопорное кольцо на топливном модуле.
- Так вы сможете снять крышку с него.
- Снимите конец подключенного проводка с клеммы регулятора давления.
- Отожмите фиксаторы от крышки, отсоедините колодки с проводами от насоса;
- Освободите фиксаторы датчика и сдвиньте датчик по пазам корпуса.
- Снимите измеритель.
Собственно, на этом можно считать работу практически выполненной. Остается лишь поставить новый датчик на свое законное место и выполнить сборку в обратной последовательности.
Но спешить не стоит. Вы вообще уверены, что проблема кроется непосредственно в датчике? Его обязательно следует проверить. Сделать это не сложно.
Обязательно обратите внимание на один момент. Многие, обнаружив неисправность в датчике горючего, сразу же приступают к достаточно сложной работе по извлечению модуля, замене датчика и так далее.
Неправильно показывает уровень топлива: что делать водителю
Реальный расход топлива: дизель УАЗ «Патриот» | Всё о авто-мото-вело технике

Видео по теме
- В цепи присутствует дополнительное сопротивление — окислились места разъемов, появился налет на резистивном слое и скользящем контакте.
- Деформировалось поплавковое литье, из-за чего поплавок заполнился горючим. Данная причина неисправности встречается нечасто.
- На направляющей образовался налет, затрудняющий перемещение поплавка.
Датчик трубчатого типа Датчик трубчатого типа несколько отличается по конструкции. У него нет в конструкции потенциометра как такового, но задействован принцип его работы.

