Не Горят Противотуманные Фары Киа Спектра – Соединения электростеклоподъемников
14а. Система отопления и кондиционирования
Схема 14а. Система отопления и кондиционирования Kia Spectra (Киа Спектра): 1 – аккумуляторная батарея; 2 – плавкая вставка IG2 (30 A); 3 – плавкая вставка BLOWER (30 A); 4 – плавкая вставка ROOM (10 A); 5 – выключатель (замок) зажигания; 6 – плавкая вставка.
Схема 14б. Система отопления и кондиционирования Kia Spectra (Киа Спектра): 1 – исполнительный механизм переключателя режимов отопления и кондиционирования; 2 – исполнительный механизм регулировки температуры; 3 – блок управления отопителем; 4 – переключатель температур.

Предохранители и реле Киа Спектра 2
Схема предохранителей Киа Спектра

Панель приборов Киа Спектра
Предохранители Kia Spectra: схема, расположение блоков Для тестирования датчика используется лампа, рассчитанная на напряжение 12 В, установленная в патроне с коммутационными кабелями. Индикатор присоединяется к клеммам сенсора при включенной передаче заднего хода и активном зажигании. Если лампа не включилась, то датчик нуждается в замене или регулировке.
Схемы блока предохранителей
Приборная доска
Назначение предохранителей в щитке приборов
Описание | Рейтинг усилителя | Защищенный компонент |
НАЧАЛО | 10А | Запуск двигателя |
SRF / D_LOCK | 20А | Люк, Замок двери |
RR FOG | 10А | Задний противотуманный фонарь |
ОПАСНОСТИ | 10А | Сигнальная лампа аварийной сигнализации |
A / CON | 10А | Кондиционер |
Кластер | 10А | Кластер |
RKE | 10А | Удаленный вход без ключа |
S / HTR | 20А | Подогрев сиденья |
С / Зажигалка | 15А | Зажигалка |
СУМКА | 15А | Воздушная подушка |
R / WIPER | 15А | Задний стеклоочиститель |
АУДИО | 10А | Аудио |
АБС | 10А | Антиблокировочная тормозная система |
ACC / PWR | 15А | Аксессуар / розетка |
КОМНАТА | 15А | Комнатная лампа |
IGN | 10А | Зажигание |
ECU | 10А | Блок управления двигателем |
ХВОСТ ПРАВЫЙ | 10А | Задний фонарь (правый) |
T / SIG | 10А | Световой сигнал поворота |
RR / HTR | 30А | Обогрев заднего стекла |
P / WDW LH | 25А | Стеклоподъемник (слева) |
HTD / MIRR | 10А | Обогреватель наружных зеркал заднего вида |
P / WDW RH | 25А | Стеклоподъемник (правый) |
ХВОСТ ЛЕВЫЙ | 10А | Задний фонарь (левый) |
RR / HTR | Реле обогревателя заднего стекла | |
РЕЗИСТОР | Резистор | |
P / WDW | Реле стеклоподъемника | |
ACC / PWR | Аксессуар / реле розетки | |
ХВОСТИК | Реле задних фонарей |
Моторного отсека
Назначение предохранителей в моторном отсеке

Схемы электрооборудования KIA SPECTRA — инструкция
- Включить стояночный тормоз, выключить зажигание, снять клемму с минусового полюса аккумулятора.
- Открыть крышку блока, нажав на фиксатор со стороны воздушного фильтра.
- Открутить гайку со стороны левого крыла и снять со шпильки клемму.
- Поджать фиксатор и вытащить деталь из кронштейна.
- Выкрутить крепежный болт из голубой квадратной колодки и отсоединить ее.
- Повторить шаг № 5 с остальными крупными колодками.
- Отсоединить малые колодки, поджав их фиксаторы отверткой.
- Отвести провода в сторону и снять кронштейн, поджав отверткой фиксаторы у основания.
- Подключить колодки и установить снятые компоненты в обратном порядке.
Ремонт Kia Spectra: Расположение предохранителей и реле 6 – тахометр электронного типа показывает частоту вращения коленчатого вала двигателя. Шкала имеет деления от 0 до 8, цена деления 0,5. Для того чтобы узнать частоту вращения коленчатого вала в мин –1 , нужно умножить показания тахометра на 1000. Красная зона — опасный для двигателя режим.
Применяемые лампы Киа Спектра
Все применяемые лампы Киа Спектра 2000 года по настоящее время, их характеристики и визуальные отличия.
- Лампа ближнего света — галогеновая лампа Н7 мощность 55 ватт. Цилиндрической формы, с двумя контактами.
- Лампа дальнего света — галогеновая лампа Н7 мощность 55 ватт. Цилиндрической формы, с двумя контактами.
- Лампа передней противотуманной фары — галогеновая лампа H27/2 мощностью 27 ватт. Лампа Г образной формы с пластиковым цоколем, с двумя контактам.
- Лампа переднего поворота — желтая одноконтактная лампа накаливания PY21W, мощностью 21 ватт.
- Лампа заднего противотуманного фонаря, указателя заднего поворота и заднего хода — одноконтактная лампа накаливания P21W, мощностью 21 ватт.
- Лампа освещения переднего габарита — маленькая одноконтактная лампа W5W, мощностью 5 ватт.
- Лампа дополнительного сигнала тормоза — маленькая одноконтактная лампа W16W, мощностью 16 ватт.
- Лампа заднего габарита и сигнала тормоза — двухконтактная лампа накаливания с металлическим цоколем P21/5W , мощностью 21/5 ватт.
- Лампа повторителя поворота — бесцокольная одноконтактная лампа WY5W желтого цвета, мощностью 5 ватт.
- Лампа освещения номерного знака — маленькая лампа цилиндрической формы C5W , мощностью 5 ватт.

Подсветка приборов
Реле и предохранитель прикуривателя Устанавливается в салоне под номерами 1. При замене деталей нет необходимости искать правильный артикул. В машине применяется стандартные вилочные вставки и пятиконтактное реле, цена на рынке колеблется в пределах 50 рублей.
Панель приборов Киа Спектра

Расположение приборов, контрольных и сигнальных ламп в щитке приборов Спектра показано на рисунке выше. В комбинации приборов установлены следующие приборы и сигнализаторы:
2 – контрольная лампа включения задних противотуманных фонарей загорается при включении света в задних противотуманных фонарях.
3 – контрольная лампа включения обогрева заднего стекла.
4 – контрольная лампа включения дальнего света фар Спектра (со светофильтром синего цвета) загорается при включении дальнего света фар.
5 – сигнальная лампа аварийного падения давления масла (со светофильтром красного цвета) загорается при включении зажигания и предупреждает, что давление в системе смазки двигателя ниже нормы. Сразу после пуска двигателя лампа должна погаснуть.
6 – тахометр электронного типа показывает частоту вращения коленчатого вала двигателя. Шкала имеет деления от 0 до 8, цена деления 0,5. Для того чтобы узнать частоту вращения коленчатого вала в мин –1 , нужно умножить показания тахометра на 1000. Красная зона — опасный для двигателя режим.
7 – контрольная лампа включения левого указателя поворота (со светофильтром зеленого цвета в виде стрелки) загорается мигающим светом при включении левого указателя поворота синхронно с ним. Мигание контрольной лампы с удвоенной частотой сигнализирует о перегорании лампы в каком-либо указателе поворота.
8 – спидометр показывает, с какой скоростью в данный момент движется автомобиль. Спидометр имеет две шкалы измерения скорости автомобиля: в милях/ч и км/ч. Шкала измерения скорости автомобиля в километрах имеет деления от 0 до 220 км/ч и цену деления 20 км/ч, а шкала измерения скорости в милях имеет деления от 0 до 130 МРН с ценой деления 10 МРН.
10 – контрольная лампа включения правого указателя поворота.
11 – указатель температуры охлаждающей жидкости Киа Спектра в системе охлаждения двигателя. Переход стрелки прибора в положение «Н» предупреждает о перегреве двигателя. Если стрелка перешла в положение «Н», следует остановить автомобиль, дать двигателю остыть и устранить причину перегрева.
12 – сигнальная лампа неисправности дополнительной системы безопасности (SRS). При включении зажигания лампа загорается на 6 с и затем гаснет. Если в системе подушек безопасности и преднатяжителей ремней безопасности возникла неисправность, лампа после включения зажигания горит постоянно.
16 – сигнальная лампа состояния тормозной системы (со светофильтром красного цвета). Загорается при включенном зажигании в случае чрезмерного снижения уровня тормозной жидкости в бачке главного тормозного цилиндра или при поднятом рычаге стояночного тормоза.
17 – сигнальная лампа незакрытой двери горит, если какая-либо из дверей не закрыта или закрыта неплотно.
18 – сигнальная лампа неисправности антиблокировочной системы тормозов (только для автомобилей, оснащенных ABS). Загорается на 3 с при включенном зажигании, а потом гаснет. Если лампа продолжает гореть, загорается при движении или не загорается после включения зажигания, значит, в системе возникла неисправность.
Блок под капотом
Бензонасос Здесь устанавливаются предохранители вспомогательных систем машины, которые не имеют непосредственного отношения к работе двигателя.
Большая часть элементов и вовсе никак не влияют на поведение и ездовые характеристики транспортного средства.
Не работает спидометр Церато: причины, ремонт, описание
Идеальных автомобилей — нет. Любое транспортное средство имеет свои недоработки и изъяны. Согласно автомобильных форумов и мнения большинства владельцев автомобиля Киа Церато — это неисправность, связанная со спидометром. Итак, попробуем разобраться, какие причины возникновения проблем и, как их устранить.
материал расскажет о ремонте спидометра автомобиля, а также даст несколько практических советов
Причины возникновения неисправности
Начнём с простого — определения причин неисправности. На форумах Киа Церато можно достаточно часто встретить тему нерабочего спидометра. С чем же связан такой ажиотаж? Как показывает практика, эта неисправность довольно часто встречается на автомобиле.
Рассмотрим возможные варианты возникновения проблемы:
- Сдох датчик скорости.
- Имеется пробой в проводке.
- Ошибки электронного блока управления.
- Заводской дефект приборной панели.
Методы устранения и ремонт
Когда были определены возможные причины неисправности, можно перейти непосредственно к рассмотрению вопроса ремонта. Стоит понимать, что поиск и устранение проблемы может занять достаточно много времени, а поэтому стоит запастись терпением.
Проверяем датчик скорости
Самой очевидной причиной может стать датчик скорости. Стоит отметить, что на автомобилях оснащёнными АБС, этот измеритель располагается на колеса, а вот транспортные средства без функции АБС — в коробке передач.
Чтобы устранить неисправность стоит найти датчик. Далее, отсоединяем фишку проводов от датчика и при помощи мультиметра проводим замеры, которые точно покажут работоспособность. Стоит отметить, что колодка проводов сидит достаточно плотно и вынуть её с посадочного места может быть проблема. Поэтому, возможно, придётся приложить немалые усилия.
Если, все же, обнаружилось, что датчик неисправен, то стоит снять старый измеритель и установить новый. В случае, если не помогло, стоит проблему искать в другом месте.
Пробои проводки
Ещё одно злокачественное место — проводка. Здесь неисправность можно искать достаточно долго. Так, придётся прозвонить провода от датчика скорости к электронному блоку управления, а также провода, идущие к приборке.

Номер | Расшифровка |
50/51 | Правая и левая фары соответственно |
52 | Топливный насос |
53/54 | Система кондиционирования воздуха в салоне |
55 | Клаксон |
56 | Подача напряжения на предохранители 34 и 35 |
60 | Включение стеклоподъемников |
61 | Вентилятор печки |
62 | Стартер |
63 | Привод вентилятора радиатора |
64 | Вентилятор системы кондиционера |
65 | Подогрев заднего стекла |
Причины потухших фонарей заднего хода
Целостность цепи

Замена лампы Киа Спектра
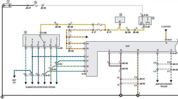
Соединения антиблокировочной системы тормозов (ABS) Панель приборов: концевик дверей (-) — жёлтый, левый разъём концевик багажника и заднего стекла (-) — зелёный/оранжевый, левый разъём тахометр — зелёный/чёрный, средний разъём
Проверка работоспособности
При обнаружении поломки требуется произвести проверку:
Датчик-лягушка
- Установить автомобиль на смотровую яму или эстакаду.
- Заглушить двигатель и зафиксировать машину стояночным тормозом или противооткатными упорами.
- Осмотреть картер коробки скоростей, датчик располагается на тыловой стенке. На части агрегатов рядом устанавливается сенсор определения скорости, который передает сигнал электронному спидометру.
- Снять штекер с разъема датчика и осмотреть контакты.
- При помощи отрезка провода или скрепки замкнуть металлические элементы внутри колодки.
- Включить цепь зажигания. Если проводка находится в исправном состоянии, то должны сработать сигнальные лампы.
Включение сигнализаторов указывает на неисправность датчика управления, который требуется выкрутить из картера и заменить. Если индикаторы не загорелись, то причиной дефекта может стать сенсор или электропроводка.
Для тестирования датчика используется лампа, рассчитанная на напряжение 12 В, установленная в патроне с коммутационными кабелями. Индикатор присоединяется к клеммам сенсора при включенной передаче заднего хода и активном зажигании. Если лампа не включилась, то датчик нуждается в замене или регулировке.

Целостность цепи
Регулировка выключателя на КПП
Если в конструкции датчика не предусмотрена контргайка, то корректировка положения производится шайбами. Толщина пакета прокладок подбирается опытным путем при включенной задней скорости. Следует помнить, что большое количество шайб сокращает длину резьбы, удерживающей корпус сенсора в картере.
На автоматических коробках встречается датчик заднего хода, совмещенный с индикатором нейтрального или стояночного положения. Дополнительная индикация необходима для разрешения запуска двигателя только при разомкнутой кинематической цепи. Подобная конструкция используется на части трансмиссий, также встречается переключатель в селекторе, который регулировке не поддается.
- Демонтировать штекер и определить назначение контактов по маркировке или электрической схеме автомобиля.
- Включить зажигание и перевести рычаг селектора в положение движения на задней передаче.
- Вращением датчика добиться момента выключения сигнальных огней и отметить положение корпуса сенсора относительно картера метками, нанесенными мелом. Для проверки используется контрольная лампа с внешним источником питания, которая подключается к контактам реверса.
- Подсоединить лампу к оставшимся контактам и медленно закрутить корпус до момента включения нити накала. Отметить положение мелом на кожухе сенсора и картере коробки.
- Установить переключатель в промежуточное положение между найденными позициями. При корректной регулировке при переводе рычага в позицию R (движение назад) будет включаться светотехника на корме машины, а при положениях P и N станет доступна возможность запуска мотора.
Ближний и дальний свет
Реле и предохранитель печки Также следует прояснить ситуацию с реле.