Горит Аварийка Без Прерываний Ваз 2107 – Поворотники не моргают
Причины неисправностей
Неисправности реле поворотов обычно связаны с нарушением электромагнитной проходимости в самом реле. Причиной могут скрываться в подгорании или замыкании контактов, вздувшихся конденсаторах, выходе из строя электронной схемы и т. д. Обычно причину выхода из строя реле можно опознать по характерным проявлениям неисправности.
- В том случае, если поворотники горят постоянно и не мигают, то, вероятнее всего, причиной неисправности является поломка электромагнитной части реле. Чаще всего в этом виновато замыкание контактов из-за их подгорания.
- Нехарактерное мигание указателей поворотов (слишком частое или слишком редкое) также может быть связано с реле поворотов. Однако в этом случае можно искать проблему и в других местах. Возможные причины такого поведения указателей могут крыться в окислении патрона или цоколя ламп либо обрыве провода, идущего к лампам. Также такое явление часто встречается после замены стандартных ламп накаливания в указателях поворотов на светодиоды. Если ни одна из этих возможных причин не подтвердится, то, вероятнее всего, поломка все же кроется в реле.
- Еще один вариант некорректной работы реле поворотов проявляется в том, что лампы указателей не горят вовсе. Такое явление встречается в случае сгорания контактов реле. Однако такое проявление неисправности характерно и для других поломок: перегоревшем предохранителе, обрыве цепи либо сломанном переключателе поворотов.

Пропали и не работают поворотники и аварийка: схема указателей поворотов и аварийной сигнализации
- поворотник не выключается автоматически при повороте руля – потребуется замена выключателя;
- сигнал поворота моргает очень быстро – скорей всего перегорела одна из ламп (нужно будет проверить и, при необходимости, заменить на новую), однако причиной может быть окисление дорожек внутри монтажного блока либо окисление фишки в задних фонарях;
- поворотники горят очень тускло – потребуется зачистка массы на поворотниках а также проверка установленных ламп на соответствие их мощности требуемым показателям;
- появление щелкающих звуков при включении сигнала поворота – причиной может быть бракованное реле или в контактах реле (они могут окислиться либо просто неплотно прилегать).
Не работает аварийка ваз 2107 — Автожурнал MyDucato — Не работают все указатели поворота
Не работают поворотники ваз 2107
Уважаемые, автомастера! Нужна ваша помощь. Не работают поворотники ВАЗ 2107. Также не работает аварийка. Машина стояла на аварийке около часа, после чего внезапно все потухло. Ничего не работает, даже лампочка не реагирует. На что грешить, в чем может быть проблема? Буду благодарен за любые ответы.
Изначально нужно проверить предохранитель и реле, не забываем про кнопку аварийки. Не будет лишней проверка работоспособности подрулевых переключателей. В целом говоря, ищите поломку в этих местах
Проверил, всё в порядке. Насколько я знаю, предохранитель у аварийки и поворотных сигналов разный. Если бы один из них перегорел, то я это сразу заметил бы. Потому что с перегоранием предохранителя поворотников приборная панель вероятней всего также потухла бы!!
Тогда смотрите саму кнопку, часто, когда не работает одновременно аварийка и поворотник, виновата именно кнопка
Всем спасибо! Заменил реле — теперь все работает.
Без поворотников ездить неудобно, а главное — опасно. Ведь можно легко спровоцировать дорожно-транспортное происшествие. Поэтому подобную проблему необходимо решать в кратчайшие сроки. Итак, что могло спровоцировать поломку в вашем автомобиле? Сразу по нескольким причинам могут перестать работать поворотники в ВАЗ-2107 и аварийный сигнал:
- Наиболее распространенная и банальная причина — перегорание предохранителя или попросту потеря контактов.
- Контактные колодки могли повредиться, если произошло именно это, то не будет работать одна из поворотных сторон. Вытащите и после вновь вставьте все колодки, часто такие манипуляции дают положительный эффект
- Поворотники могут не работать по причине выхода из строя подрулевого переключателя. Проверьте его целостность и работоспособность
- Еще одна частая причина — поломка реле
В вашей ситуации, судя по описанной проблеме, проблем с предохранителем нет, да и подрулевой переключатель в порядке (но не факт). Нужно обязательно проверить реле, и, если есть надобность, заменить его новым экземпляром.

Не работают поворотники автомобиля ВАЗ 2107, 2105, 2104
- Поворотные сигналы горят, но не мерцают, как это положено
- Происходит слишком медленное или быстрое мерцание
- Поворотники и аварийный сигнал вообще не работаю (ваш случай)
Замена реле поворотов автомобиля ВАЗ 2107 самостоятельно В зависимости от типа питания двигателя (карбюратор или инжектор), реле может располагаться за приборной панелью или в монтажном блоке, находящемся под капотом. Конструкция реле одинакова на всех модификациях ВАЗ 2107, но порядок процедура замены отличается в зависимости от места установки.
Самостоятельная диагностика световых приборов автомобиля
Есть несколько ситуаций, при которых можно определить, что оптика нуждается в диагностике:
- Повороты не мигают, но горят. Такая неисправность свидетельствует о выходе из строя именно реле, в частности, речь идет о его электромагнитной составляющей. Сам электромагнит мог замкнуться в одном из положений, в результате чего он не может вернуться в начальное состояние.
- Поворотные огни мигают очень быстро либо очень медленно. В таком случае проблема может крыться не только в реле. В некоторых случаях неисправность такого рода проявляется тогда, когда водитель использует не соответствующие источники освещения. Так что при покупке новых лампочек нужно удостовериться в том, что они соответствуют номиналу, установленному заводом-производителем авто.
- Оптика не работает вовсе. То есть лампочки поворотных огней не мерцают, на приборке соответствующие индикаторы также не горят. Помимо этого, нет характерных щелчков, которые появляются при включении поворотных огней. При таких симптомах причин проблемы может быть множество, подробнее об их диагностике мы расскажем ниже (автор видео — канал Steel Horse).
Что касается диагностики, то она выполняется в несколько этапов:
Фотогалерея «Схемы авариек и поворотников для ВАЗ 2110 и 2109»

Не работает кнопка аварийной сигнализации или аварийка сама по себе: схема устранения поломки
- Выход из строя предохранителя — одна из самых распространенных проблем. Если автомобиль дополнительно оснащен реле, отвечающим за работоспособность этих оптических элементов, то проблема может заключаться и в нем. В зависимости от модели авто, реле может находиться отдельно от основного блока предохранителей, для поиска вышедшей из строя детали воспользуйтесь схемой.
- Замыкание в системе. Из-за этого при включении поворотных огней включается аварийка либо оптика вовсе не реагирует на команды водителя. Для диагностики неисправности вам потребуется тестер, а также навыки электрика.
- Выход из строя источника освещения. Иными словами — перегорела лампочка.
- Обрыв электроцепи. Такая проблема актуальна для многих автовладельцев более старых машин. Если провода уложена в месте, где присутствуют движущиеся элементы, то со временем она перетрется и потеряет изоляцию, что в целом приведет к повреждению электроцепи.
- Выход из строя кнопки либо подрулевого переключателя. В данном случае нужно проводить более тщательную диагностику переключателя, а также кнопки подключения.
Реле поворотников и аварийной сигнализации ВАЗ 2107 — диагностика неисправностей и замена Неисправна электропроводка (плюсовой провод)
Распространенные неисправности аварийки
По каким причинам не работает аварийка и как решить проблему неисправности:
- Вышел из строя предохранитель или реле. Такая проблема является одной из наиболее распространенных, ее без проблем можно решить путем замены вышедших из строя компонентов.
- Проблемы в самой электроцепи. Здесь может быть все, что угодно — и короткое замыкание, и обрыв проводки, и плохой контакт, вызванный окислением. В любом случае, такая неисправность диагностируется при помощи мультиметра либо руками опытного электрика.
- Перестали работать лампочки поворотников. Такой вариант развития событий менее вероятен, тем не менее, исключать его нельзя.
- Выход из строя самой кнопки, в частности, ее механическое повреждение. Возможно, что кнопка перестала работать в результате износа пластиковых фиксаторов, установленных внутри. При неработоспособной кнопке АСС, вероятнее всего, можно будет включить, только сама клавиша будет работать некорректно. В этом случае ее надо будет снимать и менять.

Не работают поворотники и аварийка: причины, диагностика и ремонт
- От АКБ на блок всегда поступает напряжение.
- Затем, через специально отведенный предохранительный элемент ток передается на выключатель.
- Когда нажимается кнопка аварийки, сам выключатель соединяется с блоком. Соответственно, это приводит к тому, что ток обратно поступает на блок с предохранителями, откуда поступает на реле поворотников, в результате чего последние моргают.
Если не работают повторители поворотников … Рекомендуем также прочитать статью о том, что такое иммобилайзер. Из этой статьи вы узнаете, какие функции выполняет иммо на машине, какие преимущества имеет данное решение, а также какой тип иммобилайзера лучше выбрать.
Причины неисправности: не работает указатель поворота ВАЗ 2107, 2105, 2104
— Не работает один указатель поворота, причины
Перегорела лампочка указателя
У перегоревшей лампочки визуально виден обрыв нити накаливания. В ряде случаев лампочка на внешний вид может быть нормальной, но работать не будет. Поэтому заменяем лампочку новой или заведомо исправной.
Окислились контакты в патроне лампочки
Поворачиваем лампочку несколько раз в патроне, либо извлекаем и зачищаем контакты.
Осыпалась дорожка платы (для задних фонарей)
Визуально осматриваем дорожку платы на предмет осыпания. Прозваниваем ее на наличие обрыва.
Проверяем состояние черного провода, идущего от колодки поворотника до места крепления к кузову автомобиля. Проверяем надежность контакта с кузовом. В случае необходимости зачищаем.
Неисправна электропроводка (плюсовой провод)
По схеме проверяем плюсовой провод указателя поворота на наличие обрыва.
При выходе из строя хотя бы одного поворотника, оставшиеся исправные указатели поворота начинают мигать с удвоенной частотой.
— Не работают два указателя поворота: спереди — в передних блок-фарах и на крыльях, или сзади – в задних фонарях
Перегорели лампочки
У перегоревшей лампочки визуально виден обрыв нити накаливания. В ряде случаев лампочка на внешний вид может быть нормальной, но работать не будет. Поэтому заменяем лампочку новой или заведомо исправной.
Окислились контакты в патронах лампочек
Поворачиваем лампочку несколько раз в патроне, либо извлекаем и зачищаем контакты.
Осыпалась дорожки платы (для задних фонарей)
Визуально осматриваем дорожку платы на предмет осыпания. Прозваниваем ее на наличие обрыва.
Проверяем состояние черного провода, идущего от колодки поворотника до места крепления к кузову автомобиля. Проверяем надежность контакта с кузовом. В случае необходимости зачищаем.
Неисправна электропроводка (плюсовой провод)
По схеме проверяем плюсовой провод указателя поворота на наличие обрыва.
— Не работают указатели поворота по одному борту автомобиля (по правому или левому)
Не исправно реле-прерыватель указателей поворота
Не исправен подрулевой переключатель
Не замыкаются контакты при перемещении рычага переключателя, либо не плотно посажена колодка проводов.
Перегорели лампочки поворотников
Окислились контакты в патронах лампочек
Неисправна электропроводка (плюсовой провод)
— Не работают все указатели поворота
Вышло из строя реле указателей поворота
Вышел из строя подрулевой переключатель поворотников
Не замыкаются контакты при перемещении рычага переключателя, либо не плотно посажена колодка проводов.

Вариантов отказа поворотников несколько:
Другие неисправности поворотников Еще можно выделить перегорание предохранителей системы поворотников и аварийной сигнализации. В этом случае может показаться, что достаточно заменить предохранитель. На самом деле, предохранители редко перегорают без причины, то есть все равно необходима углубленная диагностика. В противном случае поворотники могут снова отказать в самый неподходящий момент.
Диагностика неисправностей поворотников
Если однажды поворотники перестают функционировать, то это говорит о том, что пришло время провести диагностику автомобиля. Для этого нет необходимости ехать на СТО, а можно выполнить все в домашних условиях. О том, что механизм перестал функционировать, говорят следующие признаки:
- При включении поворотники горят, но при этом не происходит их мерцание. Такой вид поломки связан непосредственно с выходом из строя реле. Для исправления неисправности требуется заменить прерыватель.
- Ускоренное или замедленное мерцание поворотников. Ускоренное мерцание говорит о том, что перегорела спираль одной из ламп. Медленное мерцание свидетельствует о том, что в схеме подключена минимум одна лампа большей мощности, чем рекомендуется. Многие автомобилисты с появлением современных светодиодных ламп стремятся установить их на авто. При установке светодиодных ламп в поворотники наблюдается слишком быстрое их мерцание, это связано с их низкой потребляемой мощностью.
- Устройства вовсе не функционируют. Причина может заключаться в неисправности реле, предохранителя, подрулевого переключателя или кнопки включения аварийки. Схема подключения выполнена так, что питание поворотников проходит через кнопку включения аварийки. Если кнопка неисправна, то и повороты не будут функционировать.

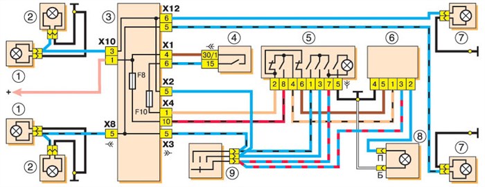
Для наглядности представим схему указателей поворотов и аварийки для семерки. В нее входят:
- указатели поворота расположенные на передних крыльях авто(боковые);
- монтажный блок;
- замок зажигания;
- кнопка аварийки;
- рассматриваемое реле;
- лампочки поворотников расположенные в задних фонарях;
- лампочка на панели приборов, сигнализирующая о включении поворотов;
с лампочками указателей поворота;
Самостоятельный ремонт
- Нужно снять приборную панель, поддев ее при помощи отвертки.
- После этого пробуем вытянуть ее на незначительное расстояние, если имеется такая возможность. Если длина проводов не позволяет вывести панель на некоторое расстояние, то соединения следует разъединить.
- Отвинтить трос привода спидометра.
- Найти визуально реле, и отсоединить от него контактные провода.
- Также от него отсоединяем «массу» после чего устройство демонтируем.
- Вместо старого прерывателя поворотов следует установить новое реле.
- В завершении собрать и подключить все демонтированные детали в порядке обратном снятию.
Второй способ включения реле Уважаемые, автомастера! Нужна ваша помощь. Не работают поворотники ВАЗ 2107. Также не работает аварийка. Машина стояла на аварийке около часа, после чего внезапно все потухло. Ничего не работает, даже лампочка не реагирует. На что грешить, в чем может быть проблема? Буду благодарен за любые ответы.
