Поворотники Горят Как Габариты Ваз 2107 Указатель поворота
Не горят передние габариты ваз 2107
Габаритные огни являются одними из важнейших световых приборов автомобиля. Нерабочие в темное время суток габаритные огни – почти неизбежное ДТП. В этой статье мы выясним, почему могут не гореть задние габариты в ВАЗ 2107, а также попробуем устранить неисправность самостоятельно.
Основные причины неисправности и методы устранения
Причин, вызывающих эту неисправность, в принципе, немного, и практически любую из них можно устранить самостоятельно, имея начальные знания электрики. Итак, основные причины отказа задних габаритов следующие:
- Сгорел предохранитель, отвечающий за габаритный свет.
- Пропал контакт в соединительных колодках питания ламп габаритов.
- Оборвался питающий провод.
- Питающий провод замкнул на кузов.
- Сгорела лампа габаритного фонаря.
А теперь поговорим о методах устранения этих неисправностей, но прежде взглянем на схему наружного освещения ВАЗ 2107:

Как сделать габариты поворотниках ваз. Как просто сделать «американские поворотники» своими руками
- Лампы передних габаритов.
- Освещение подкапотного пространства.
- Монтажный блок.
- Выключатель (замок) зажигания.
- Выключатель-регулятор яркости освещения приборной панели.
- Выключатель наружного света.
- Контрольный индикатор работы наружного освещения.
- Подсветка приборов.
- Лампы задних габаритов.
- Подсветка номерного знака.
Не работают поворотники автомобиля ВАЗ 2107, 2105, 2104 Переключатель направления расположен на рулевой колонке автомобиля и служит блоком управления для водителя. Вы можете использовать переключатель, чтобы установить направление вращения указателей поворота.
Для чего нужен прерыватель указателей поворота?

Сигнал об изменении движения
Вы можете изменить сигналы поворота на автомобиле следующими способами:
- Дополнить горящие поворотники размерами, сдвинув их от фар;
- Вставить дополнительные габаритные огни на переднюю оптику;
- Изменить цвет боковых фонарей на желтый или белый;
- Использовать гибкий ДХО с функцией поворота.
Если размеры желтые, свет от указателей поворота будет сливаться с ним, если цвет белый, то сигналы поворота будут выделяться на фоне основных размеров
Не работают поворотники ваз 2107
- Если провода оборваны, то ищите по торчащим контактам.
- Если же провода все еще на датчике, то отсоедините их.
- Далее пригодится ключ на 22. Им необходимо открутить датчик. Для удобства лучше взять вороток подлиннее, так как со временем датчик прикипает к картеру.
- Если не удается открутить датчик заднего хода при помощи ключа (головки), то необходимо это делать при помощи молотка и зубила.
- После чего зачистите посадочное место от грязи при помощи ножа.
- Вместе с грязью удалите металлическую шайбу и замените ее на новую.
- Вставьте датчик и закрутите его при помощи того же ключа до упора.
- Далее необходимо надеть обратно провода. При необходимости обожмите контакты пассатижами.
- И вот, на ВАЗ 2107 замена датчика заднего хода завершена!
Не горит задний левый габарит ваз 2107 В начале все признаки указывали на поломку подрулевых переключателей, купил новые, не помогло.
Как сделать американки на ваз 2114

Лампа в поворотник с двумя нитями.
Двухнитевая лампа относительно хороший способ. Она достаточно проста в установке и понятна в использовании. В лампе находится две нити, одна тусклая на 5 Ват, друга более яркая на 25 Ват. Нить с слабой яркостью используется в качестве габаритных огней, а с сильной на поворотники. В итоге сигнал поворота достаточно отчётливо заметно, на фоне габаритных огней.
Для установки потребуется цоколь на два +, либо припаять провод напрямую к лампе, но нужно быть осторожным, при этом она может перегореть.
Принцип инверсии сигнала. При этом лампа поворотника при движении постоянно горит, а при включении сигнала поворота, начинает моргать. По яркости, как в предыдущем случае огни не различаются, но выделяется сигнал за счет того, что лампа в момент работы полностью гаснет.
С установкой все просто, потребуется лишь немного порезать провода и два пятиконтактных реле, по одному на каждую фару.
Реле с конденсатором и диодом
Data-lazy-type=»image» data-src=»https://vazremont.com/wp-content/uploads/2017/10/foto-3-2.jpg» alt=»Габариты в поворотниках» width=»700″ height=»525″ srcset=»» data-srcset=»https://vazremont.com/wp-content/uploads/2017/10/foto-3-2..jpg 300w, https://vazremont.com/wp-content/uploads/2017/10/foto-3-2-660×495.jpg 660w» sizes=»(max-width: 700px) 100vw, 700px»>
Этот способ, по сути, более правильный предыдущий. К пятиконтактому реле добавляются диод IN5819 и конденсатор на 25 вольт 4700 мф. Принцип работы тот же, но есть гарантия, что ничего, нигде не замкнет и прослужит долго без проблем.
Замыкание габаритов на лампу поворотника
Нет ничего проще, как замкнуть поворотники на ваз 2114. Но данный способ в корне не верен, и использовать его категорически не рекомендуется. Лампа повортника напрямую подключается к габаритам, а сигнал поворота по сути отсутствует совсем.
Дополнительный патрон в поворотную фару
Data-lazy-type=»image» data-src=»https://vazremont.com/wp-content/uploads/2017/10/foto-4-2.jpg» alt=»Дополнительный патрон для поворотника» width=»420″ height=»700″ srcset=»» data-srcset=»https://vazremont.com/wp-content/uploads/2017/10/foto-4-2..jpg 180w» sizes=»(max-width: 420px) 100vw, 420px»>
Самый правильный по мнению большинства, но при этом самый трудозатратный способ – это внедрение дополнительно патрона в фару. Патроны берутся из ненужных повторителей, отрезаются и впаиваются в фару. При аккуратном исполнении все выглядит незаметно, не каждый догадается о внесенных изменениях.
ВАЗ 2107 Как Сделать Горящие Поворотники ~
- дополнить горящие поворотники габаритами, переместив их с передних фар;
- вставить дополнительные габаритные лампы на переднюю оптику;
- изменить цвет габаритных ламп на желтый или белый;
- использовать .
Ваз 2107 габариты не горят – 5 причин почему не работают габариты на ВАЗ-2107 У кого-то не подходит патрон и нужно подспилить ушки, у меня все встало хорошо.
Указатель поворота
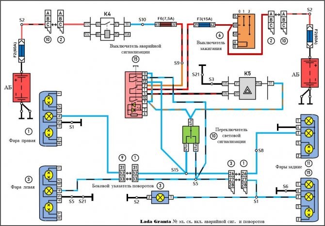
Прежде чем говорить о неисправностях поворотников, нужно знать, что такое схема указателя поворота. Он состоит из лампочек, реле указателя поворота, переключателя, предохранителя и кнопки аварийной сигнализации.
Реле. Это элемент коммутации электрической цепи. Это обеспечивает кратковременное включение и выключение ламп во время поворотов. Реле получает информацию о замыкании цепи той или иной стороны индикаторов от углового переключателя и аварийной кнопки.
Лампы являются основным элементом и играют роль самого указателя. Лампы включаются в направлении сигналов, поступающих от реле. Схема подключения лампы выполнена таким образом, что даже если один из них перегорит, это не повлияет на работу других.
Переключатель направления расположен на рулевой колонке автомобиля и служит блоком управления для водителя. Вы можете использовать переключатель, чтобы установить направление вращения указателей поворота.
Кнопка тревоги. Обеспечивает включение всех лампочек, входящих в состав поворотников. Все провода, включая провода выключателя зажигания, подключены к кнопочной контактной группе.
Все элементы схемы соединены электропроводкой и кузовом автомобиля (или на общепринятом языке. «земля»).
Предохранитель предназначен для защиты цепи от коротких замыканий. Это может произойти, если вы случайно укоротите провода в цепи или их изоляция недостаточна. Предохранитель имеет предохранитель, который при увеличении тока в цепи (сопровождается повышением температуры проводников) разрывает электрическую цепь и защищает цепь от возгорания.

Как сделать чтобы поворотники горели постоянно — /
- Во вращающейся оптике на ВАЗе вырежьте отверстие, куда будет вставлен картридж. Допустимо использовать картридж типа w5w. Он будет вставлен в стандартную лампу накаливания мощностью 5 Вт или светодиодную ленту;
- Зафиксируйте картридж в оптике для вращения, чтобы предотвратить попадание влаги, грязи и продолжительного крепления;
- Чтобы перенести освещение от фар на ВАЗ 2107 или 2109, переключите провода на недавно установленный картридж. При подключении дополнительных светильников без трансмиссии необходимо замыкать контакт в блоке, ведущем к фаре параллельно.
Реле поворотов Ваз 2107 Одной из причин того, что не работает задний фонарь, может быть отсутствие массы на нём. Проверить целостность провода массы можно визуально или прозвонив его тестером. Провод массы в штатной комплектации ВАЗ-2107, как правило, чёрного цвета, и на колодке разъёма он занимает крайнее положение. За ним следуют провода:
Диагностика неисправности реле указателей поворотов ВАЗ 2107
Если в один прекрасный день поворотники прекратили свою работу. Настало время проверить, что же случилось и по возможности заменить неисправную часть схемы. О неисправностях реле поворотников можно узнать по некоторым признакам:
- Поворотники горят, но не мерцают. Это прямо указывает на поломку реле, а точнее, его электромагнитной части. В этом случае, электромагнит замкнулся в одном из положениях и не может вернуться в исходное состояние.
- Поворотники моргают слишком быстро или слишком медленно. Такое может случиться, но не только по вине реле указателей поворота. Иногда скорость мерцания ламп может меняться, если в поворотниках применяются лампы не той мощности, что положена заводом-изготовителем. Тем не менее, установка нового реле в качестве проверки не помешает.
- Поворотники не работают совсем. Это означает, что не моргают лампы указателей поворота, лампа на приборной панели и отсутствуют соответствующие щелчки реле. Однако, как и во втором случае, неисправность не всегда касается реле указателей поворота. Порой, причина заключается в неисправности кнопки аварийной сигнализации.

Типы работ
Для чего нужен прерыватель указателей поворота?

Зачем нужны указатели поворота
- Лампы поворотов постоянно горят, не мигают. Это говорит о неисправности электромагнитно части реле поворотников ВАЗ 2107 — контакты застряли в замкнутом положении и не размыкаются. Это может быть как пригорание контактов электромагнитного реле, так и выход из строя электронной схемы реле поворотов. Независимо от конкретной причины, выход один — замена реле поворотов ВАЗ 2107.
- Лампы мигают слишком медленно или быстро. Причина может быть как в электронной части реле поворотов, так и несоответствии тока потребления ламп номинальному. Если одна из ламп перегорела или установлены лампы, потребляющие меньший ток, то повороты станут мигать чаще, чем необходимо. Такое же явление происходит, если оборван провод, идущий к одной из ламп, или окислен патрон или цоколь лампы. Аналогичное явление происходит при установке светодиодных ламп вместо ламп накаливания. При установки более мощных ламп частота мигания уменьшается. Если все лампы исправны и неисправность проявилась не после замены ламп, причина кроется именно в реле поворотов или плохих контактах в цепи питания ламп.
- Лампы указателей поворотов не горят. Причина неисправности может быть в поломанном переключателе поворотов, сгоревшем (неисправном) реле поворотов, в обрыве цепи или в перегоревшем предохранителе. Проверку лучше начинать с последнего
Характер неисправностей ВАЗ поворотников
Нажми для просмотра
Не горят габариты ВАЗ 2104, 2105, 2107

На автомобилях ВАЗ 2104, 2105, 2107 установлено 4 габаритных огня (габаритов): по одному в передних блок-фарах и по одному в задних фонарях.
Отказ какого-либо из них работать — довольно распространенное явление. Разберем причины этой неисправности — «почему не горят габариты на автомобилях ВАЗ 2104, 2105, 2107».
Признаки неисправности «не горят габариты ВАЗ 2104, 2105, 2107»
Не работать может один габарит, два габарита (спереди или сзади, с правого либо левого борта, крест-накрест) или вообще все.
Причины неисправности «не горят габариты автомобилей ВАЗ 2104, 2105, 2107»
Перегорела лампочка габаритного огня
Самая распространенная причина. Внезапно перегореть может как одна лампочка, так и сразу несколько. В ряде случаев внешне вычислить перегоревшую лампочку бывает невозможно. Поэтому заменяем перегоревшую заведомо исправной. Можно использовать аналогичную из соседней фары.
Окислились контакты лампочки в патроне
Несколько раз проворачиваем лампочку в патроне для удаления окислившегося слоя и восстановления контакта. В дальнейшем можно зачистить все наждачной бумагой.
Пропала «масса» к фарам или задним фонарям
Нарушение контакта с «массой» приводит к отказу работать не только одного габарита, но и целой блок-фары или заднего фонаря.
«Минусовые» провода, передних блок-фар и задних фонарей имеющих габаритные огни, на автомобилях ВАЗ 2104, 2105, 2107 крепятся к кузову автомобиля. Необходимо зачистить место крепления, чтобы обеспечить хороший контакт с «массой». Обычно минусовой это черный провод от соединительной колодки фар, крепящийся к кузову рядом с блок-фарой или задним фонарем.
Габариты в поворотниках и ПДД
- снизить энергопотребление;
- увеличить быстродействие;
- усилить информативность;
- повысить яркость задних фонарей по сравнению со штатным световым оборудованием.
Самостоятельная диагностика световых приборов автомобиля Штрафные санкции регулируются положением по допуску автомобилей к эксплуатации.
