Ауди 80 1990 в3 Горит Флажок Уровня Красным… Особенности комплектации
Азарт и потеря рассудка. Почему владеть Audi 80 в наше время очень дорого?
Есть в Беларуси неописуемая любовь к старым машинам, а Audi 80 — на ее вершине. Антон Чаевский, более известный по YouTube-каналу Kotowski, клюнул на эту удочку и купил Audi 80 на повседнев. На «помидорке», как он окрестил машину, парень проездил 2 года. Как это было и насколько большими получились вложения в немолодой автомобиль? Об этом расскажет бывший хозяин машины:
— Хорошо известно, что самые крепкие и душевные автомобили производились в 1990-х годах именно большой немецкой тройкой. О плавности хода Audi 100 или Mercedes W124, «драйверских» качествах BMW E36 или E34 до сих пор слагают легенды.
Однако большинство людей думает, что если купить себе в качестве автомобиля на каждый день какого-то из старых «немцев», то можно забыть про ремонты и использовать автомобиль по максимуму. Мало кто реально понимает, сколько денег можно вложить в старый автомобиль, если по-настоящему в него влюбиться и делать исключительно «под себя».

Сложно объяснить мою любовь к старым Audi. Это удобные, приятные и одновременно очень простые в техническом плане автомобили. Поэтому, как только появилась возможность приобрести себе что-то из автомобилей с кольцами на решетке, я немедленно начал поиски. Стоит отметить, что автомобилей было осмотрено не меньше десятка, а «живых» из них не оказалось ни одного.
Спустя месяц на автостанции в Логойске был оставлен задаток за красную Audi 80 B3 1989 года выпуска, которая, как мне показалось, была вполне неплохим вариантом: ее можно было как котенка отмыть и высушить, попутно вытравить паразитов. Билет в прошлое был куплен за 1350 долларов.
Комплектация оказалась более чем странной: полный электропакет, но без гидроусилителя руля и люка, а вместо моновпрыска или электронно-механического впрыска стоял карбюратор. Зато был тахометр на «приборке» вместо часов — можно было оценить плавность работы двигателя и степень исправности карбюратора.
Автомобильчик заводится, едет, тормозит и даже пытается входить в повороты — уже слава Богу. Крашен полностью, есть следы пинка в филейную часть — что поделать, там лонжеронов у B3 нет, поэтому любой «паровоз» ведет к полному фиаско в плане нормальных зазоров у крышки багажника.
Ауди 80 Б3
Предохранители и реле Audi 80 90 B3, схема и описание Автомобиль переднеприводный, хотя и имеет продольно расположенный двигатель. Конструкция подвески простая. Спереди – стойки Макферсон, сзади – торсионная балка. Настройки обеспечивают высокий уровень комфорта и управляемости. Ходовые качества впечатляют.
Предохранители и реле под капотом Ауди 80 90 Б3

Схема блока предохранителей и реле под капотом Ауди 80 90 Б3
Описание для моделей Audi 80, 90 до 1989 г.
| Номер | Название |
| I | Реле противотуманного света фар |
| II | Реле вентилятора охлаждения двигателя |
| (высокая частота вращения) | |
| III | Реле включения вентилятора охлаждения |
| двигателя при неработающем двигателе | |
| IV | — |
| V | Разгрузочное реле |
| VI | Реле кондиционера |
| VII | Реле звукового сигнала |
| VIII | Реле автоматической коробки передач |
| IX | Реле прерывистого режима работы очистителя и омывателя ветрового стекла |
Описание для моделей Audi 80, 90 с 1989 г.
Электрические свеклоподъемники, электрический люк и электрическая регулировка сиденья снабжены автоматическими предохранителями, которые после устранения неисправности автоматически включаются снова.
- Свободен —
24. Свободен —
25. Отопление лямбда-зонда 5
26. Розетка прицепа 30
27. Система зажигания/впрыска 10
28. Система зажигания/впрыска 10
29. Стоп-сигнал 10
30. 31. Система регулирования скорости движения в сочетании с автоматической коробкой передач, АБС, блокировкой дифференциала 5 15
32. Система зажигания/впрыска 10
- Реле противотуманного света фар;
- Запасной;
- Реле включения вентилятора охлаждения;
- Реле омывателя фар головного освещения;
- Разгрузочное реле;
- Реле вентилятора охлаждения двигателя;
- Реле звукового сигнала;
- Реле автоматической коробки передач;
- Реле прерывистого режима работы очистителя и омывателя ветрового стекла;
- Реле топливного насоса;
- Реле вентилятора охлаждения двигателя.
| Номер | Название |
| I | Реле противотуманного света фар |
| II | Реле вентилятора охлаждения двигателя |
| (высокая частота вращения) | |
| III | Реле включения вентилятора охлаждения |
| двигателя при неработающем двигателе | |
| IV | — |
| V | Разгрузочное реле |
| VI | Реле кондиционера |
| VII | Реле звукового сигнала |
| VIII | Реле автоматической коробки передач |
| IX | Реле прерывистого режима работы очистителя и омывателя ветрового стекла |
Ауди 80 — проблемы и неисправности
- Бортовой компьютер/ блок автоматической диагностики систем автомобиля;
- Электронный блок управления впрыском топлива или Электронный блок управления системы Motronic;
- Электронный блок управления кондиционером;
- Датчик положения (высоты) автомобиля над уровнем моря;
- Электронный блок управления зажиганием;
- Зуммер выключения автоматического режима работы коробки передач;
- Панель управления кондиционером;
- Реле питания электропривода сидений.
- Электронный блок управления электроприводом сидений;
- Дополнительный монтажный блок;
- Блок активации подушки безопасности;
- Подушка безопасности;
- Электронный блок управления автоматической коробки передач;
- Прерыватель аварийной световой сигнализации (указателей поворота);
- Контактные разъемы системы диагностики;
- Контактный разъем противотуманных фар.
Цветная схема электрооборудования Audi (80 B4 и B3, 100 C3, A6 C4 и C5) с описанием проводки Несмотря на возраст, Audi 80 стоит внимания. Восьмидесятка – один из вечных автомобилей «старой школы», который всегда будет в цене, и переживет не одно поколение Ауди А4.
Проблемы при оплате банковскими картами
Иногда при оплате банковскими картами Visa / MasterCard могут возникать трудности. Самые распространенные из них:
- На карте стоит ограничение на оплату покупок в интернет
- Пластиковая карта не предназначена для совершения платежей в интернет.
- Пластиковая карта не активирована для совершения платежей в интернет.
- Недостаточно средств на пластиковой карте.
Для того что бы решить эти проблемы необходимо позвонить или написать в техническую поддержку банка в котором Вы обслуживаетесь. Специалисты банка помогут их решить и совершить оплату.
Вот, в принципе, и все. Весь процесс оплаты книги в формате PDF по ремонту автомобиля на нашем сайте занимает 1-2 минуты.
Если у Вас остались какие-либо вопросы, вы можете их задать, воспользовавшись формой обратной связи, или написать нам письмо на [email protected].

Audi 80 | 90 с 1986 по 1994 год, щиток приборов инструкция онлайн
- Подсветка щитка приборов
- Индикатор указателя поворота, правого
- Лампа сигнализатора низкого уровня тормозной жидкости в расширительном бачке главного тормозного цилиндра
- Лампа сигнализатора перегрева двигателя
- Индикатор указателя поворота, левого
- Подсветка щитка приборов
- Подсветка часов
- Подсвета щитка приборов
- Лампа предупредительного индикатора генератора
- Лампа индикатора низкого давления моторного масла
- Лампа сигнализатора низкого уровня тормозной жидкости
- Лампа индикатора переключения передач
- Лампа индикатора активации стояночного тормоза
- Лампа предупредительного индикатора системы ABS
- Лампа предупредительного индикатора непристегнутых ремней безопасности
- Лампа контроля работы двигателя
- Индикатор включения дальнего света фар
- Подсветка щитка приборов
Почему владеть Audi 80 в наше время очень дорого? Превышение номинальной нагрузки на предохранители, некачественная изоляция — все это легко может стать причиной их перегорания. Не рекомендуется заменять сгоревшие элементы проволочками, монетками или устанавливать преды большего номинала — это может привести к возгоранию электропроводки.
Характеристики и модификации Ауди 80 Б3
В таблице ниже сведены основные характеристики автомобиля Ауди 80 Б3.
| Годы производства | 1986-1991 |
| Категория | D |
| Кузов | седан |
| Платформа | B3 |
| Длина, мм | 4390 |
| Ширина, мм | 1700 |
| Высота, мм | 1400 |
| Колесная база, мм | 2550 |
| Клиренс, мм | 130 |
| Задняя колея, мм | 1430 |
| Передняя колея, мм | 1410 |
| Вес, кг | 1030 |
| Рестайлинг | 1989 год |
| Объём бака, л | 68 |
| Объём багажника, л | 453 |
| Количество мест | 5 |
| Количество дверей | 4 |

| Годы производства | 1986-1991 |
| Категория | D |
| Кузов | седан |
| Платформа | B3 |
| Длина, мм | 4390 |
| Ширина, мм | 1700 |
| Высота, мм | 1400 |
| Колесная база, мм | 2550 |
| Клиренс, мм | 130 |
| Задняя колея, мм | 1430 |
| Передняя колея, мм | 1410 |
| Вес, кг | 1030 |
| Рестайлинг | 1989 год |
| Объём бака, л | 68 |
| Объём багажника, л | 453 |
| Количество мест | 5 |
| Количество дверей | 4 |
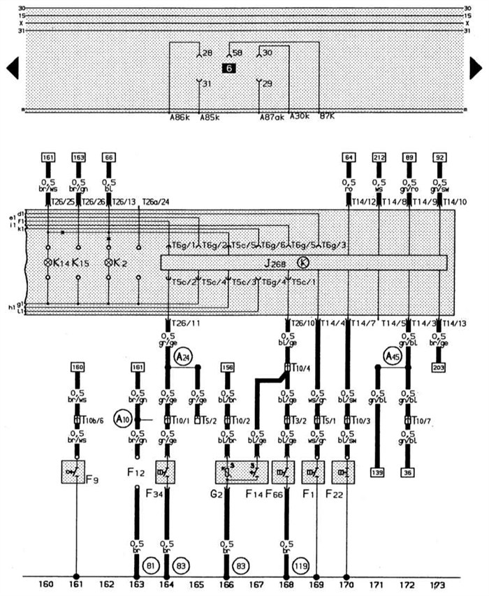
Предохранители Ауди 80 Б3 и реле: схема блоков, где находятся и их обозначения
Предохранители и реле в салоне Ауди 80 90 Б3

Схема предохранителей
- Электропакет;
- Звуковая система Blaupunkt или Панасоник. Кроме того, предлагались головные устройства производства Pioneer и Grundig (4 динамика и более). В наличии был пульт дистанционного управления, CD-чейнджер, а также наушники для пассажиров на задних сидениях;
- Сотовый телефон от фирмы Панасоник;
- Кожаный салон;
- Четыре вида детских кресел для детей от новорождённых и до 11 лет;
- Сигнализация с брелоком и центральным замком;
- Люк (стандартный или с электроприводом);
- Кондиционер;
- Багажник на крышу.
Двигатели Установка производится в последовательности обратной снятию.
Подключение
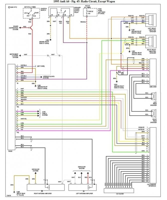
Типичная схема подключения головного устройства в автомобиле Ауди выглядит вот так:

Автомагнитола для Ауди А6 и других моделей и схема подключения
Распиновка
Что касается распиновки, то она выглядит следующим образом:
- На разъем 4 идет питание, если поворачивается ключ в ЗЗ в положение ACC;
- На 5 идет провод усилителя;
- Антенна или подсветка на 6;
- На 7 постоянное питание;
- На 8 – минусовой провод.
Примечание. Осуществив подключение магнитолы в Ауди по этой схеме, получим следующую картину: устройство будет включаться не только кнопкой, но и при повороте ключа в положение 1.
Что касается динамиков, то проводку надо соединять с ними так:
| Номер | Название |
| I | Реле противотуманного света фар |
| II | Реле вентилятора охлаждения двигателя |
| (высокая частота вращения) | |
| III | Реле включения вентилятора охлаждения |
| двигателя при неработающем двигателе | |
| IV | — |
| V | Разгрузочное реле |
| VI | Реле кондиционера |
| VII | Реле звукового сигнала |
| VIII | Реле автоматической коробки передач |
| IX | Реле прерывистого режима работы очистителя и омывателя ветрового стекла |
Закономерный итог
Расположение электронных блоков в салоне Ауди 80 90 Б3

Центральный замок
- Он может оснащаться различными силовыми агрегатами;
- Иметь различную комплектацию, включающую в себя гидроусилитель руля и автоматическую коробку передач;
- Иметь многочисленные функции комфорта.
Интерьер В результате вышло вполне себе неплохо, уже можно было ехать на шиномонтаж. На диски с резиной ушло около 170 долларов, на профессиональную сельскую покраску — 30 с учетом всех материалов. Но как заиграл другими красками автомобиль!
Какой двигатель выбрать?
На рынке доминируют образцы с 2-литровым бензиновым двигателем, выступавшим в трех вариантах. 90-сильный имеет одноточечный впрыск и простейшую конструкцию. Разновидность 2.0 Е оснащалась многоточечным впрыском и развивала 115 л.с. Топовая 16-клапанная вариация имела отдачу 140 л.с.
Самый слабый вариант рекомендуется тем, кому не важна динамика. Средний расход топлива составит 8-10 л/100 км. 16-клапанный агрегат хотя и не доставляет много проблем, но дороже в ремонте. Зато, он имеет лучшие динамические характеристики – 9,6 секунды до 100 км/ч. Но потребляет более 12 литров.
Оптимальный выбор – 2.0 Е (115 л.с.). Этот блок использовался даже в преемнике Audi A4 B5. Он спокойно переносит внедрение газового оборудования. Любые неисправности возникают исключительно из-за небрежности. Мелкие дефекты касаются системы зажигания и впускной системы – утечки на отрезке между расходомером и коллектором.

В тоже время, в силу возраста может выйти из строя любой из элементов навесного оборудования, возникают утечки масла (из-под крышки клапанов и сальников), а ржавчина атакует выхлопную систему.
Может потечь и водяной насос, что вызовет дефицит охлаждающей жидкости, перегрев и прогар прокладки ГБЦ. К тому же результату приводит и коррозия термовыключателя электрического вентилятора радиатора. К счастью, устранение дефектов не потребует огромных сил и средств.
В отличие от оцинкованного кузова, выхлопная система ржавеет быстро.
1.9 TDI – это двигатель, о котором ходят легенды. Впрочем, сегодня это всего лишь легенды. Турбодизель требователен к обслуживанию. Чтобы продлить жизнь турбокомпрессору, замену масла лучше производить через каждые 8000 км. Производителем рекомендовано масло, соответствующее стандарту VW 505.00.
Турбонагнетатель – устройство дорогое. Оригинал стоит более 100 000 рублей, аналог – значительно дешевле – около 30 000 рублей. Простая конструкция узла (нет системы изменения геометрии) легко поддается ремонту. Дополнительных затрат может потребовать и интеркулер (охладитель надувочного воздуха).
Форсунки Bosch менее капризные, чем современные аналоги, но дизельного топлива низкого качества не терпят. Стоимость новой форсунки – около 26 000 рублей, а ремонта – 4-6 тыс. рублей за штуку.
Гораздо дороже в устранении проблемы с топливным насосом высокого давления. Новый ТНВД стоит космических денег – около 140 000 рублей. Привести его в чувство можно за 15-20 тыс. рублей. К счастью, ресурс насоса порядка 300-400 тыс. км.
Дым и падение мощности — наиболее распространенные симптомы неправильной работы расходомера, а не системы впрыска. Расходомер (от 3 000 рублей) – наиболее уязвимое место TDI.
Распиновка
Предохранитель и реле бензонасоса Обратите внимание, что после совершения оплаты, Вам необходимо вернуться обратно с сайта платежной системы на сайт KrutilVertel.
