Не Горят Лампочки в Дверях на Приоре – Нештатный способ
Светодиодная подсветка ног — Тюнинг и ремонт Lada Priora
Очищаем плюсовые и минусовые контакты светодиодной ленты от силикона и облуживаем их.
Припаиваем ограничительные резисторы к «+» светодиодной ленты.
Припаиваем один провод к резистору, другой к «-» светодиодной ленты.
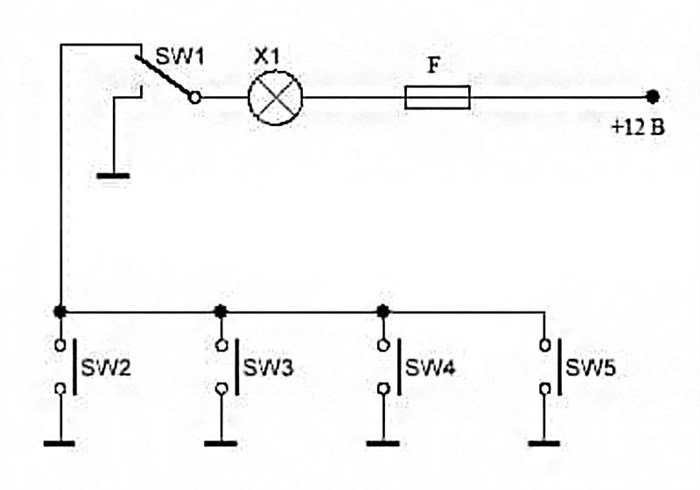
— «плюс» от светильников объединяем и подключаем к «+» питания магнитолы (нужен постоянный «плюс»).
— «минус» от каждого светильника тянем к концевику своей двери.
Клеим полученные светильники на существующий клеевой слой в зоне ног: под рулем, под бардачком, у порогов задних дверей.
При такой схеме подключения, подсветка работает по следующему алгоритму:
— при открытии водительской двери, загорается только освещение ног водителя;
— при открытии передней пассажирской двери, загорается только освещение ног переднего пассажира;
— при открытии любой задней пассажирской двери, загорается оба задних светильника.
Теги: подсветка ног на приоре, светодиодная подсветка ног, светодиодная подсветка зон ног

Освещение багажника приора седан Далее решил, что питать эту ленту буду через отдельный предохранитель, потому как даже приблизительно не знал, сколько она потребляет. Спрашивайте, я на связи!
Не горит подсветка багажника приора — Все про авто
ВАЗ 2114: не горит свет в салоне – ТОП 3 причины Контактов в цепях освещения салона предостаточно. Но больше всего окислению подвержены контакты снутри плафона и концевики дверей. Концевики весьма нередко окисляются в почти всех русских карах, потому что не имеют резинового кожуха.
Почему не работает подсветка приборов на Приоре
Если не освещается только часть щитка приборов, значит одна из ламп подсветки либо перегорела, либо потеряла контакт с дорожкой, по которой к ней подводится электрический ток. Для устранения этой неисправности щиток приборов придётся снимать.
В случае потери освещения всего щитка и одновременного отказа в работе приборов, расположенных, на нём, необходимо проверить в монтажном блоке предохранитель F10 (7,5А) и крепление массового провода.
Если полностью не горит только освещение щитка на Ладе Приоре, а остальные приборы и контрольные лампы работают, то необходимо добраться до штекерного разъёма и проверить, не окислился ли, контакт № 18, через который поступает питание для ламп освещения. Если с контактом всё нормально, значит, перегорела дорожка на плато, от которой запитываются лампы.
Тот водитель, который сможет разобрать щиток приборов, может эту неисправность устранить самостоятельно, путём приклеивания скотчем кусочка фольги к перегоревшему месту, предварительно зачистив кончики дорожки для обеспечения контакта.

Не работает панель приборов приора причины – Защита имущества
- предохранитель цепи питания электровентилятора правого (30 А);
- предохранитель цепи питания электровентилятора левого (30 А).
- реле электровентилятора правого;
- реле дополнительное (последовательного включения электровенти- ляторов левого и правого);
- реле электровентилятора левого;
- предохранитель цепи питания электровентилятора отопителя (40 А);
- предохранитель цепи питания компрессора (15 А);
- реле электровентилятора отопителя;
- реле компрессора.
Подсветка ног приора своими руками Блок реле и предохранителей кондиционера Panasonic
Установка дополнительной подсветки в багажник и полку багажника Лады Приора, салон приоры
Установка дополнительной подсветки багажника Лады Приора
Сразу после покупки машины меня удручал фонарик в багажнике. Толку от него не было совершенно. Заменил его на 6 мощных светодиодов. Света стало намного больше, но его все-равно не хватало, потому что все багажное отделение отделано черным свет поглощающим материалом и отражать свет там нечему.
Некоторое время назад разжился на работе светодиодной лентой. Возил ее очень долго и никак не мог найти ей применение. И вот она мне и пригодилась.
Отрезал кусок ленты необходимой длинны и припаял к ней один из разъемов
Далее решил, что питать эту ленту буду через отдельный предохранитель, потому как даже приблизительно не знал, сколько она потребляет. Пропаял и второй разъем.
Далее сделал пробное включение ленты и оказалось, что она потребляет всего 250мА.
Ленту, не мудрствуя лукаво, прикрепил четырьмя пластиковыми хомутами к верхней перекладине усилителя кузова «Техномастер». Лента пошла снизу перекладины.
Несколько раз мне приходилось снимать эту поперечину для перевозки крупногабаритных грузов. Снимается она несложно-минут за 10. Поэтому, если в будущем снова понадобится ее снять, то просто разъединю разъемы ленты и сниму поперечину вместе с лентой.
Разъемы я вытащил для наглядности. На самом деле они прячутся под обшивкой.
Ну и результат проделанной работы. Снимал специально без вспышки. Ах, да, запитал ленту от фонаря подсветки багажника.
Света стало столько, что я даже могу кому-нибудь отдать половину
Подсветка полки багажника Лады Приора
Кто-то на днях интересовался, как будет реализована подсветки полки багажника. Вот и отчет. Все просто. Прикупил полулюксовый приоровский плафон, установил в него яркие светодиоды вместо штатной лампы накаливания и врезал этот плафон в пластиковую обшивку двери багажника.
Провода проложил внутри задней двери через штатную резиновую гофру. То есть просто добавил пару проводов к уже имеющимся там. Использовал для этих целей кабельную протяжку из стекловолокна.
Пластик очень мягкий и хорошо режется ножом. Царапается, кстати, также хорошо

Подсветка Ног Приора При Открывании Двери • Что нужно для работы | ✨Мир света
Правильная иллюминация

Блок предохранителей в салоне ВАЗ-2170, -2171, -2172
- 11 и 14 — +12В появляется после включения главного реле (включения зажигания, открывания дверей). Питание пропадает через 2-5 минут после удаления ключа зажигания.
- 15 — «масса».
- 17 — «масса» (концевики дверей), которая появляется на некоторое время при открытии дверей.
Доработка подключения подсветки багажника Лада Гранта, Калина и Приора Теперь вся панель потухла((( не успели даже залезть(((
Плафон подсветки багажника приора

Из стеклотекстолита 2мм сделал доп кронштейн для новейшего плафона.
На правой полке вырезал недостающее окно под плафон и прикрутил туда кронштейн на два винта М4. Вышло довольно надёжно.
В войлочной обивке вырезал окно и установил плафон. Вышло как с завода.
Всё работает, включая штатную сигналку. Сейчас всё нутро багажного отсека отлично видно в мгле без беганья и включения габаритов. Жалко, что не сделал это намного ранее. +Можно постоянно отключить фонарь при продолжительном открытии задней двери.
Лампы пришли и установлены (бардачок, штатная левая подсветка багажника, новейший правый плафон подсветки багажника). Фото будут чуток позднее.
Подсветка новеньким фонарём в тёмное время суток на светодиодной лампе.
Работу проводим при подмене лампы либо плафона освещения багажника.
Плафон установлен в багажнике кара в особом кронштейне под задней полкой.
Отсоединяем клемму провода от «минусового» вывода аккумуляторной батареи.
Поднимаем крышку багажника.
С левой стороны пальцем руки жмем на пластмассовый фиксатор плафона…
…и вынимаем плафон из отверстия в задней полке кара.
Вынимаем лампу из плафона…
…и заменяем новейшей лампой C5W.
Для снятия плафона отверткой жмем на фиксатор колодки проводов и отсоединяем колодку проводов от плафона.
Устанавливаем плафон освещения багажника в оборотной последовательности.
При открытии багажника свет зажигается лишь при включенных габаритах – это недочет штатного подключения плафона освещения багажника почти всех каров АвтоВАЗа (в том числе Лада Гранта, Приора, Калина). Предлагаем для вас метод, который сделает подсветку в багажном отделении независящей.
Будет нужно: несколько метров провода, мультиметр либо тест-лампа, изолента.
Чтоб подсветка врубалась при открытии крышки багажника независимо от габаритов, нужно проложить провод от потолочного (штурманского) осветительного прибора на потолке (где есть неизменные +12В) к плафону багажника. Снимать обшивку крыши совершенно не непременно, довольно незначительно отогнуть ее с края либо незначительно вывести из уплотнителя дверей.
От прикуривателя
От габаритов

Возможные неисправности — если лампа все равно не загорелась
- 11 и 14 – +12В возникает опосля включения головного реле (включения зажигания, открывания дверей). Питание теряется через 2-5 минут опосля удаления ключа зажигания.
- 15 – «масса».
- 17 – «масса» (концевики дверей), которая возникает на некое время при открытии дверей.
Теги: подсветка ног на приоре, светодиодная подсветка ног, светодиодная подсветка зон ног Для того чтобы подключить, плюсовой провод запитываете от любой лампочки на панели приборов, а минус кидаете на кузов машины.
Установка
Потребуется: четыре куска светодиодной ленты (к упить можно на AliExpress (см. каталог ) ), дополнительные провода.

Светодиодную ленту для подсветки пола водителя приклеиваем на двух сторонний скотч на блок электроники. Ленты для переднего пассажира закрепляем одним концом к жгуту проводов (используя изоленту или стяжку), а другим приклеиваем к моторчику вентиляции.
Для задних пассажиров подсветка для ног крепится под сиденье. Удобней всего закрепить светодиодную ленту прямо на материале обивки, проделывая шилом 2 дырочки в которые вставляем пластиковую стяжку. Провода прокладываем рядом с проводами подогрева сидений, приматывая чёрной изолентой.
| Подсветка ваз 2170 отличается от своего предшественника ВАЗ 2110, например, в салоне Приоры нет центрального плафона. В результате задним пассажиром часто не хватает света. Исправить ошибку конструкторов можно как минимум двумя способами. |
Решил сделать подсветку ног на приоре, как на иномарках. Она очень хорошо вписалась в интерьер салона.
- Выполнить подключение к штатному плафону освещения ЭРА-ГЛОНАСС.
- К центральному блоку кузовной электроники (ЦБКЭ). На Lada XRAY он находится у ног водителя слева, а на Лада Веста — за бардачком. Колодка P1 контакт С4 (толстый красный провод) — 12 В при снятии с охраны. Колодка P1 контакт С6 (белый провод) — плавно появляется «масса» при открытии двери.
Установка дополнительной подсветки в багажник и полку багажника Лады Приора, салон приоры Схема фронтального плафона Lada Granta (дорестайл) и Lada Kalina:
Предохранитель
Мощность преда подсветки салона составляет 7,5 Ампер. Для оперативной замены перегоревшего элемента рекомендуется возить с собой запасной набор предохранителей всех мощностей.
В монтажном блоке старого образца этот элемент расположен немного иначе – он идет 7-ым по счету слева направо. Мощность элемента в этой версии блока составляет 10 Ампер. Помимо освещения салона, через этот элемент идет цепь на стоп-сигнал. Это может помочь при попытке диагностики неработающего плафона.

Если после замены сгоревшей детали не горит свет в салоне ВАЗ 2114 – причину стоит поискать в проводке и лампочке осветителя.
Блок в моторном отсеке
Расположение предохранителей Приоры под капотом

Нештатный способ
Теги: подсветка ног на приоре, светодиодная подсветка ног, светодиодная подсветка зон ног Снимаем “Нормальный” фонарь освещения салона, на его место вставляем “Люксовский”. Тут ничего дорабатывать не нужно – и форма, и размеры, и фиксаторы у них совпадают.
Повреждение проводки
Последняя и самая нежелательная причина неисправности – обрыв проводки выключателя. При отсутствии видимых повреждений проводки найти место обрыва без «прозвонки» сложно. Если обрыв удалось найти – следует полностью заменить провод, а не пытаться склеить его изолентой, т.к. укорачивание проводов ведет к изменению сопротивления.
Также причиной некорректного срабатывания бывает окисление контактов внутри корпуса осветителя. Достаточно зачистить и вернуть все пластины в заводское положение. Для проведения замены проводки освещения в сборе понадобится схема подключения салонного света. Ниже представим схему в подробностях.

Для полного разбора схемы разберем обозначения:
Проверка неисправности должна производиться с изучения предохранителя и лампочек. Лишь после этого стоит искать причину проблемы в концевиках и провдке.
Как сделать подсветку ручек дверей внутри салона
Комментарии

Подключение
- центральная точка на потолке или точки на боковых центральных стойках – свет распространяется по всему салону и является основным внутренним источником для пассажиров или водителя;
- область для ног – присутствует в автомобилях для переднего пассажира и водителя;
- бардачок – освещение помогает быстро обнаружить небольшие вещи или документы;
- зеркало под козырьком от солнца – актуально для макияжа или для проверки осмотра лица;
- зона дверной кучки или кнопки – подсветка помогает быстро закрыть/открыть дверь;
- багажный отсек – иллюминация здесь помогает найти нужные вещи или инструменты, которые здесь должны находиться;
- боковые дверные фонари – располагаются в дверях, загораются после открытия и горят до плотного закрытия дверей.
Дополнительная подсветка салона Приоры Припаиваем ограничительные резисторы к «+» светодиодной ленты.
