Не Горят Габариты Ваз 21213 Причины – Цены комплектующих
Карбюратор, зажигание и электрика: Вопрос-ответ.
Flanger писал(а): Я бы попробовал удалить лампочки из самой приборки и попробовать без них. Если поможет, то лампочкам отдельную массу кинуть.
Сейчас посмотрел щиток — думаю правильнее не лампочки вытащить, а снять с приборов провод массы т.к. он используется только для цепи подсветки, но тем не менее подключается непосредственно к корпусам приборов.
Сергей GS ШУРУП ФИЛОСОФ Возраст: 59 Сообщения: 6813 Зарегистрирован: 19 янв 2010, 13:16 Откуда: Томск Авто: ВАЗ 2121, Honda StepWGN-кемпер Пол: Мужской

На чем ‹ Нивы ‹ Электрика — Связь габаритных огней и приборов(2121)
Советы для автомобилистов

Пропал свет на ниве 21213 причина
Не горит габарит заднего фонаря Проблема решилась заменой контактной группы замка зажигания!спасибо за совет)
Ближний свет на Нива Шевроле – замена лампы
Итак, если на вашем автомобиле не горит лампочка ближнего света, то, скорее всего, причиной тому является ее перегорание. Соответственно, прежде чем притупить к замене, нужно выбрать и приобрести новую лампу.
Для этого, прежде всего, необходимо разобраться какая лампа ближнего света на Нива Шевроле установлена. Существует два их типа:
В нашем случае потребуется лампа ближнего света Н7 — на Нива Шевроле блок фара разделена на два отсека, соответственно используются отдельные однонитевые лампочки для ближнего и дальнего освещения.
Приобретать лампочки лучше комплектами, т.е. сразу для правой и левой фары.
В противном случае их световой спектр может не совпадать.
К тому же срок службы у световых элементов обычно практически одинаковый.

Конечно, помимо типа конструкции осветительного элемента необходимо еще обратить внимание на некоторые его характеристики. Наиболее важным параметром является мощность светового потока. Во многом он зависит от принципа работы осветительного элемента.
Ниже приведем сравнение мощности световых потоков на один ватт мощности разных типов ламп:
От принципа работы осветительного элемента зависит не только мощность светового потока, но и его цена. Наиболее доступными являются галогеновые лампочки, а самыми дорогими – ксеноновые и светодиодные.
Не горят задние габариты ваз 2110: причины, замена лампы
- Несомненно, в первую очередь, что необходимо проверить – это состояние самих световых элементов. На них должны отсутствовать чёрные следы нагара, видимые повреждения либо иные конструктивные недостатки. Если такие есть, то лампу необходимо заменить.
Галогенная лампочка стандарт H7 — в ближнем свете Нивы Шевроле такой типа лампы. - Далее, к осмотру подвергаются элементы проводки, колодки питания. На них должны отсутствовать следы оплавления, замыкания на «массу», либо обрывы.
- И наконец, последним (а иногда одним из первых – прим.) в очереди необходимо продиагностировать все элементы электрической цепи. Это касается как реле, так и предохранителей.
Не горит левая сторона габаритов ваз 2115. Если ключ в нужном (III и I) положении и ничего не работает… возможно либо проблемы с замком или контактной группой либо перепутаны провода при подключении, если замок отключался.
ТЕХНИЧЕСКОЕ УСТРОЙСТВО

Схема и расположение предохранителей на ВАЗ 2114(так же на 2113 и 2115)
Теперь нам осталось лишь разобраться почему происходят такие проблемы, и каким образом их решать, например, как заменить габаритную лампу на ВАЗ 2114 в любой части авто. Итак, для начала разберемся почему не горят габариты, какие у этого могут причины:
- Отсутствие напряжения на фарах;
- Перегорели лампы;
- Сгорел предохранитель;
- Вышел из строя блок предохранителей;
- Сломалась кнопка включения огней.
Итак, теперь нам необходим разобраться в каждом конкретном варианте подробнее, например, почему не горит левый задний габарит. Первая и самая логичная причина – просто вышел ресурс лампы, и она перегорела, также как это бывает с обычными домашними лампочками. Теперь ее нужно заменить, делается это аналогично во всех частях авто:
- Сначала нужно отыскать где изнутри находится корпус фары или подворотника и снять защитный кожух, на ВАЗ 2114 на нем прямо написано, как это делается. Вытащится все вместе с цоколем;
- Теперь в цоколе нужно отыскать габарит и аккуратно вытащить его оттуда;
- Вынимаем лампу, она здесь просто вставляется на защелке;
- Вставляем новую, так, чтобы она щелкнула и собираем все в обратной последовательности.
Карбюратор, зажигание и электрика: Вопрос-ответ.
Спасите-помогите и подскажите по глюкам электрики Приобретать лампочки лучше комплектами, т.е. сразу для правой и левой фары.
Типовые неисправности и их устранение
Итак, почему на ВАЗ 2110 могут не работать габариты? Причин несколько, перечислим их все:
- Сгорел предохранитель, отвечающий за питание ламп габаритных огней.
- Произошел обрыв питающего провода.
- Произошло замыкание питающего провода на кузов автомобиля.
- Вышло из строя реле контроля К1.
- Перегорели лампочки.
- Вышел из строя переключатель наружного освещения.
Попробуем самостоятельно найти неисправность задних габаритов на ВАЗ 2110 и устранить ее. Прежде всего проанализируем ситуацию. Как указывалось выше, за правый борт отвечает предохранитель F11, а за левый – F1.
Если не горят только задние габариты, а передние работают, то логично предположить, что предохранители в порядке. В противном случае (не горит борт и спереди, и сзади) имеет смысл проверить исправность предохранителей в монтажном блоке. Где его найти, будет описано в конце статьи.
Теперь нам понадобится так называемая «контролька», которую несложно собрать самостоятельно. Нужно взять любой индикаторный светодиод и резистор сопротивлением 800 Ом.

Принципиальная электрическая схема «контрольки»
Вместо светодиода и резистора проще взять маломощную лампочку на 12 В, к примеру, от тех же габаритов или указателей поворота. Такая схема, во-первых, проще, во-вторых, при ее использовании не нужно соблюдать полярность подключения щупов.
Начнем с задних фонарей. Открываем багажник и находим в обивке на уровне задних осветительных приборов два кармашка, закрывающих фонари. Отгибаем их и получаем доступ к разъему питания.
Отгибаем обивку и видим заднюю часть фонарей с разъемом питания
На фонаре сверху и снизу находим две защелки, сжимаем их и вынимаем плату с лампами из фонаря.
Аккуратно снимаем с платы разъем питания. Подключаем один щуп «контрольки» к кузову автомобиля ВАЗ 2110 в месте, которое может обеспечить хороший электрический контакт с металлом. Включаем габариты и замеряем напряжение на гнезде разъема, к которому идет красный (правый борт) или красно-желтый провод (левый борт).
Если напряжение есть, то проблема в фонаре. Снимаем гибкую плату и внимательно осматриваем дорожки – от вибрации они нередко переламываются.
От вибрации проводники гибкой платы могут переломиться
Если все в порядке, то причина в плохом контакте лампочки с патроном либо выходе ее из строя. Мы рассмотрели случай, когда на колодке фонаря есть напряжение. Если его нет, продолжаем поиск.
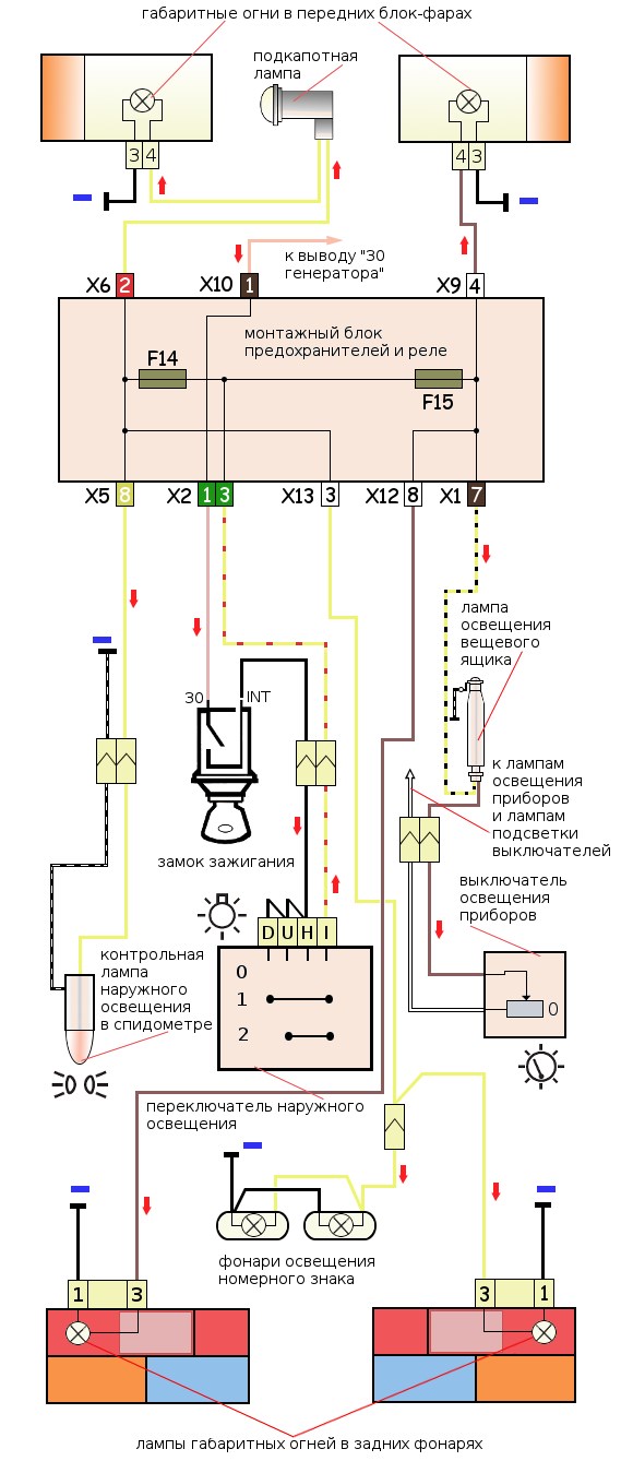
Связь габаритных огней и приборов
Связь габаритных огней и приборов(2121) F8 (20 А) — элемент и реле обогрева заднего стекла (контакты).
Схемы жгутов проводов Нива
Схемы жгутов проводов 21214 (Инжектор). Год выпуска примерно 2009-2010, ЕВРО-3.

Жгут проводов системы управления двигателем
Схемы LADA 4×4 выпуск с 2011 года (Е-ГАЗ)
Жгут проводов панели приборов
Жгут проводов системы зажигания
C 2013 года стали применять дневные ходовые огни: у подфарника в секции габаритного огня устанавливается 2-х нитиевая лампа. При включении зажигания питание приходит на нить 21 Ватт (режим ходовых огней), при включении наружного освещения питание переключается на нить 5 Ватт (режим габаритных огней).
Карбюратор, зажигание и электрика: Вопрос-ответ.
Реле и предохранители Нива

Comments 18
- блок предохранителей системы управления двигателем;
- реле очистителя ветрового стекла;
- блоки предохранителей ВАЗ-2121;
- блок реле системы управления двигателем.
Полезное видео
Автомобиль: Нива Шевроле.Спрашивает: Шишов Виктор. Суть вопроса: Не горит ближний свет на Нива Шевроле.
Нужна помощь!не горят габариты и подсветка приборки при выключенном зажигании.

Но теперь ты заменил контактную группу и всё как прежде. Ладно, на том хорошо
С одной стороны, круто же, свет теперь не забудешь выключить)
Заменил контактную группу замка зажигания, теперь все работает как прежде!Спасибо за советы!
Без зажигания работают габариты с завода. Часто забываю выключать, машину закрываю, а габариты горят с подсветкой. Печка нет конечно.
А в принципе и не стоит включать вентилятор печки пока не заведёшь двигатель!
И у меня не горит приборка и не работает вентилятор печки, при выключенном зажигании. Как бы так и должно быть!
Приборка должна светиться при включении габаритов.
У меня не светится. Только при включении зажигания.FLASH-X3!
Или в замке проблемма, или в клавише включения габаритов ( фар ), там просто нечиму ломаться.
Вентилятор отопителя никогда не будет работать без зажигания. Не предусмотрено.
Подсветка имеет независимую от зажигания систему питания.
Ключ в замке зажигания должен быть повернут на метки III и I. Если ключ находится на метке 0 работать ничего не будет. Даже свет.
Если ключ в нужном (III и I) положении и ничего не работает… возможно либо проблемы с замком или контактной группой либо перепутаны провода при подключении, если замок отключался.
спасибо, думаете замок зажигания?просто тоже к этому склоняюсь…
Вентилятор отопителя никогда не будет работать без зажигания. Не предусмотрено.
Подсветка имеет независимую от зажигания систему питания.
Ключ в замке зажигания должен быть повернут на метки III и I. Если ключ находится на метке 0 работать ничего не будет. Даже свет.
Если ключ в нужном (III и I) положении и ничего не работает… возможно либо проблемы с замком или контактной группой либо перепутаны провода при подключении, если замок отключался.
Спасите-помогите и подскажите по глюкам электрики
Блок реле и предохранителей: При длительной эксплуатации автомобиля, или если установлена деталь низкого качества возможно осыпание (перегорание) дорожки к патрону лампы габаритного света в задних фонарях.
Полезное видео
Более интересную информацию вы можете найти в видео ниже:
Иногда владельцы ВАЗ 2114 сталкиваются с противоположной ситуацией, когда задние габариты работают, а индикатор на кнопке включения нет: почти всегда это признак неисправности проводки в панели салона. Справиться с проблемой можно, сняв весь замок ключа и тщательно очистив его контакты.
В целом габаритные огни на этой модели ВАЗ не должны часто выходить из строя, так как для их предохранителей контактные площадки специально увеличены по ширине, чтобы обеспечить плотное соединение.
Кроме того, специалисты советуют видеть в частых сбоях габаритов наличие неисправности в самом монтажном блоке или в его электрической цепи. Эту проблему необходимо устранить в короткие сроки, чтобы исключить риск возгорания в проводке.
Наконец, стоит обратить внимание на герметичность всего блока заднего фонаря и не допускать попадания влаги внутрь, в результате чего контакты лампы могут легко закислиться.

Предохранители:
- включение / выключение происходит с помощью кнопки в модуле управления внешним освещением;
- при включении габаритов переключатель подсвечивается зеленым индикаторным диодом;
- задние габариты ВАЗ 2114, в отличие от передних, светятся красным цветом в соответствии с российскими нормами безопасности дорожного движения.
Карбюратор, зажигание и электрика: Вопрос-ответ. Попробуем самостоятельно найти неисправность задних габаритов на ВАЗ 2110 и устранить ее. Прежде всего проанализируем ситуацию. Как указывалось выше, за правый борт отвечает предохранитель F11, а за левый – F1.
