Почему не Горят Задние Птф Ваз 2114 – Не работают противотуманки ваз 2110
Принцип поиска
Электрическая схема
Сразу делаем акцент на том, что распиновка разъемов и цветовая маркировка проводов могут отличаться не только у разных моделей одного автопроизводителя, но и у одной модели разных годов выпуска. Перед началом поиска причины поломки вам необходимо найти электрическую схему конкретно для вашей модели автомобиля.

Рассматривать принцип работы стоп-сигналов и алгоритм поиска неисправности будем на примере схемы ВАЗ 2101-2102. На фото представлена общая схема освещения и световой сигнализации автомобиля. Нам необходимо выделить компоненты, участвующие в работе стоп-сигналов.
- 6 – монтажный блок предохранителей;
- 13 – концевик включения стоп-сигналов. Представляет собой нефиксируемую кнопку (возвращается в исходное положение после снятия усилия). Располагается непосредственно у педали тормоза. Когда педаль тормоза отпущена – контакты концевика разомкнуты, ток через него не проходит. Соответственно, при нажатии контакты замыкаются, обеспечивая протекание через лампы;
- 19 – лампы, загорающиеся при нажатии на педаль тормоза.
В представленной нами схеме элементы изображены максимально приближено к тому, как они выглядят в реальности. Не стоит пугаться, если к своему авто вы найдете только принципиальную схему с условными изображениями элементов. Принципиальная схема внешнего освещения для ВАЗ 2114, 2115:
- 3 – монтажный блок;
- 8 – лампы габаритного света и стоп-сигналов;
- 11 – концевик тормозных огней;
- К4 – реле контроля исправности ламп стоп-сигнала и габаритных огней.
Не Горит Задний Ход Ваз 2114 ~
Окисление и выход из строя предохранителей

Перестали гореть противотуманки на ваз 2114
- Вышел из строя предохранитель, который может нарушить работоспособность полной цепи контактов.
- Отсутствие массы на плате, которая находится под фонарем.
Не работают противотуманки ВАЗ 2115, 2114: основные причины неисправности и их устранение Сначала нужно снять задние фонари на ВАЗ 2114, а для этого потребуется:
Почему не работают противотуманки. Основные причины входа из строя ПТФ ВАЗ 2114
Так как в основном ВАЗ 2114 эксплуатируется в условиях повышенной влажности, следовательно, основной причиной выхода из строя ПТФ ВАЗ 2114 являются окисление и коррозия функциональных элементов противотуманок.
Но иногда случается так, что ПТФ отказываются включаться, причем не работать может как одна, так и обе фары. Причин того, почему не горят противотуманки на ваз 2114, может быть большое множество, но главная из них — появление окислов или коррозии в важных местах электрической цепи, идущей к фарам.
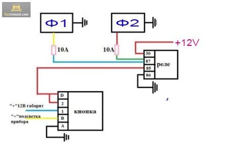
Перед тем, как рассмотреть все возможные причины более подробно, следует ознакомиться с принципиальной схемой подключения противотуманных фар к бортовой электросистеме автомобиля.
На ней присутствуют следующие обозначения:
- прямоугольники розового цвета 10А — 10-ти амперные предохранители;
- Ф1 и Ф2 — противотуманные фары;
- значок заземления — подключение к массе;
- +12V — выход на «+» клемму аккумуляторной батареи.
Предохранитель

Не работают противотуманки ВАЗ 2115, 2114: основные причины неисправности и их устранение
- перегорел предохранитель;
- перегорела(и) лампочка(и);
- произошло окисление контактов;
- пропал контакт с «массой»;
- вышла из строя кнопка;
- вышло из строя реле.
Не работают стопы автомобиля ВАЗ 2114 (2113) Всего, как было сказано выше, реле противотуманок имеет 6 выходов, которые играют следующие роли:
Если не горят противотуманные фонари: возможные неисправности
Существует несколько основных причин выхода из строя противотуманных фонарей:
• Перегорели лампы. • Сработали предохранители. • Проблема в реле – отсутствует контакт. • Вышла из строя клавиша включения. • Слабый контакт в соединениях – скрутках или к массе.
Причину можно установить и самостоятельно, вооружившись лишь минимумом знаний и мультиметром. Если у вас нет на это время, то обратитесь к автоэлектрику. Затягивать с этим не следует качественный свет ксеноновых противотуманных фар является важной составляющей вашей безопасности.
Определение неисправности реле в домашних условиях возможно старым добрым способом замены на заведомо рабочее. Так же определить работоспособность можно щелчку при включении, даже если фары нерабочие. Но учтите, если реле не щёлкнуло, то возможно отсутствует питание. Находятся реле в монтажном блоке, конечно, если речь идёт о заводской установке.

Схема соединений монтажного блока ВАЗ 2114
Содержание

Неисправен выключатель стоп-сигналов.
- Перегорание предохранителя.
- Сгорели лампочки.
- Окисление контактных соединений.
- Нет контакта на массу.
- Не работает кнопка.
- Отсутствует питание.
- Неверное подключение.
- Сломано реле.
Схема подключения ПТФ Короткий видео-обзор блока предохранителей на ВАЗ:
Не горят противотуманки на ВАЗ 2114: ищем причины
Такой элемент светового оборудования, как противотуманные фары, не является обязательным для всех автомашин серии. Он может быть установлен опционально в салонах, занимающихся продажей новых автомобилей.
При этом стоит сказать, что в условиях отечественного климата ПТФ — очень полезное дополнение, особенно учитывая то, что основной свет на ВАЗовских автомашинах оставляет желать лучшего, и в дождливую погоду не всегда обеспечивает должной видимости на дороге. Включенные противотуманные фары в такой ситуации оказывают большую помощь.
Читайте также: Печка ВАЗ 2110, устройство отопителя, вентилятора, заслонок, видео замены радиатора печки ВАЗ 2110

Основной блок
- Капот необходимо открыть, а с консоли предохранителей снять крышку.
- Затем осуществить проверку 15А, который непосредственно отвечает за его работу. Если после замены предохранителя белый свет не зажегся, диагностика продолжается.
- Необходимо включить зажигание, чтобы зафиксировать электрическое напряжение на консоли. Если его нет (а его показатель должен быть равен 12 В), то вполне вероятно, что контакты окислились. Если же есть, проверка проводится дальше.
- И тогда уже требуется лезть под авто. С электродвигателя снимается защита, включается зажигание и соответствующая передача. Теперь можно смотреть — появилось напряжение на разъеме датчика, или же нет.
- Как уже говорилось выше, при отсутствии тестера со стрелкой можно использовать контрольную лампочку. Ее свечение должно дать понять об имеющемся напряжении.
- Затем наступает ключевой момент: необходимо произвести замыкание проводников рассматриваемого датчика. При появлении света остается лишь констатировать факт, что требуется замена датчика заднего хода ВАЗ 2114.
Проверка и замена контактной панели и ДЗХ Читайте также: Разболтовка колес «Лады Гранты»: какие подходят и какие выбрать, таблица идеальных параметров дисков и шин
Основной блок
Главный блок предохранителей и реле находится в задней части подкапотного пространства, в монтажном отделе, под защитной крышкой.
Читайте также: Разболтовка колес «Лады Гранты»: какие подходят и какие выбрать, таблица идеальных параметров дисков и шин
С обратной стороны защитной крышки может быть нанесена актуальная схема для Вашего автомобиля. Сверяйте назначение!
Вариант 1
Схема: 2114/ 2115 — 3722010, -3722022, -3722010-30, -3722010-38, -3722010-40, -3722010-48, -3722010-60, -3722010-68

Описание предохранителей
За работу прикуривателя отвечает предохранитель номер 7 на 30А.
Устройство электрооборудования и противотуманных фар на ВАЗ-2114
- Установка в салоне автомобиля кнопки включения. В случае с ВАЗ-2114 место под клавишу находится по левую сторону от водителя на передней панели. Впрочем, её размещение может быть произвольным — главное, чтобы водителю было удобно управлять автомобилем. Нередко кнопки включения ПТФ устанавливаются вместо заглушек на панели управления.
Как проверить предохранитель? На видео ниже показан способ правильного подключения ПТФ к проводке ВАЗ-2114. Приведена подробная схема подключения:
Неожиданные причины нерабочих ПТФ на ВАЗ-2110
Самая банальная причина — это перегоревший предохранитель.
Но к ней мы вернёмся позже. В конструкции противотуманок, реле, выключателей и ламп существует ещё много до сих пор неизведанного. К примеру, возможной причиной отказа противотуманок может стать совершенно неожиданная поломка.

В первую очередь проверяем сами лампочки, добраться до левой можно через капот.
На некоторых версиях ВАЗ-2110 устанавливали ПТФ завода Автосвет (Киржач) с цоколем под лампу Н1. Стоковые лампы не самого лучшего качества и они не любят резких перепадов температуры.
Подобраться через капот к правой противотуманке довольно сложно, проще снять саму фару, вывернув саморезы.
Конечно, предусмотреть все варианты отказа невозможно, но самые распространённые мы рассмотрим.
Не горит одна противотуманка на ВАЗ-2110
Здесь вариантов может быть предостаточно. Если не считать повреждения самой лампы или её спирали, то картина такая:
Предохранитель. При грамотной установке ПТФ на десятку, как правило, используют схему, представленную выше. Как видно из схемы, за работу каждой из ламп отвечает отдельный предохранитель, F4или F14. Они находятся в монтажном блоке, который расположен в нише передней панели слева от водителя. При замене предохранителя не используем жучков и перемычек, а только новые предохранители.
За переднюю правую противотуманку отвечает предохранитель F4, за левую – F14, оба на 10А.
Находим идущие от фар провода с колодками и проверяет их состояние.
Не горят сразу две противотуманки
Если такое произошло, допустить перегорания сразу двух ламп или двух предохранителей невозможно. Скорее всего, причину стоит искать в другом:
Алгоритм установки и подключения
Вариант 1

Не работает реле ПТФ
- Возможность своевременного маневра, которая в обычных условия попросту не представляется выполнимой. Нередко водители, не имеющие ПТФ, оказываются за пределами дорожного полотна. Секрет заключается в ширине светового луча, который открывает полноценный обзор на разметку и обочину.
- Увеличенная дальность освещения (и, как следствие, обзора). Такое свойство обеспечивается благодаря более плоскому световому потоку, который в большей мере распространяется в ширину. Учитывая более высокую температуру дорожного покрытия по сравнению с оным показателем у тумана, он не опускается непосредственно на землю. Поэтому обладатели ПТФ имеют видимость, которая в среднем на десять метров дальше по сравнению со стандартной оптикой.
- При условии профессиональной настройки, противотуманные фары не слепят проезжающие мимо транспортные средства, позволяя им лучше наблюдать вас. Это в значительной степени повышает безопасность, снижая риск возникновения ДТП.
Неисправность фонарей заднего хода на ВАЗ 2114. Обслуживание и профилактика В подкапотном пространстве размещается реле ПТФ
Не работают стопы (стоп-сигналы) ВАЗ 2114 (2113), причины неисправности
Не работать может либо один стоп-сигнал, либо сразу два.
1. Перегорела лампа стоп-сигнала в заднем фонаре.
Чаще всего перегорает всего одна лампа, но бывает, что и две.

Лампа стоп-сигнала (стопа) в заднем фонаре автомобиля ВАЗ 2114 (2113)
В таком случае придется заменить лампу новой или заведомо исправной. Для стоп-сигнала применяется лампа P21W. Аналогичные лампы указателя поворота, света заднего хода, противотуманного света в этом же заднем фонаре. Их можно использовать для проверки лампы стопа путем замены.
2. Окислились контакты в патроне лампы стопа.
При этом возникает «обрыв» в электрической цепи лампы. Чаще всего, в таком случае, не будет работать один стоп-сигнал, а другой будет гореть.
Патрон и контакты лампы стоп-сигнала в заднем фонаре ВАЗ 2114, 2113
Для восстановления контакта необходимо несколько раз повернуть лампочку в патроне, либо извлечь ее и зачистить окислившиеся контакты мелкозернистой наждачной бумагой.
3. Неисправна колодка проводов на задний фонарь (фишка).
Либо ненадежно закреплена, либо окислились контакты. В любом случае в электрической цепи будет «обрыв».
Необходимо несколько раз снять-надеть колодку на выводы платы заднего фонаря для восстановления окислившегося или ненадежного контакта. В последствии можно зачистить выводы на плате и наконечники проводов в соединительной колодке.
4. Сгорел предохранитель в монтажном блоке.
Если предохранитель сгорел, не будут гореть обе лампы стоп сигналов в задних фонарях.
Электрическую цепь включения стоп-сигналов автомобиля ВАЗ 2114 (2113) защищает предохранитель F3 (7,5А) в монтажном блоке предохранителей и реле. Проверьте целостность предохранителя. В случае неисправности замените новым. Если предохранитель опять сгорел, следует искать короткое замыкание в цепи. По схеме подключения показанной ниже.
5. Осыпалась дорожка в плате заднего фонаря.
Электрическая цепь в результате будет разорвана («обрыв»), лампа стоп-сигнала не будет гореть.
Дорожки платы заднего фонаря на стоп-сигнал
Необходимо снять плату заднего фонаря, где не горит стоп и осмотреть ее на предмет повреждения дорожек. Если визуально обнаружить место повреждения не удается следует «прозвонить» дорожки мультиметром или контрольной лампой. К поврежденной дорожке припаивается проводок и плата продолжает функционировать дальше. Подробности в статье «Проверка платы заднего фонаря».
Какой цвет стекла выбрать для противотуманки
Нет контакта на массу
есть куча причин для к/з на что именно (на какую часть) предохранитель сгорает? все реле живы и работают? что за последние 2 недели на машину устанавливали из электрического доп оборудования? или попутные работы которые могли создать прецедент?
