Не Горят Габариты и Стоп Сигналы Ваз 2112 © Схема отопителя
Не горят стоп сигналы на ваз 2111 причины
Но может случиться и так, что не горит задний ход на ВАЗ 2110, а причиной этому датчик не является. Тогда возможно дело в питании. Его также необходимо проверить. При включении питание не подается, значит следует искать обрыв в проводке. Проверяют участок, на котором предохранитель соединяется с датчиком и отрезок соединения датчика с лампой.
Когда на автомобиле ВАЗ 2110 включается задняя передача, одновременно должны загораться лампочки белого цвета.
Их предназначение состоит в выполнении следующих функций:
- с горящими лапочками гораздо удобнее парковка;
- горящие лампочки дает пешеходам указание на то, что машина собирается сдавать назад;
- лампочки заднего хода служат для предотвращения аварийных ситуаций.
При возникновении проблемы, при которой не включаются лампочки заднего хода можно попытаться устранить проблему самостоятельно, либо обратиться в автосервис.
Проблему вполне можно устранить собственными силами, поскольку причинами этого, как правил, являются следующие ситуации:

| 1 – аккумуляторная батарея | 2 – выключатель зажигания | 3 – реле зажигания |
| 4 – свечи зажигания | 5 – модуль зажигания | 6 – контроллер |
| 7 – датчик положения коленчатого вала | 8 – задающий диск | А – устройства согласования |
Не горят стоп сигналы на ваз 2111 причины
Не горят стопы ваз 2112 34 – реле включения питания ЭБУ и системы зажигания
Замена лягушки заднего хода на ВАЗ 2110-2112 и видео обзор
Чтобы показать сей процесс наиболее доступно и наглядно, был снят видео ролик, который показывает все тонкости диагностики и замены данного выключателя.
Если видео не можете открыть, независимо от причины, то ниже показан фото отчет данного ремонта.
Первым делом загоняем автомобиль на яму, снимаем защиту двигателя и находим там нашу лягушку включения света заднего хода. Ниже все показано наглядно:
Отсоединяем штекер от разъема, и отводим его в сторону.
И теперь можно отворачивать саму лягушку при помощи ключа на 22, желательно использовать именно рожковый или накидной:
И окончательно выкручиваем этот выключатель рукой.
Обратите внимание, что при окончательном откручивании данной детали, из КПП польется масло. Поэтому необходимо принять следующие меры:
- Либо все делать с очень большой скоростью, чтобы потери масла были минимальными
- Либо подставить емкость и после всего ремонта уже долить потери обратно в КПП
В принципе, если делать все быстро, то масло практически не успевает вытекать и может вылиться не более 10-20 мл, так что подставляйте емкость и вперед. Когда закрутили все на место, подсоединяем штекер и все. Данная процедура может считаться законченно.
Цена новой лягушки на ВАЗ 2110-2112 составляет около 50-70 рублей, так что по сути — данный ремонт можно считать копеечным.

Ремонт, замена, регулировка и тюнинг фар ВАЗ 2112: почему не горят противотуманки и стоп-сигналы
- Провода, подведенные к нему, требуется отсоединить.
- К их концам присоединяется тестер. Прибор переводится в режим «сопротивление» и проводится измерение.
- Затем включается задняя передача.
- Зажигание переводится во включенное состояние.
- Проводится отсчет показаний прибора.
Электросхемы ВАЗ 2110 » Автомобильный портал для ремонта автомобилей Фонарь на багажнике также может потребовать замены. В этом случае нужно:
Пара слов о «реле исправности»
Реле исправности ламп называется K1, и оно в монтажном блоке – самое большое. Если это реле вынуть, то при нажатии на педаль можно вызвонить напряжение на клемме 5 (но не 4). Ещё раз посмотрите на схему, и станет ясно, о чём речь.
Самое большое реле в блокеВсе контакты реле пронумерованы. На клеммах блока проверяют напряжения:
- – потенциал «массы»;
- – напряжение «+12», но только после включения зажигания;
- – «+12» по нажатию на педаль;
- – клемма звонится, как отвод «массы».
Если на клемме «4» не вызванивается потенциал «0», значит, нити ламп перегорели или в проводке есть разрыв. Теперь рассмотрим другое: потенциал «массы» был обнаружен, но лампы не горят. Здесь появляются подозрения о коротком замыкании.
проблема многих владельцев ваз 2112,11 добиться безотказной работы этих злосчастных ламп, будем устранять!
Проверяем лампочки и предохранитель F17. Если целые, идем к пункту 2. Иначе заменяем и смотрим. Светятся? Отлично! Нет? Переходим к пункту 2.
Есть у «двенашек» одна болезнь — жгут проводов идущий на дверь багажника. Располагается он как правило в правой гофре (в левой провода на задний дворник полагаю там такая же болезнь, однако мне авто достался уже без дворника). Проверить этот участок достаточно просто. Понадобится мульти тестер или источник питания на 12 вольт (желательно и то, и другое)
За «обшивкой», с права, где задняя правая фара с «поворотником» и «противотуманкой» проходит провод, по железу, можно нащупать не снимая ткань. На этом проводе есть разъем «папа-мама». Разъединяем его. «Папа» — идет на фонари, а «Мама» приходящий назад сигнал с монтажного блока.

Не горят стоп сигналы на ваз 2111 причины
Замена датчика заднего хода на «десятке»

Схема ближнего и дальнего света фар ВАЗ 2110 / 2111 / 2112
- дефектная или перегоревшая лампочка;
- обрыв в электропроводке или разъемных соединениях;
- перегорание предохранителя вследствие короткого замыкания или перегрузки в бортовой сети;
- неисправность концевого выключателя;
- неполадки в электронных системах или блоках.
Схема возбуждения генератора и зарядки аккумулятора ВАЗ 2110 (94.3701) Открутить имеющийся датчик, подставить емкость для масла и прикрепить новый автоприбор. В стандартном наборе к нему прилагается специальное уплотняющее кольцо, использовать которое чаще одного раза не рекомендуется, так как в процессе затягивания детали оно подвергается усиленному деформированию.
ЛОКАЛИЗАЦИЯ НЕИСПРАВНОСТИ
Понимание принципа работы позволяет определить, почему именно могут не гореть стоп-сигналы:
- перегорел предохранитель. На схеме предохранители маркируются буквой F (от англ. – Fuse) и порядковым номером посадочного места в блоке предохранителей, к примеру, F3;
- плохой контакт в местах разъемов;
- перегорели лампочки, но поскольку фонари подключены параллельно, вероятность того, что перегорят сразу 2 лампы – крайне невелика;
- плохой контакт на минусовом выводе фонарей. В таком случае проблемы могут начаться не только со стопами, но и с загоранием остальных ламп в фонарях;
- повреждение минусовой дорожки в плате плафона. От общей массы непосредственно к лампе стоп-сигнала «минус» идет по специальной дорожке на плате. Дорожка может разрушиться от попадания воды либо механического воздействия;
- неисправность концевика стоп-сигналов, так называемой лягушки;
- обрыв проводки, окисление контактов.

Второй способ ремонта
- проверьте предохранитель, отвечающий за цепь стоп-сигналов. Схему расположения плавких вставок можно найти в руководстве по ремонту и эксплуатации к вашему авто;
- часто условное обозначение защищаемых цепей располагается на обратной стороне крышки, закрывающей монтажный блок предохранителей. Если установленный предохранитель нужного номинала сразу же перегорел, в цепи присутствует короткое замыкание (КЗ). Учтите, что предохранитель может защищать не только стопы, но и другие цепи. Установка предохранителя увеличенного номинала чревата риском возгорания автомобиля;
Процедура замены ламп К сведению: Шарик гидрокорректора защелкивается в паз из пластмассы, а металлическая шпулька — во второй паз. Она стопорит регулировку, не давая ее выкрутить дальше ее самой. Если при регулировке фар пережать гидрокорректор, то сломается металлическая защелка. Шарик выскочит из пластмассы и тогда фара «упадет»;
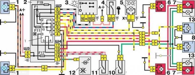
Электросхема стеклоподъёмников ВАЗ 2110
- Блок реле и предохранителей;
- Замок зажигания;
- Переключатель электростеклоподъемника правой передней двери;
- Переключатель электростеклоподъемника правой задней двери;
- Моторедуктор электростеклоподъемника правой передней двери;
- Моторедуктор электростеклоподъемника правой задней двери;
- Моторедуктор электростеклоподъемника левой задней двери;
- Моторедуктор электростеклоподъемника левой передней двери;
- Переключатель электростеклоподъемника левой задней двери;
- Переключатель электростеклоподъемника левой передней двери;
- Реле включения электрического стеклоподъемников;
А — к источникам питания;
В — к выключателю освещения приборов;
С — Условная нумерация штекеров в колодках электростеклоподъемников

- Звуковой сигнал;
- Выключатель звукового сигнала (кнопка на руле);
- Блок реле и предохранителей;
А — Колодка проводов к электродвигателю вентилятора системы охлаждения двигателя;
В — к источникам питания.
Стоп-сигналы не горят полностью
Обычно при обрыве «массы» задействуют ещё одну шпильку – ту, которая подключается к спирали обогрева стекла.
Пара слов о «реле исправности»

Измененяем вид оптики (тюнинг)
- Электромотор вентилятора;
- Дополнительный резистор (Реостат печки);
- Контроллер;
- Блок предохранителей и реле;
- Выключатель (замок) зажигания;
- Датчик температуры воздуха в салоне;
- Кнопка включения рециркуляции;
- Клапан рециркуляции;
- Микромоторедуктор привода заслонки отопителя;
А – к выключателю освещения приборов;
В – к источникам питания
Не горит дополнительный стоп-сигнал Часто провода перетираются в месте их перехода с кузова на крышку багажника. Как правило, для обнаружения повреждения кабелей необходимо снимать обшивку. Поэтому при отсутствии должного опыта эту работу лучше поручить сервисному центру. Если повреждение обнаружено, необходимо восстановить изоляционное покрытие. Для этого можно использовать обыкновенную изоляционную ленту.
Распространенные проблемы с оптикой и способы их устранения
Проблемы с автомобильной оптикой можно разделить на неисправности механического и электрического характера.
Во время эксплуатации автомобильная оптика подвергается механическим воздействиям. Ее могут повредить мелкие и крупные камешки, песок, ветки кустарников и т.д. Самый простой способ устранения повреждений – замена блок-фары или фонаря. Для этого нужно знать как снять фару на ВАЗ 2112. Но можно оптику восстановить своими руками.
Возможны следующие неполадки механического характера:
Царапины и трещины устраняться путем шлифовки и полировки. Разрушенные крепежные элементы заменяются новыми. При нарушении герметичности, оптика потеет, поэтому требуется ее восстановить, так как ухудшается видимость, и окисляются контакты. Для серьезных механических повреждений в виде сколов инструменты подбираются в зависимости от степени повреждений.
Перед ремонтом следует изучить материал изготовления оптики. В зависимости от этого можно применить холодную или обычную сварку.
Что касается электрических неполадок, то чаще всего причина в перегоревших лампочках. В этом случае их нужно заменить.
Если причина не в лампочках, то возможны следующие неисправности:
- перегорел предохранитель;
- не работает реле переключения;
- окислились или подгорели контакты;
- неисправен выключатель;
- нарушена целостность проводки;пропала «масса».
Если не горят стоп-сигналы ВАЗ 2112, не работают поворотники или полностью пропал свет, нужно последовательно проверять все элементы, которые входят в систему освещения, включая блок предохранителей и источники питания.

Основной монтажный блок с предохранителями и реле
Перегорел предохранитель

Проверка работоспособности датчика (лягушки)
- освещает дорогу и обочину;
- сигнализирует о намерениях водителя;
- информирует о габаритах авто;
- освещает салон, подкапотное пространство, багажное отделение и т.д.
Неисправность светодиодных стоп-указателей Отсоединяем штекер от разъема, и отводим его в сторону.
