Не Горит Ближний Свет Газель с Змз 405 © Масса автомобиля
Не горят габариты газель 3302
Рассматривались автомобили Газель 3302 (Газ 3302), Газель 2705 (Газ 2705) со старыми и новыми моделями держателей предохранителей, оснащенные двигателями ЗМЗ 402, ЗМЗ 405 и ЗМЗ 406 1994, 1995, 1996, 1997, 1998, 1999, 2000, 2001 гг. Версия 2002, 2003.2004, 2005, 2006, 2007, 2008, 2009.
газель, предохранители форсунок, карбюратор.
Слева под панелью приборов находится старинный блок предохранителей.
Расположение предохранителей в блоке Газ 3302 (Газель 3302) и Газель 2705 (Газ 2705) старой модели.
Электродвигатель отопления, электронасос системы отопления (автомобили с двумя рядами сидений)
Резерв под электродвигатель автономного отопителя (автомобили с двумя рядами сидений)
Комбинация приборов, выключатель контрольной лампы стояночного тормоза, система EPHH, реле стеклоочистителя, фонари заднего хода в задних фонарях, диагностическая лампа (двигатели семейства ЗМЗ-406)
Зуммер и плафон для бортового освещения платформы, стоп-сигналы
Электродвигатели стеклоочистителей и омывателей
прикуриватель, клаксон, патроны для переносных ламп
Освещение салона, освещение моторного отсека, освещение грузового отделения
Подсветка переднего правого и левого заднего габаритных огней, подсветка номерного знака, контрольная лампа включения габаритного света
Лампы переднего левого и правого заднего габаритных огней
Ближний свет правой фары, электрокорректор фар
левый дальний свет, индикатор дальнего света дальний свет
Блок предохранителей нового типа ГАЗ 3302 (ГАЗель 3302) и ГАЗель 2705 (Газель 2705).
Находится слева под крышкой приборной панели.
Для доступа к предохранителям отожмите защелку и снимите крышку блока.
расположение предохранителей в новом блоке.
система управления двигателем (двигатели ЗМЗ-40522, ЗМЗ-40524)
Радиооборудование, выключатель питания (автомобили ГАЗ-3221 и модификации)
Электродвигатели стеклоочистителей и омывателей
Реле ближнего света, антиблокировочная тормозная система (ABS)
Реле звукового сигнала, приборная панель, часы
Электродвигатель автономного отопления, электронасос системы отопления (автомобили с двумя рядами сидений)
Комбинация приборов, лампы заднего хода, датчик скорости, реле стеклоочистителей
датчик концентрации кислорода (двигатели ЗМЗ-40522, ЗМЗ-40524)
Система управления двигателем (двигатели ЗМЗ-40522, ЗМЗ-40524)

Решил победить заводскую болезнь бортовая газель — диагностирую проводку задних фонарей газель 3302 т.к размер задней передачи и противотуманные фары не горят
Не загорается индикатор габаритных огней в комбинации приборов, как и сами задние габариты. Они работают впереди.
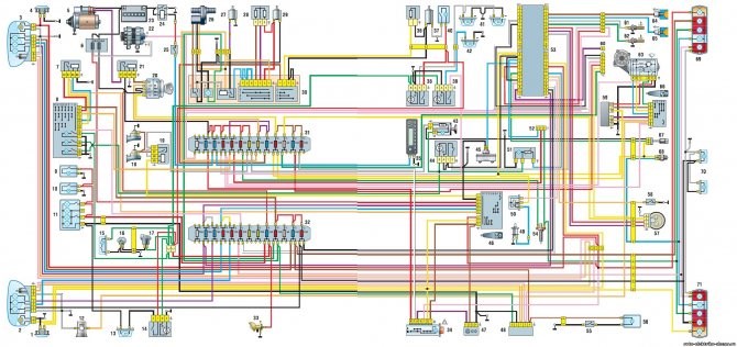
Электросхема Газель 3302 и Бизнес 4216 с двигателем 402, 405 и 406 инжектор и карбюратор
Проблема с предохранителем на стоп-сигналы

Плохая зарядка на газели 405 двигатель.
Электрооборудование «Газели» – особенности и возможные неисправности Блок предохранителей нового образца газ 3302 (газель 3302) и Газель 2705 (Газ 2705).
Общие сведения

Схема электропроводки в автомобиле ГАЗ с двигателем карбюратор или инжектор состоит из множества компонентов.
И неважно, будь то Газель 402, 405, 406, 3302, 2705, Бизнес или Евро, схема электрооборудования будет включать в себя такие подсистемы:
- Система зажигания. Этот узел состоит из разных компонентов, основными являются распределительное устройство, свечи, а также высоковольтные провода, передающие заряд. От работоспособности этой системы зависит функциональность двигателя и его работа в принципе.
- Оптическая система. В нее входят все внешние фары, начиная от габаритов и заканчивая стоп-сигналами и противотуманками.
- Освещение в салоне авто, в том числе на приборной панели.
- Электронная система управления двигателем (в зависимости от модели авто).
- Система стеклоочистки, включающая в себя электродвигатель и щетки стеклоочистителя.
- Топливная система, одним из основных компонентов которой является насос.
- Аккумуляторная батарея и генераторный узел.
- Аудиосистема, если имеется, и т.д.
Не горят габариты газель 3302.
Проверка с помощью манометра

Проверка генератора на автомобилях с двигателем типа ЗМЗ-405, ЗМЗ-406
- Разные формы кузова предусматривают разную грузоподъемность и иные параметры электропроводки;
- Разные модификации силового агрегата;
- У каждого двигателя есть свои особенности, которые затрагивают и компоненты электрической сети.
Фотогалерея «Основные неисправности»
Ещё одно существенное отличие это наличие блока реле и предохранителей. Учтите, что при этом падение напряжения должно составить не больше 0. Что такое принципиальная электрическая схема [РадиолюбительTV 20]
Замена предохранителей цепей электрооборудования

Предохранители установлены между пружинных клемм.
У предохранителей на 8 А изолятор черного цвета, на 16 А – зеленого.
Расположены они по порядку номеров слева-направо.
Для автомобилей с 2003 года выпуска. Отжимаем фиксатор крышки
Снимаем крышку для доступа к предохранителям
Отжав нижнюю или верхнюю клемму, вынимаем неисправный предохранитель и устанавливаем новый.
Пуск и остановка двигателя
Заключение Первоначальную проверку экспресс-генератора можно провести прямо на автомобиле.
Электрооборудование «Газели» – особенности и возможные неисправности
Мы продолжаем разговор об электрических приборах «Газели», начатый в декабрьском («Аккумулятор на «Газели») и январском («Генераторы для ГАЗели») номерах журнала. Мы уже затронули проблему установки в фары ламп увеличенной мощности. Разумное ли это решение? Аргумент «против» может быть только один: яркими лампами проще ослепить встречного водителя, когда нарушится регулировка фар.

Неотрегулированные фары опасны как с мощными, так и с обычными лампами. Зато яркий свет ночью полезен, прежде всего, тем многочисленным водителям, которым часто приходится ездить по неосвещенным загородным дорогам. Противотуманные фары – тоже, безусловно, полезное дополнение.
Догадайтесь, какое устройство присутствует в системе головного света «Волги», «Жигулей», «Москвича» и отсутствует у «Газели», выпущенной до 2003 г.? Подсказываем: у названных «легковушек» фары соединены с выключателем через отдельное реле, а у нижегородской полуторки – напрямую. Причем, «Жигули» и «Москвичи» оснащены двумя реле: одним для дальнего, другим – для ближнего света.
Через реле идет мощный силовой ток. Переключатель, установленный в кабине, работает с током небольшой силы: его задача только подключить реле. Поэтому у него могут быть провода меньшего сечения и не слишком мощная контактная группа.
Реле у «Газели» присутствуют только в тех цепях, где без них не обойтись. В приборах, действующих в прерывистом режиме (указателях поворотов, аварийной сигнализации, стеклоочистителях) реле есть как у всех остальных автомобилей. Есть даже реле, позволяющее мигать лампочке указателя затянутого ручного тормоза. О стартере просто не говорим.
Кстати, некоторые водители отключают реле стеклоочистителя, перемкнув провода. По их мнению, это реле, доставшееся «Газели» от ГАЗ-24, ненадежное, оно может стать причиной сбоев в работе «дворников» в самый неподходящий момент.
Замена центральных предохранителей бортовой сети автомобиля
Замена предохранителей цепей электрооборудования

Вы используете Internet Explorer 6, или старше. Мы настоятельно рекомендуем вам поискать другой браузер или новейшую его версию, чтобы сделать свою работу в интернете более приятной, и соответствующей новейшим стандатрам.
Устройство и принцип работы Данное решение позволяет отказаться от использования некоторых комплектующих, таких, как – дроссельные патрубки, регуляторы холостого хода, воздушные патрубки холостого хода, датчики положения заслонки дросселя.
Схема соединений переднего жгута проводов ГАЗель-Бизнес
Вторая причина, почему стоит купить именно этот вариант панели — функционал и увеличенное количество возможностей следить за работоспособностью автомобиля.
О классических внедорожниках Уаз и автомобилях повышенной проходимости
Подключить к черному проводу. Для того чтобы обнулить показания счетчика, необходимо нажать кнопку; 25 — счетчик суточного пробега автомобиля. Схема двигателя Газель бизнес зависит от установленного двигателя.
Поэтому при смене силового агрегата на другой тип двигателя например, ЗМЗ карбюратор на ЗМЗ инжектор всю проводку менять вовсе необязательно, достаточно только сменить подкапотные провода. Соответственно, и провода прокладываются в другом месте, имея другую длину.
Схема Газель бизнес:. Реле поворотов и аварийной сигнализации, теперь находится на рулевой колонке под верхней крышкой. Повреждения ремня также не допускаются — при их наличии нужно задуматься о скорой замене. Плохой контакт оборудования с электросетью. Также нужно следить за натяжением ремня генератора — он не должен быть перетянут или не дотянут. принцип работы генератора

Подводные камни
- Установить рычаг переключения передач в нейтральное положение.
- Нажать до отказа на педаль сцепления.
- Установить ключ выключателя приборов и стартера в положение I. Сигнализаторы критической неисправности двигателя, разряда аккумуляторной батареи, «Внимание» системы управления двигателем, включения подогревателя воздуха должны загореться. Сигнализатор критической неисправности двигателя дублируется на сигнализатор «STOP“. Сигнализаторы критической неисправности двигателя и «Внимание» системы управления двигателем должны гореть 2–7 с и погаснуть. Сигнализатор включения подогревателя воздуха в зависимости от температуры воздуха информирует водителя о возможности включения стартера (как только он гаснет, водитель может включать стартер). Продолжительное горение сигнализатора «Внимание» системы управления двигателем указывает на наличие некритической неисправности системы управления двигателем, при которой водитель может пустить двигатель и продолжить движение до СТО. При продолжительном горении сигнализатора «Критическая неисправность двигателя» водитель не должен пускать двигатель до устранения неисправности.
- Включить стартер не более чем на 10 секунд. На газ-педаль не нажимать!
- Как только двигатель заработает, отпустить ключ и педаль сцепления. Сигнализатор разряда аккумуляторной батареи должен погаснуть.
Чиним сами Запрещается эксплуатация автомобиля с постоянно горящими или мигающими сигнализаторами. Допускается движение автомобиля на СТО для устранения неисправности.
Что далее?
Итак, мы выяснили, для чего нужен генератор, как он работает и как работает. Для «Газели» с возрастом обязательно нужен генератор большей мощности. Но при этом не забывайте про аккумулятор. С новым генератором и аккумулятором вы забудете о сложных запусках зимой и не будете иметь перепадов напряжения при установке дополнительных электроприборов.
В общем, начал ставить музыку, напряжение не понравилось.
С другой стороны, он показал 13,5 В, при прогреве упал до 13,3 без фар.

Сорвал генератор с соболя отца на работе ^^, стало лучше.,
Ехал довольный и тут по дороге на дачу вдруг умирает спидометр) носик был 11в, сразу выключаю свет и музыку. Машина как-то попала ко мне в сервис с изливом 7с и застряла в воротах! — я люблю свою машину
Утро. Я подошел к машине, нажал на брелок, не испытывал эмоций, открыл его ключом, батарея была нулевая и я опаздывал в институт . взял бомбу, закурил сигарету, ушел, заряжает 12 и падает, рядом вуз я показал 11 в целом. Из вуза сразу поехал покупать генератор Pramo на 120А и провод КГ-16 с двумя выводами, клеммы припаял, прикрутил, и вот чудо, на плате холодная 13,7 (на клеммах
14.0) и даже при подавляющей, далекой музыке и печке напряжение не опускается ниже 13.0В.
Кстати, у кого напряжение низкое, рекомендую в первую очередь поменять блок предохранителей под капотом, я сразу увеличил на 0,2.
И обязательно продублируйте + от генератора к этому блоку. (Всего сечение получилось около 25 мм, но в целом смело берите КГ-35, там нужно ровно 2 метра)
В планах:
1) Сделан внешний 3-х ступенчатый регулятор напряжения (в нашей стране очень сильно греется от радиатора и поэтому падает давление). Измерение болтовыми генами 14.88. Заброшенный на 50 кг аккумулятор достигает 14,78
2) новый минус сделал прямо с болта крепления генератора
Первоначальную проверку экспресс-генератора можно провести прямо на автомобиле.
Схема соединения жгута проводов системы управления двигателем ГАЗель-Бизнес
- Ротор.
- Втулки.
- Передний подшипник.
- Шайбы.
- Ключ.
- Шкив, через который элемент приводится в движение.
- Вентилятор.
- Передняя обложка.
- Статор.
- Обмотки.
- Держатель щеток.
- Мягкий.
- Кисти.
- Задний подшипник.
- Крышки.
- Вала.
- Контактные кольца.
- Мрачные выводы.
- Пластины для хранения.
- Задняя обложка.
- Один комплект статора.
- Обмотки.
Проверка генератора на автомобилях с двигателем типа ЗМЗ-402 Наименование оборудования защищаемых электрических цепей
