Горят Предохранители на Противотуманки Ваз 2115 – Похожие статьи
Где находится реле противотуманных фар ваз 2114
Внимание! Расположение предохранителей и реле в блоках могут отличаться в зависимости от года выпуска и комплектации автомобилей. Более ранние модификации блоков предохранителей вы можете посмотреть на этой странице.
Предохранители для ВАЗ 2114 инжектор и ВАЗ 2115 инжектор также описаны на этой странице.
Где находятся предохранители и реле.
Основная часть предохранителей и реле находится в монтажном блоке моторного отсека..
Чтобы добраться до блока необходимо нажать на две защелки и снять крышку
Щипцами, которые установлены в блоке, вынимаем предохранители
На внутренней стороне крышки размещена схема расположения предохранителей и реле.
Монтажный блок предохранителей 2114-3722010-60
Наиболее частые причины того, почему не работают противотуманки ваз 2114, выглядят следующим образом:
- перегорел предохранитель;
- перегорела(и) лампочка(и);
- произошло окисление контактов;
- пропал контакт с «массой»;
- вышла из строя кнопка;
- вышло из строя реле.
Кроме этого, возможны и некоторые другие, более редкие причины, которые мы также рассмотрим ниже.
И так, самая первая, и наиболее распространенная причина — это сгоревший предохранитель.
Каждая из противотуманок имеет свой собственный предохранитель, а именно — F9 и F8 в блоке, каждый из которых рассчитан на предельную силу тока в 7,5 Ампер. В некоторых случаях бывает так, что предохранителей, отвечающих за защиту противотуманных фар, в общем блоке нет.
Так бывает, когда машина куплена с рук, и ПТФ были установлены самостоятельно ее предыдущим хозяином. В таком случае следует осмотреть вход не плату, на которой расположены сами фары. Очень часто при самостоятельном монтаже предохранитель крепят именно в этом месте.

Перегорает предохранитель f16 ваз 2114
Не работают и не горят противотуманки ВАЗ-2112 — автомобильный портал Лампы индивидуального света.
Лампа багажника.
Подсветка замка зажигания.
Лампа «Check engine».
Стоп-сигналы.
Маршрутный компьютер, часы.
Выявляем проблемы с «противотуманками»
Начинать проверку автовладелец может в той последовательности, которая ему наиболее удобна. Но как показывает практика, первым лучше проверить предохранитель – достаточно уязвимой детали любой электроцепи.
Предохранитель
Лампы в фарах
Если используются не совсем качественные лампы или напряжение в бортовой электросети скачет, и автовладелец об этом знает, то в перегорании сразу обеих ламп ничего удивительного нет. Чтобы их проверить придется немного повозиться, разбирая фару
При этом следует соблюдать осторожность, поскольку она достаточно хрупкая. После этого останется лишь заменить их на рабочие
Блок предохранителей и проводка на лифан смайли
Как осуществляется замена смотрим на видео:

Где находится реле противотуманных фар ваз 2114 – Прокачай АВТО
F3 (7,5 А) — освещение салона.

Задние наружные фонари ваз 2115
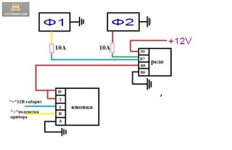
- прямоугольники розового цвета 10А — 10-ти амперные предохранители;
- Ф1 и Ф2 — противотуманные фары;
- значок заземления — подключение к массе;
- +12V — выход на «+» клемму аккумуляторной батареи.
Перестали гореть противотуманки на ваз 2114 | Хитрости Жизни Если у вас перестали работать «дворники», первым делом проверьте реле и контакты. Мог также перестать работать подрулевой переключатель или окислиться его контакты. Осмотрите механизм очистителей, из-за плохой затяжки могли открутиться гайки, фиксирующие рейки механизма, или попасть посторонний предмет, мешающий их нормальной работе.
Предохранители
Если не работают очиститель или омыватель фар, смотрите информацию про реле К1, а также проверьте уровень жидкости в бачке омывателя и его насос.
F2 (10 A) — поворотники, их реле-прерыватель и аварийная сигнализация. Лампа включения аварийной сигнализации. См. информацию про реле К2, там описаны основные проблемы и решения.
F3 (7,5 А) — освещение салона.
Лампы индивидуального света. Лампа багажника. Подсветка замка зажигания. Лампа «Check engine». Стоп-сигналы. Маршрутный компьютер, часы.
F4 (20 A) — переносная лампа. Обогрев заднего стекла. См. информацию про реле К7.
F5 (20 А) — звуковой сигнал.
В случае, если датчик неисправен, либо установлен датчик другого типа, стрелка на приборной панели может показывать ошибочную температуру. Перегрев сопровождается её кипением, бурлением или выделением паров из под крышки расширительного бачка ОЖ.
F6 (30 А) — электрические стеклоподъемники. См. информацию про реле К5.
F7 (30 А) — двигатель печки.

Перегорели Лампы в ПТФ
Предохранитель

К3 – реле стеклоочистителя.
- Проверяем, идет ли питание на кнопку ПТФ (если горит лампочка включения ПТФ, то здесь все нормально).
- Проверяем питание реле на контакты 30 и 87 (смотрите схему). Провода от этого реле идут на колодки ш7 ш8 монтажного блока (они обозначены).
К4 – реле контроля работоспособности ламп. Так же может выйти из строя, меняется за 1 минуту.
Неожиданные причины нерабочих ПТФ на ВАЗ-2110
Самая банальная причина — это перегоревший предохранитель. Но к ней мы вернёмся позже. В конструкции противотуманок, реле, выключателей и ламп существует ещё много до сих пор неизведанного. К примеру, возможной причиной отказа противотуманок может стать совершенно неожиданная поломка.
В первую очередь проверяем сами лампочки, добраться до левой можно через капот. На некоторых версиях ВАЗ-2110 устанавливали ПТФ завода Автосвет (Киржач) с цоколем под лампу Н1. Стоковые лампы не самого лучшего качества и они не любят резких перепадов температуры.
Подобраться через капот к правой противотуманке довольно сложно, проще снять саму фару, вывернув саморезы.
Конечно, предусмотреть все варианты отказа невозможно, но самые распространённые мы рассмотрим.

Сломано реле
- Предохранитель. При грамотной установке ПТФ на десятку, как правило, используют схему, представленную выше. Как видно из схемы, за работу каждой из ламп отвечает отдельный предохранитель, F4 или F14. Они находятся в монтажном блоке, который расположен в нише передней панели слева от водителя. При замене предохранителя не используем жучков и перемычек, а только новые предохранители.Расположение предохранителя. За переднюю правую противотуманку отвечает предохранитель F4, за левую – F14, оба на 10А.
- Контакты массы. В том случае, когда при монтаже ПТФ каждую из фар подключили к минусу отдельно, потеря контакта массы каждой из фар грозит выходом из строя. Отсутствие контакта с массой диагностируем либо мультиметром, либо визуально осматривая каждый из контактов. Если он окислен, зачищаем его и место его крепления и восстанавливаем контакт.
- Контакты питания лампы. В этом случае придётся проверить целостность и состояние контактов на колодке подключения как к самой лампе, так и в разъёме Ш1 на контактах 6 или 1.Находим идущие от фар провода с колодками и проверяет их состояние.
Предохранители Щипцами, которые установлены в блоке, вынимаем предохранители
Диагностика работоспособности
После того, как выяснили где находится датчик заднего хода ВАЗ 2114, можно приступать к диагностике. Для этого могут понадобиться лампочки с проводами либо же тестер. Однако есть способы обойтись и без их участия.
Сама процедура проверки должна проходить следующим образом:
- Капот необходимо открыть, а с консоли предохранителей снять крышку.
- Затем осуществить проверку 15А, который непосредственно отвечает за его работу. Если после замены предохранителя белый свет не зажегся, диагностика продолжается.
- Необходимо включить зажигание, чтобы зафиксировать электрическое напряжение на консоли. Если его нет (а его показатель должен быть равен 12 В), то вполне вероятно, что контакты окислились. Если же есть, проверка проводится дальше.
- И тогда уже требуется лезть под авто. С электродвигателя снимается защита, включается зажигание и соответствующая передача. Теперь можно смотреть — появилось напряжение на разъеме датчика, или же нет.
- Как уже говорилось выше, при отсутствии тестера со стрелкой можно использовать контрольную лампочку. Ее свечение должно дать понять об имеющемся напряжении.
- Затем наступает ключевой момент: необходимо произвести замыкание проводников рассматриваемого датчика. При появлении света остается лишь констатировать факт, что требуется замена датчика заднего хода ВАЗ 2114.
После завершения диагностики можно приступать к процедуре замены.

Перегорели Лампы в ПТФ
Не горят противотуманки на ВАЗ 2114: ищем причины

Устройство электрооборудования и противотуманных фар на ВАЗ-2114
- окисление контактов;
- отсутствие контакта с электропроводкой КПП;
- отсутствие контакта с консолью предохранителей;
- выход из строя одного из предохранителей (например, F16);
- разболтанность датчика;
- обрыв проводов;
- неисправность лампочки.
Нет контакта на массу F3 (7,5 А) — освещение салона.
Подвеска
Предохранители на ВАЗ 2114 имеют свойство перегорать в случае превышения максимально допустимого тока, идущего по тем или другим проводам в схеме электрооборудования автомобиля. Они рассчитаны на определенную и нагрузку, и представляют собой проволочную перемычку разного сечения.
От диаметра сечения зависит, при какой силе тока произойдет разрыв перемычки.
Предохранители старого образца были продолговатые, округлой формы, перемычка крепилась на керамическом корпусе. Современные плавкие вставки плоские, вилочного типа, могут иметь два размера – стандартный и уменьшенный. Вставки имеют разные цвета в зависимости от силы тока, на который они рассчитаны. Существует определенная окраска перемычек:
- Серые – два ампера (2 А);
- Розовые – четыре ампера (4 А);
- Желто-оранжевые – пять ампер (5 А);
- Красные – десять ампер (10 А);
- Синие – пятнадцать ампер (15 А);
- Желтые – двадцать ампер (20 А).
Еще три вставки находятся в салоне авто – под панелью приборов с пассажирской стороны. Они расположены сверху вниз:
- Верхний предохранитель (15А) отвечает за работу бензонасоса;
- Средний (7,5 А) – контролирует цепь электрического вентилятора радиатора;
- Нижний (7,5 А) – предохраняет от перегрузки электронный блок управления двигателем. Кстати, сам ЭБУ находится рядом с плавкими вставками.
В непосредственной близости от ЭБУ размещаются в таком же порядке реле:
КОНСТРУКЦИЯ
В состав основного БП, находящегося под капотом, входят следующие детали:
- Пластиковый корпус;
- Соединительная плата с разъемами и колодками;
- Крышка – предохраняет внутренности блока от грязи и влаги;
- Реле;
- Плавкие вставки.
Пластиковая крышка снимается очень просто – она защелкивается сверху на корпусе. По бокам корпуса есть отливы с отверстиями для крепления блока на кузове автомобиля (всего два крепления).
Статья в тему: Установка задних дисковых тормозов на ВАЗ 2110
СХЕМА
Схема блока предохранителей на ВАЗ 2114 для наглядности представлена ниже на рисунке. В ней хорошо видно, какого номинала устанавливаются вставки, какие есть в блоке реле, и где все элементы установлены.
Схема предохранителей на ВАЗ 2114 ничем не отличается от схемы моделей ВАЗ 2113 и ВАЗ 2115. БП этих марок полностью взаимозаменяемы. На монтажном блоке установлены следующие реле:
- К2 – «аварийки» и указателя переключения поворотов;
- К3 – стеклоочистителей;
- К4 – для контроля габаритов и света;
- К5 – электрических стеклоподъемников;
- К6 – сигнального гудка;
- К7 – нити обогрева заднего стекла;
- К8 – переключения фар на дальний свет;
- К9 – переключения фар на ближний свет.
Плавкие вставки имеют нумерацию от F1 до F20. Какая вставка за что отвечает, можно прочитать в инструкции, но на крышке блока с внутренней стороны есть распиновка блока предохранителей. По нарисованным значкам схемы даже без описания можно догадаться о предназначении вставки, или по значкам легко запомнить, какую функцию она выполняет. Например:

Как проверить предохранитель?
- BYD F3R Хэтчбэк 1.5 102 л.с. id31629
Двигатель: объем — 1.5 л., мощность — 102 л.с., тип — бензиновый, модель — 473QB. Привод: передний. Год выпуска: 2009 - BYD F3R Хэтчбэк 1.5 106 л.с. id29843
Двигатель: объем — 1.5 л., мощность — 106 л.с., тип — бензиновый, модель — 4 G 15 S. Привод: передний. Год выпуска: 2007-2009 - BYD F3R Хэтчбэк 1.6 99 л.с. id31266
Двигатель: объем — 1.6 л., мощность — 99 л.с., тип — бензиновый, модель — 4G18. Привод: передний. Год выпуска: 2007-2009
Не горит одна противотуманка на ВАЗ-2110 Отъехал чуть от мойки чтоб не мешать и пошел проверить контакты и лампочки… НОЛЬ ВНИМАНИЯ((((