Горит Датчик Открытой Двери Ваз 2114. Перегорел предохранитель
Освещение салона ВАЗ 2114
Что делать, когда внезапно пропал свет в салоне ВАЗ-2114? Многие автомобилисты скажут – ехать к электрику и пусть он разбирается. Но мы попробуем найти причину и методы устранения, когда пропало освещение салона сами.
Схема электрооборудования автомобиля, которую необходимо изучить прежде, чем приступать к работе
Освещение салона автомобиля – это часть электрики, а поэтому, в любом случае, стоит проблему искать именно в этой части машины. Конечно, рекомендуется изучить, хотя бы поверхностно, технические схемы электрики, чтобы быть хоть немного в теме.
Итак, что же понадобиться? Подробная схема электроузлов автомобиля, немного смекалки и минимальный набор инструментов. Рассмотрим места, где может скрываться проблема:
Чиним свет и знакомимся с электрикой
Поскольку определены основные места неисправности, можно смело перейти непосредственно к методам решения проблемы. Стоит отметить, что с автомобильной электрикой — не все так просто, но поскольку это ВАЗ-2114, то здесь можно сказать всё предельно ясно. Перейдём к методам решения проблемы.
Лампочка
Первое, что необходимо проверить – это лампа освещения, поскольку именно её перегорание могу стать причинно того, что пропал свет в салоне автомобиля.
Для того чтобы её достать придётся снять крышку плафона. После этого необходимо проверить есть ли нить раскаливания, и вставить лампу в контрольно-измерительный прибор или просто подключить к АКБ. Если лампа загорелась, то причина неисправности не в ней.
Плафон

Неоднократно, причиной неисправности становился сам плафон, где просто поплавилась контактная группа и замкнула, что вызвало перегорание или сгоревший предохранитель.
Для его диагностики потребуется демонтировать с автомобиля и визуально осмотреть. А также рекомендуется прозвонить контакты, идущие от лампы к проводке.
Предохранитель и реле на ВАЗ-2114
Замена предохраните может решить проблему
Следующей причиной становится сгоревший предохранитель освещения салона. Перегорать эта деталь может вследствие короткого замыкания, которое по разным причинам возникает в бортовой цепи. Зачастую замыкание вызвано именно неисправностью плафона.
Реле подсветки салона отмечено стрелочкой. Нередко контакты подгорают и не дают включиться свету
Проводка
Обрыв проводки может послужить причиной неисправности
Почему на ВАЗ 2114 не горит подсветка панели приборов
- Плафон освещения салона;
- Лампы индивидуального света;
- Подсветка приборов на панели управления;
- Свет в бардачке, прикуривателе и отдельные лампочки для некоторых кнопок и переключателей.
Не работает свет в салоне ВАЗ-2115 возможные причины выясняй причину чем раньше тем лучше чтоб движку не убить удачи
Освещение ВАЗ 2115
Если фары вдруг начали светить тускло, а при включении сигнала поворота начинает мигать лампа габаритного света, восстановите контакт «массового» провода с кузовом.
Возьмите себе в привычку регулярно менять лампы (особенно головного света фар). Со временем колба лампы мутнеет и яркость лампы уменьшается. Причем этот процесс происходит довольно медленно и водитель не замечает постепенного ухудшения освещенности дороги.
Салона
Плафон 1 освещения салона установлен на обивке потолка салона в передней части.
Переключатель 4 плафона можно установить в следующие положения:
– среднее положение – освещение салона выключено; – левое положение – освещение салона включено постоянно; – правое положение – освещение салона включается при открывании передних дверей.
Две лампы направленного света 2 для водителя и для переднего пассажира 6 установлены в блоке с передним плафоном 1 освещения салона. Лампы включаются соответствующими выключателями 3 и 5.
Плафон установлен на обивке потолка над задней правой дверью. Чтобы плафон был включен постоянно, нажмите на заднюю часть С рассеивателя 1. Для выключения плафона нажмите на переднюю часть А рассеивателя. При нажатии на среднюю часть В рассеивателя плафон включается только при открытии передних дверей.
У автомобилей с центральным замком освещение салона включается на 20 с при отпирании замка, открытии дверей или после вынимания ключа из выключателя зажигания. При этом переключатели плафонов должны быть установлены в положение включения плафонов при открывании дверей. При включении зажигания освещение салона гаснет.
Часть автомобилей без центрального замка оснащена устройством задержки выключения освещения салона. После закрытия дверей плафоны горят еще несколько секунд. При включении зажигания освещение салона гаснет.

Обозначение значков на панели приборов ВАЗ 2114: кнопки, индикаторы, лампочки, схема
- подсветка приборной панели (о ней, а также о ее неисправностях, мы уже говорили ранее, поэтому сегодня на ней подробно останавливаться не будем);
- главный плафон освещения салона ваз 2114;
- лампы для индивидуальной подсветки;
- подсветка бардачков и прикуривателя.
Не открывается дверь ни изнутри, ни снаружи на ВАЗ 2114: причины и способы исправления Что означают индикаторы на приборной панели ВАЗ 2114? Опишите пожалуйста.
Обозначение значков на панели приборов ВАЗ 2114
Что означают индикаторы на приборной панели ВАЗ 2114? Опишите пожалуйста.

Приборная панель на «четырнадцатой» достаточно компактная, при этом с минимумом индикаторов. Разобраться в каждом из них просто, но для новичков рекомендуем изучить каждое из имеющихся обозначений. В этом поможет картинка и следующий список:
Это все обозначения в стандартной панели Lada 2114.
Почему на ВАЗ-2114 не работает свет в салоне: основные причины
Почему не горит свет в салоне (основные причины)

Причины проблем с открыванием двери
- Индикатор, выводящий информацию о текущем уровне масла в двигателе. При критически низком количестве смазывающей жидкости лампочка загорается оранжевым цветом. Масло необходимо долить сразу же после того, как этот индикатор станет активным;
- Данный индикатор свидетельствует о низком количестве рабочей жидкости в емкости стеклоомывателя. Бачек рассчитан на 5 литров жидкости, индикатор включается, когда её количество падает ниже 1 литра;
- Датчик количества жидкости в системе охлаждения двигателя. Один из важнейших индикаторов, за которым необходимо тщательно следить;
- Указывает на наличие незакрытых дверей. Горит красным цветом;
- Индикатор, который загорается, если габариты, либо стоп-сигнальные лампы вышли из строя. Цвет активного индикатора – красный;
- Лампочка, которая загорается в случае критического износа тормозных колодок (1.5 мм). Горит с момента первого нажатия тормозов до выключения автомобиля;
- Индикатор, свидетельствующий о том, что водитель не пристегнут ремнями безопасности.
Чиним свет и знакомимся с электрикой Две лампы направленного света 2 для водителя и для переднего пассажира 6 установлены в блоке с передним плафоном 1 освещения салона. Лампы включаются соответствующими выключателями 3 и 5.
Замок: ремонт, разблокировка, сборка
Если не открывается задняя или другая дверь на ВАЗ 2114, то работать придется из салона. Важно позаботиться об освещении. Чтобы открыть дверцу, заменить или разблокировать замок, предусмотрена следующая инструкция:
- Снимаются заглушки на рукояти дверного элемента.
- Откручиваются три винта: два сверху, один под подлокотником.
- Демонтируется накладка.
- Отключаются фиксаторы рукояти.
- Отстегивается декоративная панель.
- Отсоединяется электропроводка.
- Снимается ручка и пластиковый колпак замка.

Далее проверяется состояние сердцевины. Если зубцы надломлены или деформированы, то их замена позволит разблокировать механизм. В противном случае потребуется съем цилиндра, установка новой детали. Алгоритм ремонтных работ:
- В раскрытом замке проводится открепление тяг.
- Извлекается скоба.
- Отстегивается пластмассовый фиксатор.
- Снимается стопорная шайба, лифтбек и провода электропривода.
- Вынимается сердцевина.
Если корпус замка не деформирован, то выполняется починка или замена личинки. Сбор осуществляется в обратном порядке.
Горит чек двигатель на ВАЗ-2114 работает нормально, что делать?
- ключ на 10;
- набор отверток;
- молоток;
- пассатижи;
- силиконовая смазка;
- маркер;
- нож;
- антикоррозийное вещество.
Основные причины отсутствия освещения в салоне Поэтому постараемся разобраться, что же делать и где искать причину загорания этой сигнальной лампы. Сразу скажем, что «Чек» далеко не всегда указывает на серьезные проблемы с мотором, иногда он срабатывает по мелочным причинам, которые можно и вовсе отнести к ложным срабатываниям. Но и игнорировать этот сигнал не стоит. Лучше сразу постараться найти причину светящегося «Чека».
Повреждение проводки
Последняя и самая нежелательная причина неисправности – обрыв проводки выключателя. При отсутствии видимых повреждений проводки найти место обрыва без «прозвонки» сложно. Если обрыв удалось найти – следует полностью заменить провод, а не пытаться склеить его изолентой, т.к. укорачивание проводов ведет к изменению сопротивления.
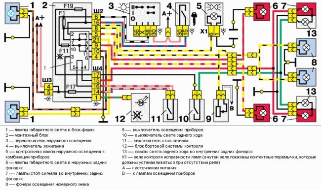
Также причиной некорректного срабатывания бывает окисление контактов внутри корпуса осветителя. Достаточно зачистить и вернуть все пластины в заводское положение. Для проведения замены проводки освещения в сборе понадобится схема подключения салонного света. Ниже представим схему в подробностях.

Для полного разбора схемы разберем обозначения:
Проверка неисправности должна производиться с изучения предохранителя и лампочек. Лишь после этого стоит искать причину проблемы в концевиках и провдке.
Лампочки, индикаторы значки
- средняя зона. Свет из неё распространяется по всей верхней части салона автомобиля. Она почти полностью освещает пространство;
- пространство для ног. Чтобы водитель мог видеть в темноте расположение педалей;
- бардачок. Чтобы в тёмное время суток можно было обнаружить в нём необходимые вещи или документы;
- зеркало для макияжа. Очень пользуется спросом среди женщин-водителей, которые собираются подправить мейкап в тёмном авто;
- ручки дверей. Чтобы можно было найти их в полной темноте, а не шарить рукой по обивке в поиске спрятавшегося «крючка»;
- багажник. Чтобы даже в тёмное время суток были видны все предметы, перевозившиеся в нём;
- также к салонному освещению относятся предупреждающие световые сигнализаторы, которые устанавливаются на заднее стекло и двери автомобиля.
Почему свет пропал? Сегодня мы поговорим о такой распространенной проблеме, как выход из строя ламп приборной панели на ВАЗ-2114. Модель ВАЗ-2114 многим хороша, она эстетична и динамична, обладает неплохими техническими характеристиками, но приборная панель оставляет желать лучшего в плане качества и надежности. О том, как заменить лампы панели, мы и расскажем в данной статье.
Сгоревший предохранитель
80% случаев отключения подсветки связано с перегоревшим предохранителем. Располагается он в предохранительном блоке, установленном под рулевой колонкой автомобиля. Обычно горит предохранитель, обозначенный в документации как F10.

Именно он отвечает за подсветку приборной панели, работу габаритных огней и освещение номерных знаков. На ранних моделях ВАЗ 2114 предохранитель F10 был коричневого или красного цвета.
На более поздних машинах начали ставить зелёные. Понять, что предохранитель сгорел, не составит труда. Достаточно просто его осмотреть. Корпус перегоревшего предохранителя может быть слегка почерневшим или оплавленным, а проводник внутри корпуса будет разорван. Неисправный предохранитель заменяется новым. Как правило, это решает проблему.
Не горит свет в салоне — как найти неисправность
Тюнинг освещения

Кнопки на приборной панели
- сгорел предохранитель;
- перегорели лампочки (или светодиоды — в более поздних моделях ВАЗ 2114 панель подсвечивается ими);
- повреждена проводка в бортовой электросети;
- сгорела общая контактная плата приборной панели.
МОНТАЖ НОВОГО ОБОРУДОВАНИЯ В случае, если и после удаления окислов не горит свет в салоне ваз 2114, то следует проверить наличие напряжения на контактах плафона при помощи вольтметра (либо тестера). Если тока нет, то придется поочередно прозванивать всю цепь и, в случае обнаружения обрыва, выполнять замену проводки. Эта операция несложная, но может занять изрядное количество времени.